问:什么是铝箔天线,怎样装法?
答:铝箔天线专门用在短波段工作,是用0.1毫米厚的铝箔用胶水把它黏在收音机机箱内侧的顶部,然后用一根导线连接下来接到收音机的短波天线插孔上。加装了铝箔天线后,就不用机外拖线,能增加灵敏度,同时它是固定在机箱上,所以稳定性也比较好。
铝箔天线的面积与收音机的机箱和收音机的底板和具体元件排列有关,设计的时候让铝箔和底板所造成的分布电容(一般为20~30微微法)与输入回路的天线线圈配合起来所组成的谐振回路,它的自然谐振频率不要落入接收波段之内即可。
问:交直流而用收音机在使用和修理上有什么特点,应该注意哪些问题?
答:交直流收音机所用的电子管灯丝是串联的,例如用12SA7、12SK7、12SQ7、50L6、35Z5的五管机,全部灯丝串联起来恰好121伏,因此接在110伏的交流电源上不需要降压,如接在220伏的电源上必须经过变压器或用阻力丝降压成110伏才能使用,否则灯丝立刻烧断。这种电子管灯丝串联的收音机,只要其中一个电子管的灯丝烧断全部电子管都不亮。交直流收音机上的指示灯是串联电路的一部分,坏了必须很快换上否则会影响别的电子管。另外这种收音机用的整流管阴极结构很脆弱,在修理时不能用火花试验法,否则整流管阴极极易烧坏。(以上丁启鸿答)
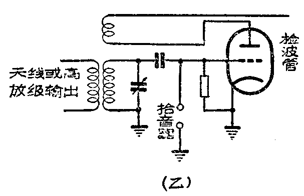
答:超外差式收音机中加装拾音器,一般都接在第一低放的栅极输入端。如图甲。在调整高放栅极检波或再生式收音机中,一般都接在检波管栅极,如图乙。如果引线较长,必需用隔离线,以防止交流声。
问:一台收音机在不同地区收听时,杂音就不同,如在北京收听杂音很小,但带到甘肃一带收听,杂音就很大。不同的地区为什么会影响收音质量?
答:外界杂音的来源有自然界的干扰(如天电、雨雪、风沙等)和人为干扰(如电车、汽车、马达、日光灯、X光机等)两种。自然界的干扰依地区、气候和季节等变化有很大的不同。人为干扰也依收音地点的不同而强弱不一。因此同一架收音机异地收听以后,就可能产生不同的音质效果。
问:一只电源变压器的次级有两个6.3伏的灯丝线圈,各为O.6安,现在要并联起来供给1.2安的灯丝电流,如何连法?

答:并联时,应注意两线圈输出端的相位是否相同。可以按附图试验:初级接220伏电源,再将ac短路,如果bd两端接一个12.6伏的小电珠而不发光,则表示ab、cd相位相同。将ac短路、bd短路即可供组6.3伏、1.2安。如果小电珠发全光,则要把bc短路,ad短路才能使用。 (以上郑宽君答)
问:怎样测出万用电表表头的灵敏度?

答:可以用一个已知的电流计作为标准,和待测的表头串联,电路中并串入一节干电池和电位器(如图)。测试时,电位器放在阻值最大处,然后逐渐减小至待测表满度,这时标准表上所指数值就是待测表的满度电流值(灵敏度),为此标准表的量限应选得比待测表的大一些,也可用另一个万用电表的直流电流档来作标准表。(冯报本答)
问:用起子按住超外差收音机中频变压器的调整螺丝时,声音很大,是什么道理?
答:这是中频变压器失调的缘故。当用起子按住它的调整螺丝时,会使这一电容器的容量变更刚好接近谐振点,所以声音变大。(徐疾答)

