二、半可变电容器
它又叫“微调”电容器。它的电容量能在一个较小的范围内变动,而且在使用中并不经常改变。这种电容器大都采用两片金属导电片,中间夹了云母、陶瓷等绝缘介质制成。调整电容量的方法是旋转压在动片上的螺丝,以改变动片和定片之间的距离。调整好以后,就固定在这个数值上。一般收音机上用的半可变电容器,有一种叫“补偿”电容器。它是和双连可变电容器并联,用来修正调谐回路的电容量,以达到谐振或跟踪等目的,外形如图1,甲,有单连的和两连的等形式。它的电容量变化大都在5~30微微法之间。另一种叫“垫衬”电容器,它串联在超外差式收音机的本机振荡回路中,用以调节跟踪。它的外形如图1,乙,其电容量变化大都在1O0~600微微法之间。

收音机中频变压器上用的半可变电容器,是用铜簧片压住一些云母片直接装在变压器上,来和线圈配合调谐到中频频率。
其它还有各种新式的半可变电容器,如陶瓷介质的半可变电容器(图1,丙)等,收音机上用得较少,这里不再多谈。
三、纸介电容器
它简称“纸电容器”,是固定电容器中最常见的一种,在收音机中应用最广,如交连、旁路、滤波等电路大都采用这种电容器。它的特点是制作简单,成本较低,电容量可以做得较大,日常使用的大都在0.25微法以下,特殊用途的可以做到10微法以上。但是它的电容量的精确度不易控制,因此误差大都是±20%;介质的化学性能也不够稳定,使用时间长了,容易老化,绝缘电阻将逐渐降低。一般纸介电容器的耐压大都在200~600伏之间。制造方法是把两长条铝箔(导电极片)各与两三层腊纸(绝缘介质)交互迭好卷成圆筒形(参看图2),分别在两端接出引线,然后放在模型内烧灌火漆(防潮)制成。它的外形如图3所示。这种电容器的电容量、耐压、误差范围等数据一般都在外面的标志纸上注明,并在标志纸的一端印有一条粗线,表示在这一端的引线是和电容器的外层铝箔相连的。用做旁路、滤波电容器时,应当把这一端的引线接地,这样内居铝箔就被包围在接地的铝箔里面,好象放在隔离罩里一样,可以减少感应杂音电压的机会。

较高级的纸介电容器是装在铝壳或瓷管内(图3,乙、丙)加以密封的,这样防潮性能好一些,但价格较贵。

纸介电容器的缺点是用久了以后,常会受潮漏电,必须另换新的。
四、金属膜纸介电容器
它的构造与纸介电容器相似,但是里面的导电体不是铝箔,而是把金属蒸发后沉积在纸条上所形成的金属薄膜,厚度只有0.000025~0.0001毫米。由于这种金属膜很薄,所以其有电击穿以后的“自愈”特性。一般纸介电容器被电击穿以后,必然把击穿部分的腊纸烧焦形成导体,同时击穿部分的金属因发生电弧而被熔化,使两个导电铝箔之间形成永久短路,成为废品。而金属膜纸介电容器在被击穿以后,击穿部分的金属膜被电弧的热度烧成空白点,不会形成两片之间的短路,所以仍可照常工作。由于这种“自愈”作用,就可以只用一层腊纸做介质,因此这种电容器的重量和体积要比相同电容量的纸介电容器小得多,但是它的售价略高。
五、云母电容器
用云母做介质可以得到较高的介质常效;绝缘电阻较高,漏电损耗较小;耐压也比纸介电容器高得多,并且长时间使用时性能稳定,电容量受温度变化的影响较小;电容量的误差范围可以控制到±5%以下,因此它是一种质量较好的电容器。但是它的成本较高,日常使用的电容量也只在10000微微法以下。
云母电容器有的是用金属箔(锡箔或铜箔)和云母一层层迭合后用钢模压铸在胶木粉中制成。但这种制造方法由于不能使导电片完全紧密地贴合在介质上,当温度变化时,介质与导电片之间的距离改变而使电容量变化。近来,多在云母片上喷涂银层,以代替导电片。采用这种方法,导电部分可以完全紧密地和介质贴合在一起,因此电容温度系数可以减到很小,电容量也更加稳定和准确,但成本较高。因此,只是在需要电容量很稳定、很准确的电路中才用它。云母介质电容器除了做成固定电容器外,也可做成半可变电容器,如前所述。各种云母电容器的外形如图4所示。

云母电容器的各种标称教据在近来的产品中,大都直接注明在电容器上(如图4,甲),然而在有些产品中,仍然使用颜色标志的方法。各种颜色代表的意义见表1。

图5中画出了国内常见的各种云母电容器的标志法。有三点标志法、四点标志法等。例如一个三点标志的电容器,三点颜色是红、黑、棕,色点位置是①②④,那末第一位数是2,第二位是0,应乘10倍,所以它的电容量为200微微法;而所有三点标志的电容器的电容误差都是20%,工作电压为500伏。

云母电容器在收音机中大都使用在高频电路中,或者用在电容量较小、耐压较高的地方。例如短波段的垫衬电容器、再生收音机中的栅极检波电容器和高频滤波电容器等。
六、陶瓷电容器
陶瓷电容器是以陶瓷做介质,在两边喷涂上银层,然后烧成银质薄膜做导电体,再加上引线,外表涂漆后制成的。它的结构种类很多,有管形、圆片形、圆柱形等(见图6)。它的优点是体积小、介质常数很大、介质损耗小、能耐受潮湿,并且结构也很简单。它的温度系数可以在制造当中选用材料时加以控制,可正可负。具有负温度系数的陶瓷电容器可以用在振荡和调谐回路中,以弥补其它正温度系数的零件对频率稳定性所产生的影响。它也常使用在高频电路中。这种电容器的电容量不容易做得很大,一般在1000微微法以下,耐压在200~500伏之间。

七、电解电容器
电解电容器应用在需要很大电容量的场合里,收音机中的电源滤波电容器和音频旁路电容器常采用电解质的。
电解电容器有电糊的和电液的两种。前一种制法是用两条铝带做正、负极片,在中间夹了浸有电糊状电解质的纱布或纸带,加入引线卷起来,在两端通以直流电压,使正极片上形成氧化铝膜作介质,再加上纸壳封漆后制成;质量好的密封在铝壳内。电液的电容器是用铝圆筒做负极,里面装了液体电解质,插入一片穹曲的铝带做正极,再经过如上所述直流电压处理制成。
电解电容器的特点是容量大;另外它的极性是固定的,不能用在高频交流电路里。电容器外表标有正、负极(铝壳式的铝壳为负板),使用时正极应接高(或正)电位,负极应接低(或负)电位,不能接错,否则就会被击穿损坏。这种电容器的损耗大、绝缘电阻低、漏电大;特别是电糊式的,久置不用很容易增加漏电程度,或使电解质干枯而失效。它的电容量误差较大(约为-20%~+50%);并且随温度和时间的改变变化较大,寿命较短,只适宜在-40°~+60°C温度范围内工作。因此装机时不能安装在电源变压器、电子管等发热大的零件旁边,以免受热损坏。
各种电解电容器的外形见图7。

电解电容器的电容量,在电源滤波器中使用的一般为4~40微法,耐压为200~600伏;在音频旁路时使用的一般为2~100微法,耐压为25~100伏。在其它场合里,有些电解电容器耐压低到1.5伏,但是电容量可大到20000微法以上。
近年来,由于适应不同电子器件的需要,固定电容器的种类日益繁多,性能也逐步提高,并且日益“小型化”。例如以聚苯乙烯作介质的电容器损耗小,绝缘电阻高,并且具有负的温度系教。各种瓷介电容器和各种组合元件(即两个或两个以上的电容、电阻组装在一个外壳中,公用引线以缩小体积和简化装配),也都日渐广泛地应用在电子设备中。
电容器的使用
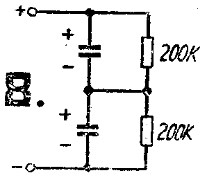
1.电容器的误差范围除了用在调谐回路以外,大都要求不太严格。例如电源滤波电容器由16微法改到20微法,对交流声的改善并起不到很显著的改善,旁路电容器从0.02微法改到0.05微法,效果也基本一样。所以除了特殊情况外,一般误差范围在±20%就能符合要求了。如果某种数据的电容器购买不到时,换一个与规定值相差不远的电容器也是可以的。如果由于标称耐压不够或必须使用规定的数据,即可以采用串联或并联的方法来解决。电容器并联以后。总容量等于各个容量之和,用公式表示就是C\(_{总并}\)=C1+C\(_{2}\)+…,它们并联后的耐压应该以耐压较低的一个作为标准。两个电容器串联以后,总的容量等于两个容量的乘积除以两个容量的和,用公式表示就是C总串=\(\frac{C}{_{1}}\)C2C\(_{1}\)+C2。如果有更多的电容器串联,可以先求出两个电容器的总容量,然后再把这两个电容器当作一个电容器,再和另一个电容器按上式依次计算。应该指出,电解电容器在串联使用时,两个极的引线必须按图8的方法连接,即和电池串联一样。如果是铝壳的,还要注意与地绝缘,同时两个电容器上必须各并联一个200千欧左右的电阻,以免因为电容器本身的绝缘电阻不同而引起在两个电容器之间的电压分配不等,容易击穿。

2.小容量的电容器如果没有适当的仪表是不好测量它的容量的。新电容器只要用欧姆表测量有没有漏电或短路现象就可放心使用。容量在0.1微法以上的大容量电容器用欧姆表R×1000档测量,就可以发现有瞬间充电的现象,表针向前摆动一下又回到原位,表针摆动的范围随着电容量的增大而增大。在测量电解电容器时,必须注意使电表电池的正极(在电表插试笔处标着“一”)应接到电容器的正极,否则结果是不准确的,甚至可能使电容器变质。(郑宽君 罗鹏搏)