在扩音机的输出级,除了扩送的节目信号以外,多少还会有些交流声,它的频率等于或倍于市电的频率。电声设备中存在有交流声是一个严重的缺点,它使得扩音机的动态范围缩小,破坏了音响效果。
按照标准,一级扩音机的交流哼声电平应该不超过—5O分贝,即在额定输出时不大于信号电平的0.003倍,二级扩音机容许的交流哼声电平总共不超过—40分贝,即0.01倍。
扩音机中引起交流声的原因可分两大类:各电路的交流感应和屏极电源中的纹波(即脉动成份)。所以,消除交流声应通过两个途径:减少交流感应及其影响和改进屏极电源的滤波。另外,还有所谓补偿法的第三种方法。这种方法是给扩音机中某一级电子管的控制栅极接上一个交流电压,假若这一栅极上的交流声电压与所加交流电压大小相等频率相同,而相位相反,则它们的和电压为零,交流声就被抵消。但是在使用中,由于电子管参数和电源电压的变化,以及另件的衰老,这种平衡状态将被破坏,交流声会随之复发,甚至较前更为严重。因此,这一方法,在高品质扩音机,甚至一般的扩音机中,很少采用。
一般扩音机使用的整流电路和滤波器都是典型标准的,并经实际运用检验。因此,只要整流电路没有错误,滤波元件没有损坏,一般是没有多大问题的。产生交流声的原因多半是交流感应。所以,在校验扩音机时,应该着重于检查和消除交流感应。
引起交流声的感应电压一般都不大(只有几毫伏),最易受到感应影响的是扩音机的前置放大级因为在这一级里感应来的交流声电压往往与输入的信号电压相差不多。
感应可以分为两类:静电感应和磁感应。静电感应是由于易受感应的电路(如前置级电子管的栅极电路)与有交流电流通过的导线间的潜布电容所造成的。电子管栅极电路的阻值越大,它和导线间的电位差就越高,感应影响就越强。试将前置级电子管的栅极电阻开路,便可证实这一点,这时栅极电路阻值无穷大,扬声器中发出强烈的交流声。
要判定感应发生在扩音机的哪一级,可以从前置级起,逐一把各电子管的控制栅极通地短路。这样试到某一级时,交流声消除,或大大减小,那就表明交流感应是发生在这级电子管的栅极电路。若是这样没有发现交流感应的所在,可以断定交流声是由输入的电声器件(如拾音器)从扩音机输入端传来的。
扩音机中的磁感应,只要不是有电感线圈的元件(如输入变压器和推动变压器)受到电源变压器交流磁场的感应,它的影响比较静电感应是要小些。防止磁感应一般是用屏蔽的办法。不过,应该特别指出,所有电磁屏蔽必须妥善通地,否则交流声不但不能减小,反会加大。
在特殊情形下感应可能存在于扩音机中交流电路和信号电路之间,或是电源的交流与直流电路之间。例如信号电压的输入引线(即话筒线等)若是用的单股单心金属隔离线,就会造成相当的交流声,因为隔离线的金属编织是信号和交流感应的公共通路,交流声电压也随信号电压输入到扩音机的输入端。因此,信号输入最好用两股单心金属隔离线,或用双心金属隔离线,使金属屏蔽网与输入回路无关,并将它接通底板。同理,在质量要求较高的扩音机中不应把公共负极线或机壳用作电子管灯丝电流的通路,因为它们已经是信号和电子管屏流的通路,不应再把交流电压混入。图l是这样的一个例子,图中系用6Ж1П管的前置放大级,图1a用了底板作电子管灯丝电流的回路。若底板上接点的接触电阻大到0.05欧,就等于在扩音机输入端接上了3毫伏的交流声电压。这样的交流声电平甚至是在灵敏度为150—200毫伏的唱片扩音机中,都是不容许存在的。

在电路中对交流感应灵敏的另件应尽可能用体积小一些的,这样可减低交流感应。电阻器最好用1/4瓦碳膜的。电容器用有金属外壳的一种,不仅取其体积小,并且,把金属外壳通地就是很好的屏蔽。前置级的屏、栅极电路和支路(如补偿网络)都应加以隔离,将其所有另件连同安装板都装进公共的屏蔽中去。
装置在扩音机附近的电动式微音器、唱机马达等笨重金属物件的外壳都应有妥善的通地。有的电位器金属外壳没有与旋轴连通,因此常会忘记把它通地,这对完善的设备来说是不适宜的。

灵敏的扩音机增益相当高,信号输入最好用同轴插子和插口(图2)。一般的插子和插口都有相当大的无屏蔽表面,对它们又准于隔离,这就很容易引起交流声。若没有同轴插子和插口,可以照图3加以隔离。

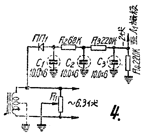
电子管丝极接线往往是交流感应的来源。把电源变压器中丝极线圈中心抽头接地或用中心臂接地的电位器与丝极线圈并接(图4)都可以平衡底板的电位,对减少交流感应很有效。

电子管阴极与丝极间漏电也会造成交流声,要减小其影响,可用单独的偏压整流器来代替前置级电子管的自给栅负压。用ДГ—Ц 或Д2型半导体二极管作成的这种整流器如图4,也可用1/2的6X2П或接成二极管的1/2的6H8C、或6N9C来代替半导体二极管。若是这样还不能把交流声电平减低到正常值,使可由单独的整流器,用直流来供给前置级电子管的灯丝电源(图5)。灯丝电流为0.3安或更大的电子管用图5乙的电路要好些,这里丝极线圈的电压要用12.6伏。如果不用半导体二极管,可把前置级改用0.15的电子管;而用5Ц3C作半波整流,效果亦同。不过,半导体二极管不需灯丝电源,要省电些。

电子管屏极和帘栅极电源的纹波也会引起交流声,这对内阻较大的电子管,影响就要小些。五极管内阻较三极管为大,从这一点上来看,扩音机前置级用五级管较好。
其余还可用改善整流电路和提高整流器参数的办法来减小交流声。
首先,扩音机的屏极电源在同样的滤波条件下,用全波整流或桥式整流比较半被整流可得小得多的纹波百分率。在用5Ц3C等直热式整流管时,直流输出应由灯丝线圈的中心抽头接至滤波器的输入电容器。若无中心抽头,可用电阻跨接在线圈两端,由电阻的中心抽头输出(图6),同时,电阻R\(_{1}\)和R2还可减小开机时整流管的屏极峰流,增长整流管的使用寿命。5Ц4C是傍热式的整流管,管座上的第八脚是阴极与丝极一端的公共接脚,直流应由这里输出,使用时必须注意。5Ц4C两组二极部分的灯丝是并联的,若是其中一组烧断,那么交流声就会大大增加,并且输出电压也随之低落。

滤波扼流圈也是在很大程度上决定着交流声电平的整流元件之一。扼流圈的电感量一般常用5—20亨,而且应当不受负荷电流大小的影响。在扼流圈两端并联一只适当的电容器,可以组成具有一定截止频率的低通滤波器(图7甲)。整流电路中的纹波(在全波整流时其频率为100周/秒)就被滤波器截滤去,使交流声大大减少。

负荷电流大的扼流圈用线较粗,要得到十足的电感量,需要使用很大的铁心。在铁心较小的扼流圈上,如果余有足够的绕线面积时,可以加绕补偿线圈(图7乙),以减小整流电流的纹波。例如扼流圈两端的纹波交流电压为U\(_{L}\),滤波输出电容器两端的纹波交流电压为Uc,那么补偿线圈的圈数n\(_{2}\)可由下式决定:
n\(_{2}\)=n1·U\(_{c}\)UL
式中n\(_{1}\)为扼流圈原有圈数。利用这种方法虽然不能得到完善的补偿,但是可使交流声电平大大降低。整流器中只要有一个元件损坏,交流声都会大大增加,并且输出电压低落,例如滤波电解电容器漏电增大;整流管阴极电子发射力衰减;5Ц4C两组二极部分中一组的灯丝烧断等。因此,在接入补偿线圈前,应先肯定整流器所有元件都是完好可靠的以后再用。
在扩音机中输出五极管和束射四极管的帘栅极电压的稳定性较屏压更为重要,帘栅极容许的纹波百分率要较屏极电源容许的小20—30倍,只要滤波略有不当(例如帘栅极电源滤波不够平滑或通过低通滤波器的电流过荷)即会引起强烈的交流声。因此,帘栅极供电应多经一级低通滤波网络。
此外,号筒扬声器的低音响应较差,使用时交流声要较一般的纸盆扬声器小。有人索性就利用这种类似牺牲低音的方法来减小交流声,这对专作语言放大的扩音机来说是可以的,但对放送音乐就不相宜了。
以上是安装扩音机中获得最低交流声的方法。那么怎样测量扩音机的交流声电平呢?正确的测量方法是在扩音机无信号输入时,把音量控制开到最大,再用分贝表或电子管毫伏计接在扬声器的音圈上,由电表上读出交流声电平的分贝数或电压值。若测得的是电压值,还得换算成分贝数。若没有分贝表和电子管毫伏计也可用一般的电子管伏特计,将它与输出变压器初级线圈并联。根据电表的读数来估计扩音机的交流声电平。输出变压器初级线圈两端电压的振幅,在质量高的扩音机中,在单管输出时约为屏极电源电压的0.7%左右,若是推挽输出,那就还要大一倍。(王萍根据苏联“无线电”杂志材料编译)