我校在党的教育为无产阶级政治服务,教育与劳动生产相结合的教育方针指导下,兴办了无线电车间,并开始成批生产收音机。但是在绕制线圈时,时常发现由于电感量不对,影响了收音机的复盖频率,因此试制了一架线圈测量器,经过使用认为比较满意,现将它介绍出来,以供给一些小型生产单位或业余爱好者参考。
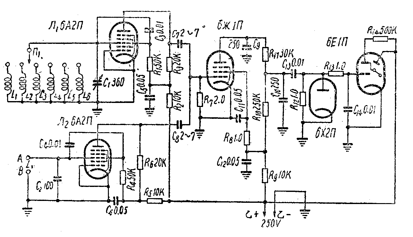
线路如附图。它的基本原理是和外差式波长表相同的,当两个振荡电流同时加到检波器上,检波器的输出端便出现频率和与频率差的差拍频率。现在Л\(_{1}\)和Л2。两只电子管分别组成负阻振荡电路,Л\(_{1}\)的振荡频率由C1与经П\(_{1}\)分线器接通的已知电感量的线圈来决定,而Л2的振荡频率由C\(_{2}\)与经AB两接线柱接通的待测线圈Lx决定,两振荡电流同时通入6Ж1П进行检波,在6Ж1П屏极便产生差频振荡,当二振荡频率的和与差都很高时,便被C\(_{9}\) 、R11、C\(_{1}\)0组成的高频率滤波器滤掉,而当两频率渐接近时,其差频减小,不易被滤波器滤掉,经6X2П整流后通入6E1П,使6E1П暗影收缩;而当两频率相等时,差频为零,6E1П暗影便又扩至最大,故观察暗影变化,可知两频率是否相等。

现在A、B两端接入一待测线圈L\(_{x}\),调C1、П\(_{1}\)使两振荡频率相等,此时6E1П的暗影将扩至最大,而不论向哪方向转动C1,暗影将迅速缩小,如Л\(_{1}\)振荡频率已知,则LX便可由下式算出:
L\(_{x}\)=\(\frac{1}{4π}\)\(^{2}\)f2C2=1;4π\(^{2}\)f2×10\(^{-}\)10
(C\(_{2}\)=100×100\(^{-}\)12法)
(L\(_{x}\)单位为亨,f为Л1振荡频率)
制成后,如有振荡器便可进行校验,将Л\(_{2}\)取下,将振荡电流经一只50微微法电容器通入6Ж1П栅极与Л1产生的振荡电流相混,再在C\(_{1}\)轴上安一尖钮,钮下放一白纸,绘上刻度,便可依次测出并记录下C1、П\(_{1}\)旋至任何处的振荡频率。
另外在实际生产时也可用比较的方法来校验线圈,在尖钮下放一度盘,先将标准线圈接在A、B两点,调C\(_{l}\)使两频率相合,记下钮尖所指位置,后将生产出的线圈依次接在A、B端,调C1使两频率相合,如此时钮尖所指位置和校标准线圈时所指位置一致,便是合格品,否则便是废品。有经验的同志还可根据两者位置之差,断定多几圈或少几圈而加以修理。
本仪器使用时,比较准确与方便,但频率相合点不易调出,如加微调设备如拉线等就好多了。我们是在C\(_{1}\)上并联一只36微微法可变电容器进行微调的,但因C1上并联一电容量会影响准确度,必须作适当修正。(毅屏)