本机是交流七灯超外差式三波段收音机,灵敏度优越,可收听国内外中波及短波电台。备有音调调节装置,装用两只喇叭,声音优美宏亮。另有拾音器插孔,可以放送唱片。
收听频率中波:550—1600千周,短波1:3.5—8兆周,短波2:8—18兆周。
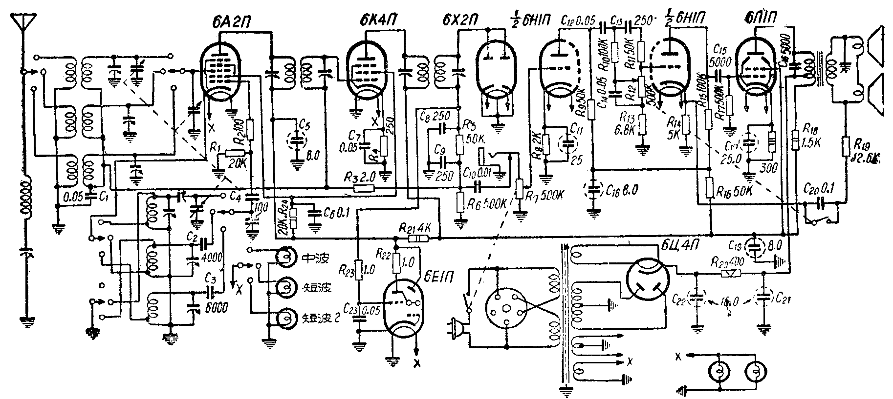
电子管 6A2П变频,6K4П中频放大,6X2П检波及自动音量控制,6HlП低频放大及高低音调节,6ЦlП功率放大,6Ц4П整流,6ElП作调谐指示。
使用电源110伏/220伏50周交流电源。
额定输出功率1.5瓦(最大输出可达4瓦)。



158—7A型七灯三波段交流收音机
——天津市第一电讯器材厂出品
本机是交流七灯超外差式三波段收音机,灵敏度优越,可收听国内外中波及短波电台。备有音调调节装置,装用两只喇叭,声音优美宏亮。另有拾音器插孔,可以放送唱片。
收听频率中波:550—1600千周,短波1:3.5—8兆周,短波2:8—18兆周。
电子管 6A2П变频,6K4П中频放大,6X2П检波及自动音量控制,6HlП低频放大及高低音调节,6ЦlП功率放大,6Ц4П整流,6ElП作调谐指示。
使用电源110伏/220伏50周交流电源。
额定输出功率1.5瓦(最大输出可达4瓦)。


