我制作的这只矿石机收音效果比较好,在上海近郊收听,用比较简单的天线和地线,上海各个电台都能收到,还可以收到中央人民广播电台的两种作目,声音还很响亮,各电台分隔得也很满意。

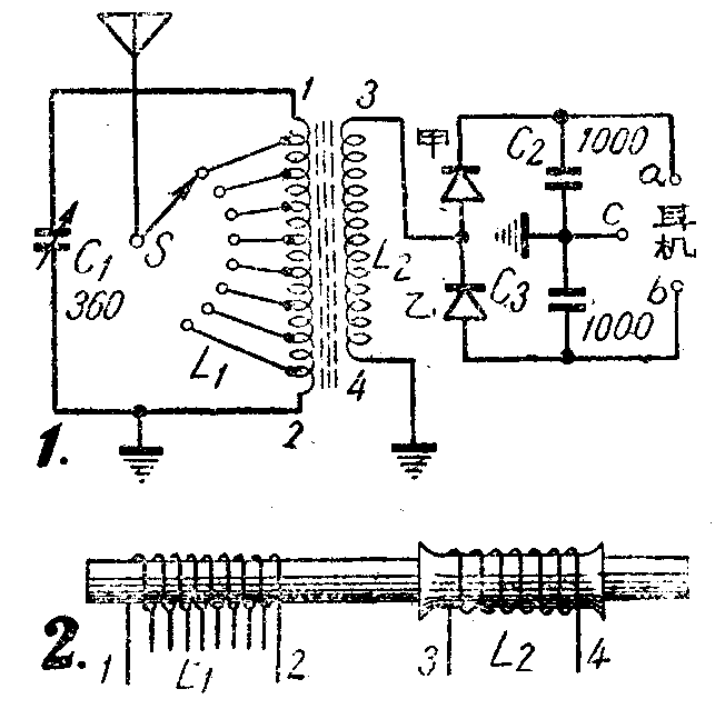
这只矿石机线路如图1。它采用华北厂的M4型磁性瓷棒绕制线圈。磁棒直径10毫米、长140毫米。线圈绕法见图2。L\(_{1}\)是用英规24号漆包线直接密绕在磁棒的一端,这样可以减少漏磁,提高线圈效率。L1共绕56圈,每7圈抽一头,首尾用黄蜡布压紧牢固,线圈上面涂上一层万能胶。L\(_{2}\)用同号漆包线绕在预先裹在磁棒上的厚纸筒上,使它可以在磁棒上左右移动。这只线圈也是密绕56圈,它不起调谐作用,只是与耳机取得匹配,并和L1作最适当的交连,以取得最好的灵敏度和选择性。检波器使用二只活动矿石作为倍压式检波。装接好以后试听时,接上天地线,先把调谐电容器C\(_{1}\)和分线器S转到中间,把L2向L\(_{1}\)靠近,将耳机插在a和c二孔内,拨动矿石甲的探针,使能收到电台播音,再转动C1对准一个电台,再拨动矿石使声音达到最响的程度。然后将耳机插入b和c两孔,用同一方法把另一矿石乙也调得最响。调整时注意把两个矿石的响度尽量达到一致。调好后将耳机插入a和b两孔,这样矿石机便成为倍压式的了。调节L\(_{2}\)时,距离L1近声音可以响些;距离L\(_{1}\)稍远,则选择性要好些。当分线器S转向(1)的方向时,对于收听频率在800千周以下的电台响些;转向(2)的方向时,则收听1200千周以上的电台响些。根据收听地点和环境的不同,适当调节C1、S和L\(_{2}\)便可得到最满意的结果。
这只矿石机因为用了磁性瓷棒,线圈Q值较高,所以天地线简单些也可以满意地收音。制作时接线要用较粗一些的,可变电容器C\(_{1}\)最好是用空气绝缘介质优良的一种,焊接要牢紧,这样损耗减少,对无放大能力的矿石机来说是很有益的。(王长振)