普通音频放大器用来放大的音频范围最多不超过20—30周到20千周,整个频带不算很宽,制作比较简单。
电视出现以后,就为放大器提出了一个新的任务。因为电视发送的是对象的光特性转变而成的电变化,是一个比音频信号变化更多的电信号,这里面包含的频率从几周到几百万周,频带宽度通常达5兆周。要放大频带这样宽的电信号需要用所谓“宽频带放大器”。宽频带放大器在电视设备里用来放大可见图像的电信号,所以也叫视频放大器。
(一)频率失真和相位失真
在普通的音频放大器中。以阻容耦合放大器的频率特性最好,加上简单的校正网络,就可使频率特性曲线的平直部分变得非常宽广,适合放大宽频带的电信号。因此,宽频带放大器是以阻容耦合放大器为基础的。
放大器具有频率失真和相位失真。所谓频率失真是指在频率较高或较低时放大器的放大倍数变化而引起被放大信号的失真;所谓相位失真是指在频率较高或较低时放大器输出电压产生相位移动(超前或滞后)而引起被放大信号的失真。下面我们先谈一下阻容耦合放大器的频率失真和相位失真。


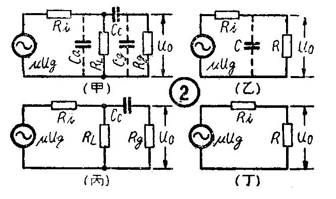
图1甲是一个阻容耦合音频放大级的电路。其中U\(_{g}\)为输入电压,Uo为输出电压,R\(_{L}\)为屏极负荷电阻,Cc为耦合电容,R\(_{g}\)为栅漏电阻。虚线表示的两个电容器并不是实际另件,Ca为电子管屏极、阴极间的极间电容与接线跟地(机壳)之间的分布电容的和,C\(_{g}\)为下一级电子管的输入电容。由于电路里不可避免地有Cc、C\(_{a}\)及Cg,使较高和较低频率的放大受到限制,这可以从放大器的等效电路(图2甲)看出。图中用具有内阻R\(_{1}\)的等效发电机μUg去代替电子管的作用。在研究它的特性时,可以把它所要放大的频带分为高中低三段,在高频段,电容器C\(_{c}\)的容抗很小,不起作用,等效电路就可简化如图2乙,其中C为Ca与C\(_{g}\)的和,R为Ra与R\(_{g}\)并联后的合成电阻;在低频段,电容器Ca和C\(_{g}\)的容抗很大不起作用,等效电路可简化如图2丙;在中频段,Cc、C\(_{a}\)和Cg都可认为不起作用,等效电路就如图2丁。从这些等效电路中可以看出,在中频段,放大器的负荷是纯电阻,输出电压U\(_{o}\)和输入电压Ug成正比,不会因频率不同而有所改变,因而它们的比值即放大倍数为常数。同时,由于等效电路中没有电抗性元性,也不会产生任何相位移动。在高频段,放大器的屏极负荷包含电容器C,它的容抗随频率改变,频率增高时,容抗下降,于是对电阻R所起的分路作用增加,因而使输出电压U\(_{o}\)降低,也即放大倍数减小,产生频率失真,此外,由于电容器C的存在,也会使输出电压Uo具有一个较滞后的相位移动,即产生相位失真,如图3中实线部分所示。在低频段,放大器的屏极负荷包含电容器C\(_{c}\),频率降低时,Cc容抗增大,它的电压降也增大,于是输出电压U\(_{o}\)降低,即放大器的放大倍数减小,产生了频率失真。此外,由于Cc的作用,还将使输出电压U\(_{o}\)具有一个较超前的相位移动,即产生相位失真,这也可从图3的实线部分看出。

电视中的放大器,需要放大的信号频带即宽,又要求经过它放大后的信号没有失真,因为频率失真会使图像不清晰,而相位失真又会使图像出现双重轮廓等缺陷。所以,普通的阻容耦合放大器不能担任电视的放大任务。
然而,我们如果掌握了引起失真的原因,就可想办法校正这些失真。实际的宽频带放大器就是在阻容耦合放大器中附加某些校正网络而构成的。
由于相位失真和频率失真是由电路中相同的电抗性元件所引起,所以频率特性和相位特性紧密的连在一起,当频率特性变坏时,相位特性也变坏,反过来,当频率特性变直时,相位特性也跟着改善。在通常的宽频带放大器中,校正频率失真的同时也在很大的程度上校正了相位失真。因而,在以下的讨论中,我们着重分析频率失真的校正。
(二)高频校正
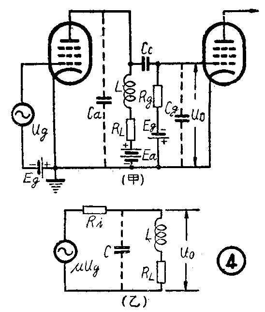
前面已经讲过,高频段频率特性曲线的下降是由于电容器C\(_{a}\)和Cg的分路作用,减小它们的电容量当然可以减小失真,但是这个办法很难实现。现实的办法是在负荷电阻上串联一个不大的电感,这个电感就是最简单的校正网络,用来校正高频段的下降,它的线路如图4甲所示。如果L和R\(_{L}\)选择得正确,高频段的频率特性曲线将大为展宽,相位特性也会得到改善,如图3甲、乙虚线所示。

这种线路的工作原理可以从图4乙的高频段等效电路看出。当频率增高时,电容器C的容抗逐渐减小,但由于接有大小适当的电感L,使LC组成的并联谐振槽路(槽路内包括R\(_{L}\)),在高频段放大开始下降的一点起,槽路表现出并联谐振的特性,因为并联谐振槽路的阻抗在频率接近谐振时最大,而放大又与负荷阻抗(即该谐振槽路所表现的阻抗)成正比,所以在接近谐振频率的范围内,放大级的放大增强了,因而校正了高频段特性曲线的下降(图5)。

不过,谐振槽路的Q值不能太大,否则放大过甚,又将引起失真。通常都使Q值小于1,在图5中以曲线Q\(^{3}\)最为理想。

图6甲是广泛采用的复合式高频校正线路。其中的校正网络包含电感L\(_{1}\)和L,前者还并有一个电阻R1。在低频和中频段,L\(_{1}\)和L的感抗很小可以忽略,R1也因被L\(_{1}\)短路而忽略,这就是说校正网络不起作用。在高频段,L1和L的感抗都增大,校正网络发生作用,等效电路如图6乙所示。电感L\(_{1}\)把电容器Ca和C\(_{g}\)分开,L和Cg组成谐振槽路,作用与上述的简单校正线路相同;R\(_{1}\)的作用是在频率甚高时对Ll起分路作用,使阻抗不致太大。
由于电容器C\(_{a}\)和Cg被分开了,这就减小了对线路的分路作用,因而有可能得到比简单校正线路宽得多的频带,或者在两者频带相同的情况下使放大器的放大倍数提高很多(放大器的放大倍数和频带的乘积为常数),于是放大级数就可减少。
(三)低频校正
我们已经知道,频率特性曲线在低频段的降落是由于耦合电容C\(_{c}\)的缘故。增大Cc的电容量当然可以减小低频段的失真,可是实际上C\(_{c}\)的电容量不可能太大,因为这样必然使它的体积变得很大,而庞大的电容器与机壳之间的分布电容却是很大的,于是增加高频段的频率失真。

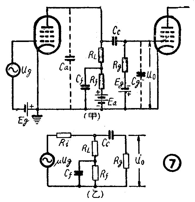
低频段的失真也可利用校正网络来校正,图7甲就是最常采用的线路,其中R\(_{f}\)及Cf构成了校正纲络。在高频和中频段,电容器C\(_{f}\)的容抗很小,Rf被短路,所以校正网络不起作用。在低频段,C\(_{f}\)容抗增大,校正网络发生作用,等效电路如图7乙所示。可以看到,现在电子管的屏极负荷电阻是Rf及C\(_{f}\)并联后与RL串联相加的和,当频率减低时,C\(_{f}\)的容抗逐渐增大,分路作用减小,屏极负荷电阻于是增大,因而输出电压增大,也即校正了低频段频率特性曲线的下降,如图3甲虚线所示。同时,由于Cf的存在,在低频段将使输出电压U\(_{o}\)引起滞后的相位移动,校正了原来超前的相位移动,于是相位失真也得到改善,如图3乙虚线所示。
除了改善频率特性和相位特性以外,R\(_{f}\)和Cf也构成了屏极电源的去耦滤波器,使多级放大器的各级用同一屏极电源供电时,工作更加稳定。此外,由整流器出来的交流分量(这将引起交流声)被电容器C\(_{f}\)旁路,因此,滤波情况也得到改善。
为了增大校正作用,当然应该增大电阻R\(_{f}\)的阻值,但是Rf不可能增加到很大,因为这个电阻上要降落一部分屏极电源电压。
(四)宽频带放大器实例

图8是一个典型的电视接收机的视频(宽频带)放大器线路。这个线路包括两级放大。从电视接收机检波器输出的视频信号电压加到第一级放大器的栅极上,经两级放大后才送到显像管去。在第一级放大器的屏极电路中同时使用了高频校正及低频校正网络,第二级放大器的屏极电路中只使用高频校正网络。(钟益棠)