许多高级和比较新式的产品收音机,在调谐设备方面都采用了琴键式开关。这种开关形式新颖,使用上也比普通旋转式的具有更多的优点。但是构造上一般的是比较复杂,而且成品无处可买。最近我花费了不多的钱,自己动手制作了这样一只琴键开关,结构简单,使用灵活,所用材料也是容易买到的。装在自制的收音机上,用来作音调控制和拾音器变换等,给自己设计装配的收音机增加一些声色。
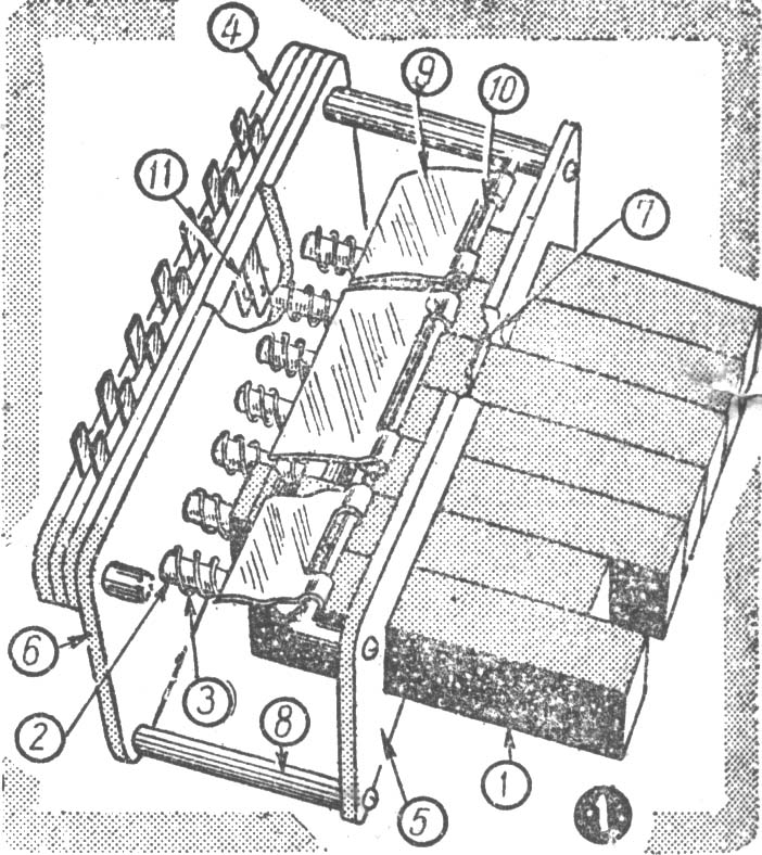
我自制的这只琴键开关由七个键组成如图1。其中第1和2两键为一组,3、4和5三个键为一组,6和7两键为一组。“琴键”本身是由市上买来的刻制图章用的滑石(图中①),颜色不 一,可按自己喜爱和配合整体色调选购,开关的整个结构尺寸可按“琴键”的尺寸来设计。一般市上所售图章滑石尺寸为19×19×80公厘。图1说明整个开关的结构。其中②滑杆是由化学筷子改制,在滑石一端开启适当的洞,用万能胶将滑杆和滑石粘牢。③弹簧是用直径0.5公厘的钢丝绕成。④接点架由胶木板条并合,接点片是用普通黄铜皮剪成条形,夹在板条中间(见图1中11,接点群按琴键的距离排列分开,由接点架夹紧。⑤和⑥是前后两片主要支架,是用6公厘厚的塑料板制成,⑦是止推片,是在滑石上适当的地方上下开两道槽,将1.5公厘厚的隔电板剪成合适大小用万能胶粘在键上,是防止琴键退出时被推出支架以外的。⑧是四根黄铜棒支柱,两端镟有凹入螺丝槽,这样旋入螺丝把整个开关固定好。⑨是止动卡板,是用0.8公厘厚的铝板剪成。⑩止动卡板支架,是直径2公厘的铜棒用锡焊牢在铜支柱上的。琴键的加工并不困难,不需使用特殊工具,但滑石质软,加工必须小心,弹簧压力不宜太强,否则回弹时止推片猛力撞击面板,容易损坏。滑杆在后支架板上的穿孔必须正确光滑,免得卡住。卡板与琴键的接触面也要打光磨平,使与各接触面相等。如高低不平,将会引起按入新键时由于推不起卡板,会有原已按入的琴键弹不回来的情况。

开关的动作是这样的:当按入某一键时,滑杆②推动接点闭合或打开电路,同时弹簧④被压缩。这时止动卡板⑨由于自身重力作用自动卡入琴键的凹槽里,使琴键停在按入的位置,保持接点相接或打开的动作。在需要转换开关时,按入同组另一琴键,动作如前。这时由于新键按入时尾端推起止动卡板,原已按入的键便弹回原处完成了自动转换的作用。如需做各不相关的开关几组,将卡板彼此分开即可。
我的琴键目前是作下面两种用处:(1)用来接入“拾音器”和接入“收音”的转换如图2,将K\(_{6}\)按入便接入拾音器而K7成为开路断开收音机高频部分的乙电电源。这样放唱片时节省部分电力并增长高频部分电子管的使用寿命。按入K\(_{7}\)时改为收音而拾音器回路自动断开。(2)中间三只琴键用来控制调节低音音调如图3。当K5按入时,K\(_{4}\)或K3自动跳开;当K\(_{4}\)或K3按入时K\(_{5}\)又自动跳开。另外还有一组两只琴键(K1K\(_{2}\))还可以作一些其他用途,例如在有必要和许可按装差频振荡器的收音机里可以接作转换差频振荡和自动音量控制的开关如图4线路,这里不再详谈了。(张苹)
