去年在北京举办的国产收音机观摩评比会上,国营上海广播器材厂展出过一种14灯落地式收音、电唱、录音三用机(型号532)。从展出到现在,原机经过该厂不断改进,特别对于放音音调的优美动听,比原设计有了显著提高。改进后的机件为16灯机,仍包括收音机、电唱机和录音机三个部分,每一部分能单独使用,也能联合使用,录制收音或唱片节目。
机件性能
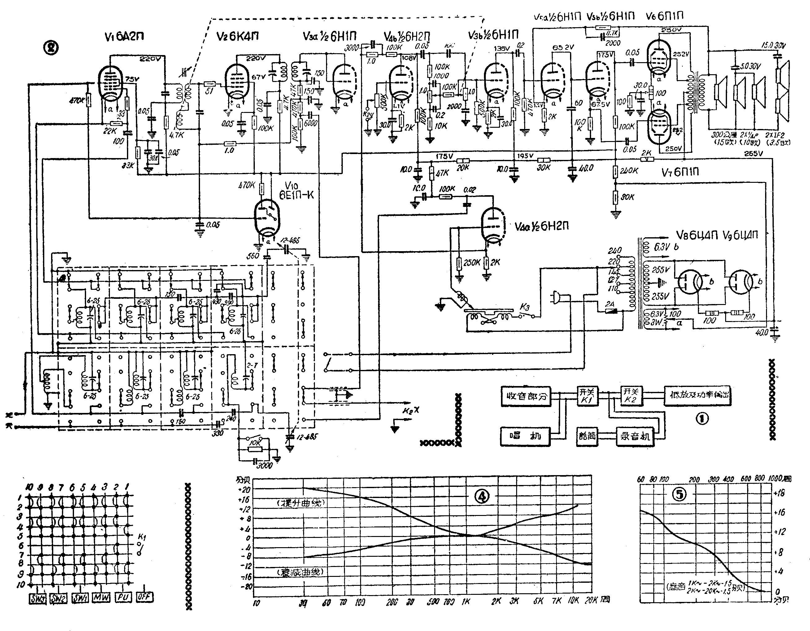
收音机 共使用10个电子管,内收音部分与该厂另一产品131型七灯机相同,有磁性天线,琴键式波段开关;改进后的机件,低放部分除有高低音分开的音调控制外,加装了唱机低音补偿网络,推动级改用阴极倒相电路,末级放大改用所谓“超线性放大”电路,使音调进一步改善,失真率也达到最小;另外,在降低交流杂音比方面,现在的电路也比过去的提高了-10分贝。改进后的机件性能如下。电源电压:110、117、145、220和240伏交流;功率消耗:180瓦;收听波段范围。中波520—1600千周(576—199公尺),短波Ⅰ3.95—7.6兆周(75—39.4公尺),短波Ⅱ9—12.1兆周(33.3—24.7公尺),短波Ⅲ14.9—19兆周(20.7—15.6公尺);频率响应:60—15000周,±2分贝,低频灵敏度:唱机输入400周时不大于15毫伏;交流杂音比:-42分贝;失真度:包括仪器失真,60—7500周,不大于1.5%(末组为0.75%),7500—15000周,不大于3.5%(末级为1.2%);额定输出功率:6伏安。其它如选择性、灵敏度、像频抗拒比等与131型机相同(见“无线电”1958年第9期介绍)
唱机、录音机 唱机与录音机均系上海录音器材厂产品,经与该厂协作改进,目前唱机改用该厂941型四速(78、45、33\(\frac{1}{3}\)、162;3转速)唱机,采用动圈式唱头,任何种类转速的唱片均能使用,非线性失真200—400周为10%,400周以上不大于7%。
录音机系该厂810型,有两种转速:快速19.05公厘/秒,慢速9.5公厘/秒,能在同一磁带上作上下两次录音。录音机灵敏度为8毫伏,频率响应(快速)60—8000周±3分贝;非线性失真(快速)60—8000周小于2%,噪音电平-32分贝。
喇叭与木箱为了达到立体音响以及声压比较平衡,在喇叭分布方面,左面(唱机下)是2只1F2中音椭圆形喇叭(口径125公厘),右面(录音机下)上面是2只1/4PF高音喇叭,下面是1只低音喇叭(口径300公厘)。木箱内壁四周敷有2.5公厘厚呢毡,小喇叭后面有木制隔音罩(减少渗音),中音喇叭下面有150×300公厘的低音出音孔。(桦羚)


图注
1.16灯机方框图;
2.532型三用机收音电唱部分线路;
3.532型三用机录音部分线路;
4.高低音调提升衰减曲线;
5.低音补偿曲线。
