苏联“红宝石”牌电视机是我们常用的一种电视机,它的结构和性能已在本刊1958年第12期介绍过,这里再介绍它的维护检修方法,供电视机用户或修理工作者们参考。
苏联红宝石电视机,基本另件一共装二层,分四个部份。上层:帧扫描、行扫描;下层:视频部、伴音部、高频部(在下层前面单独组成),线路图请参考本刊1958年第12期第22页。

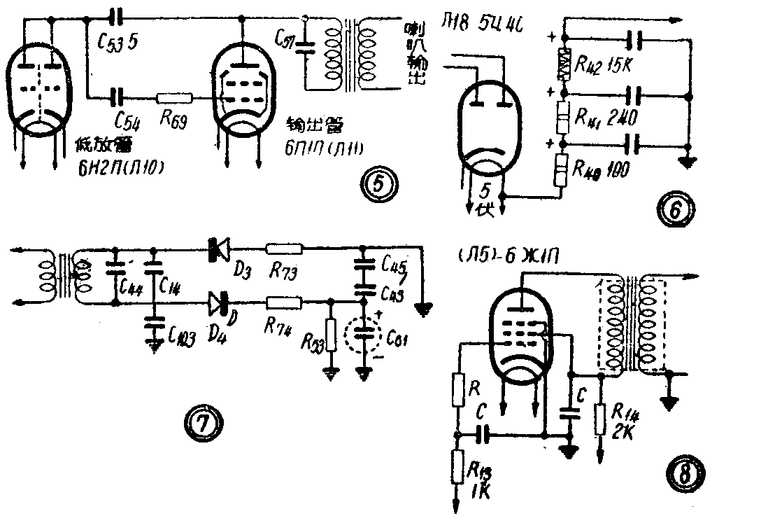
(一)显像管荧光屏不亮,各管灯丝明亮,接触后板唱头输入无嘟嘟低放叫声。
故障:电源处高压保险丝(0.5安)断。照原规格将保险丝换上。换上保险丝后又断,或常断保险时,低压整流管5Ц4C有时打火,将(Л18和Л19)二管对换位置,可解决这类毛病。
(二)显像管荧光屏发光只有一条极亮的水平线。
故障:①帧扫描振荡管6HlП(Л12)失效。
测试:6H1П(Л12)和行扫描振荡管6H1П(Л13)二管位置对换。
故障:②帧输出管6П1П(Л17)失效。
测试:6ПlП(Л17)和伴音输出管6ПlП(Л11)=管位置对换。
故障:③并连在帧输出端的电容器C\(_{1}\)01(2200微微法)打穿。
测试:用500伏电压表测量输出变压器初级,电压表正端接帧输出6ПlП(Л17)屏极,负端接地,电压正常时为250伏;若用同样方法测量输出变压器另一端时电压相同,则并连在帧输出变压器初级端电容C\(_{1}\)012200微微法已经打穿。初级端用直流欧姆表测量,阻值正常时为1340欧。
故障:④帧交连变压器初级端2.2兆欧电阻(R\(_{9}\)0)断路(外表无烧坏现象)。
测试:用直流表测量。
故障:⑤帧偏转线圈内部短路。
(三)显像管帧幅度不够,二边较亮中间阴暗。
故障:①帧输出变压器初级短路。
测试:照图2用欧姆表测量。
故障:②并连在帧输出变压器初级端电容C\(_{18}\)(2200微微法)漏电。
测试:如图2。

故障:①行同步分离及行扫描振荡管6HlП(Л13)失效。
测试:将6HlП(Лl3)和帧振荡管6HlП(Л12)二管位置对换。
故障:②行输出管6Пl3C(Л14)失效。
故障:③并连在行偏转线圈端的电容器C\(_{1}\)00(l80微微法)打穿。
测试:正常时一端电压为600伏,则另一端对地为900伏。
(三)显像管荧光屏不亮,但能收到电台伴音,旋动行同步旋钮时有行振荡嘘嘘叫声。
故障:①高压整流管1Ц11П失效(Л16)
故障:②高压变压器次级部份短路。
测试:用20000伏电压表测量高压整流管lПllП(Л16)到显像管屏极间的电压。无20000伏电压表时改用起子接触法:电压正常时距离1公分时即应该有火花,因电压为15000伏左右的高压,为了安全,测试时应该戴高压绝缘手套。
故障:③行偏轴线圈短路。
测试:将行偏转线圈从底座上拔下,若此时即能恢复高压输出(即15000伏左右的高压),证明行偏转线圈短路。
(四)显像管荧光屏不亮,但能收到电台伴音,旋动行同步旋钮时有行振荡嘘嘘叫声,有高压15000伏输出。
故障:①显像管(Л20)43ЛK3Б管颈上之离子阱磁铁位置不对。转动磁铁位置仍无亮光时,可将离子阱磁铁前后倒一过方向。再转动位置(此类故障很普遍)。
(五)显像管荧光屏不亮,旋动行同步时无行振荡嘘嘘叫声,测量显像管屏极无15000伏电压,发现阻尼管6Ц10П(Л15)屏极发红。
故障:①高压屏极线圈(至高压整流管Лl61Ц11П屏极)内部和铁芯打火。
故障:②高压初级线圈因玻璃线绝缘不良碰地打穿。
(六)显像管荧光屏不亮,有电台伴音,旋动行同步旅钮时有行振荡嘘嘘叫声,但至显像管屏极处无电压。
故障:①2瓦3干欧电阻(R\(_{3}\)0)烧毁。
(七)显像管屏幕不亮但管颈部发红光。
故障:①显像管内部磁极。
(八)能收到影像,但无电台伴音。
故障:①伴音部份之输出管6ПlП(Л1l)失效。
测试:将6ПlП(Лll)和帧输出管6ПlП(Л17)二管对换位置。
故障:②伴音输出管6ПlП(Л11)屏极上5微微法交连电容器C\(_{53}\)打穿。
故障:③伴音部分之电子管因振动和管座接触不良。
故障:④伴音部分电阻、电容器脱焊。
⑤低压整流5Ц4C管(Л18)灯丝输出端电阻R\(_{41}\)(2瓦240欧)烧毁。
(九)能收到影像,但伴音声小。
故障:①伴音鉴频二极管D\(_{4}\)失效。
(十)无影像,无伴音声。

故障:①高频部分的12瓦1千欧电阻烧毁。
②高频部的1瓦20千欧电阻烧毁。
测试:视频部分检查无故障,天线接触高频输入时无沙沙声,和接触天线外壳声音大小相同。证明高频部有故障,可再检查高频部分。
(十一)无影像,无伴音。
故障:①视频部第三级中频之R\(_{13}\)1千欧电阻及Rl42千欧电阻烧毁。
故障:②视频部第一、二、三级中频管旁路电容器6800微微法C3、C7、C5等打穿,大多数是电容器接点脱焊。
故障:③视频部管座受振和电子管脚接触不良。
(十二)能收到伴音、影像但同步不良。
故障:①高放管6H3П(Л1)和混频第一本地振荡管6H3П(Л2)二管极间变值。
测试:6H3П(Лl)和6H3П(Л2)二管对换位置即能解决。
故障:②高频部份微调调谐器未调正确。
测试:将高频部分箱外小孔内之振荡半调谐铜螺丝向外退出数转。
(十三)能收到伴音,但行不同步。
故障:①行振荡管6HlП(Л13)管内极间变值。
测试:6HIП(Л13)和帧振荡管6H1П(Л12)二管对换位置,即能解决。
(十四)能收到伴音。但显像管荧光屏除暗(亮度不够)。
故障:①显像管43ЛK36半失效。
测试:开启电源约十分钟左右时,亮度略有增加时,证明此管已经衰老。
故障:②低压整流管衰老5Ц4C(Л19)输出电压不够。
故障:③视频末级放大管6П9(Л7)失效。(王祖康)

