废灯泡做插头
如果你需要插头的话,可以利用报废的灯泡来自制。先把灯泡的玻璃去掉,刮净原来接钨丝的两条铜线,然后把这两条铜线分别与收音机(或其他电器)的两条电源线接好,最后用松香把接头封好如图。制作时要特别注意接头不能露出松香外面,两个接头以及接头与外壳的金属部分都不能相碰。(张永辉)

焊铝新方法
焊铝目前还没有一种普遍推行的先进方法,书刊上介绍得也很少。最近我们用锌同锡制成的一种合金来焊接铝制零件,效果很好,解决了生产上一个重大问题。
这种合金是用70%锡和30%锌(重量比)加热至600℃左右,使这二种金属溶化成为锡和锌的合金。焊接时先把铝的表面沙光,用一把75瓦的电烙铁,用这种焊料焊接铝制品就能焊得很牢固。焊接时不要再用松香和焊油了,用了反而不好。(蔡济生 沈仲康)
防止拉线打滑的小办法
收音机度盘拉线打滑,会给调谐和选择电台带来很大的不方便。在拉线上套用腊管或包胶布都很麻烦。现在介绍一个简单省事的小办法。
取松香一份研成细末,把它溶在酒精中,使溶液达到饱和点,即松香不能继续溶化时为止。把松香饱和溶液涂抹在拉线和转轴上,即细线的转轴和缠在转轴上的那段线全涂上松香溶液。少待片刻,酒精蒸发后,便剩下松香固着在线内,增加了线与轴间的磨擦力,这样直到拉线用坏了也不会打滑。(惠)
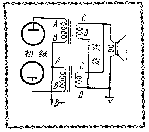
用两只输出变压器作推挽输出变压器
直流收音机,是气象站收听天气预报的重要通信工具之一,为了保证气象情报的完满抄收,我们自己装配了一批直流六灯收音机,其功率放大部份,是采用两只3S4电子管作推挽放大,但在市场上购不到推挽输出变压器,又购不到漆包线绕制。于是我开动脑筋,用两只3Q5或6V6型的输出变压器来代替一只推挽输出变压器,经试验音质很好,使用单位反映满意。特别是维修机器碰到类似情况无法解决时均可采用。但须注意的是两个变压器的初级要接成“串联”,次级要接成“并联”,如下图。(贵州气象局李震球)

底板钻孔小技术
铁底板钻孔时一般都要先在钻孔的部位敲一个小眼,使钻头不致滑动,但要在一架已装配好的收音机上钻孔,却不宜这样做,因为重力敲击往往会使一些零件震坏。我们可以在钻孔处焊一小块焊锡或者贴两条塑料胶条,那么在钻孔时钻头就不会滑动了。 (超)
