泰州市无线电修配厂在大闹技术革命高潮中生产了一种701型四用机,这种机器适合无交流市电的城镇和广大农村中使用。它的特点是除能收听广播、放送唱片、开会作话言扩大之外,还能代替电话机用。特别是在开电话会议时,不需话筒,只要面对着机内扬声器讲话,对方就能听到这里讲话的声音。如果对方要向这里说话,只要对方对着他那里的扬声器说话,这里也能听到对方说话的声音,作者曾在30公里的长途线路上作过试验,供数十人集会收听,效果良好。
电路结构

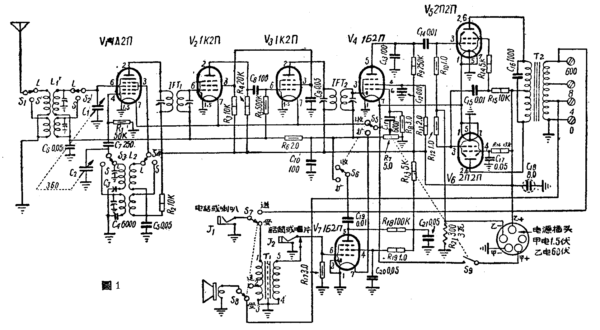
本机的线路见图1,收音部分:采用超外差式电路,用国产小型电子管1A2П作变频,1K2П两只作两级中频放大,1S2П作检波兼自动音量控制及音频电压放大,末级用两只2Л2П作推挽式功率放大输出。本机收音范围:中波波段550—1600千周,短波波段6-18兆周,用S\(_{1}\)-4波段开关调拨。扩音部分:用1SZЛ(V7)作传声器前置电压放大,与V4、V\(_{5}\)和V6组成低频放大电路。本机所有另件都装置在290×130×50公厘的铁板底座上(见图2)。

使用方法
1.收音:将S\(_{5}\)、S6扳向“收音”,S\(_{7}\)、S8扳向“受话”,转动R\(_{7}\),启开电源开关S9,再放动C\(_{1}\)、C2调谐旋纽,便能听到电台播音。
2.扩音:将S\(_{5}\)、S6扳向“扩音”,V\(_{1}\)、V2、V\(_{3}\)的灯丝电源切断,S7、S\(_{8}\)扳向“送话”。如用于开会做报告,可将传声器或拾音器插入J2,T\(_{2}\)次级改接反射式高音扬声器,声音更响;如配接的是簧舌式扬声器,可直接入J1插孔。
3.对讲电话:将S\(_{5}\)、S6扳向“扩音”,电话外线或对方的扬声器线(有线广播外线)插入J\(_{1}\)。向外讲话时,将S7、S\(_{8}\)扳向“送话’,对着机内扬声器讲话,讲话的声音振动了扬声器的纸盆而产生音频电流,由T1经V\(_{7}\)、V4、V\(_{5}\)、V6放大后,对方就听到很响的声音。如果听取对方讲话,将S\(_{7}\)、S8扳向“受话’,对方电话机或扬声器传来的声音也由T\(_{1}\)输入,同样经过V7、V\(_{4}\)、V5、V\(_{6}\)放大,由末级T2与机内扬声器耦合而发出响亮的声音。
4.代替电话机:要在电话线上并联一只高阻振铃(图3)。对方电话机摇来的讯号使电铃振鸣,再将电话线插入J\(_{1}\),便能听到对方的声音。如果高阻振铃不易买到,也可用普通低阻电铃代替。但是必须如图4配接一只低频变压器。本机除T1、T\(_{2}\)、T3需要自行绕制外(数据详下),其余另件市上均有售品。

变压器
T\(_{2}\)为输出变压器,铁心用18×18公厘E1型硅钢片。初级用0.11公厘漆包线绕3800圈,中心抽头。次级4欧用0.31公厘漆包线绕60圈,8欧用0.27公厘漆包线绕100圈。16欧用0.23公厘漆包线绕150圈,600欧用0.15公厘漆包线绕100圈。
T\(_{3}\)为电铃变压器,铁心与T2相同,初级用0.12公厘漆包线绕2000圈。次级用0.37公厘漆包线绕200圈。T\(_{1}\)、T2、T\(_{3}\)的铁心都要顺同一个方向嵌插,并留空隙,在空隙中衫垫一层薄纸,以防磁路饱和。
注意事项
1.本机J\(_{1}\)输出阻抗为600欧,除能与电话外线匹配件,也能配用簧舌式扬声器。如配用低阻扬声器时,必须加用线路变压器。
2.在扩音或电话对讲时,有时会产生叫啸声。可以调节R\(_{7}\)从而免去叫声。
3.本机适用于空气甲乙组合电池,如停止使用时,除将电源开关关断,最好将五脚电源插头从电池上拔下,以免消耗电流。(李泰义 潘家驯)