在工农业大跃进的同时,我国电视事业正在迅速发展。不久我们会看见许多城市出现电视台,这为我国广大的爱好者们开辟了一个崭新的园地。本刊为满足读者们的学习需要起见,除经常介绍许多国产或其他常用的外国电视机外,我们还将选择介绍一些用零件、电子管少的电视机,以供大家参考。这里介绍的一种小型电视机,用六只电子管也可作成,虽然其中有些材料或许不易购置,但这张线路供大家学习参考还是有价值的。——编者
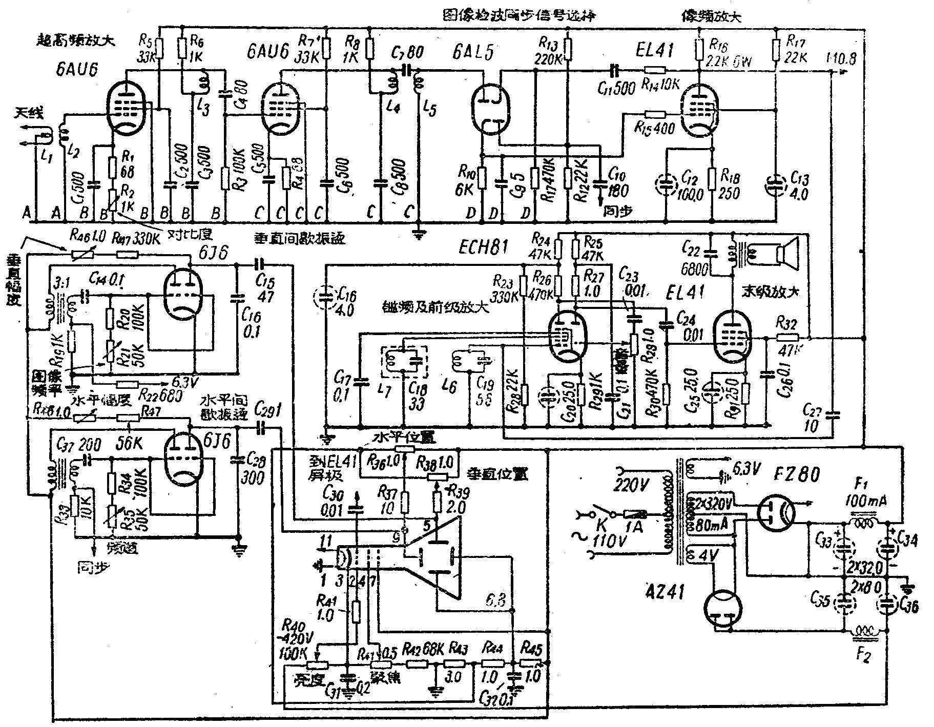
这部小型电视接收机是专门为业余者而设计的。假如不算两极管连阴极射线管一共只用了八只电子管,但是用七只电子管甚至于六只电子管也可以装。极大部分零件都是非常容易获得的。图像尺寸6×8公分。
机器底壳、面板用2公厘的铝板做成,后部面板用厚2—3公厘的胶木板做成。显像管放在一个以铁皮制成的壁厚为3-4公厘隔离罩壳内。本机线路见附图,整流部分用普通的电源变压器获得全部所需电压。变压器的次极是2×320-350伏,80毫安,经过普通的全波整流(EZ 80)和良好的滤波后在有负载的情况上仍有250-280伏的直流电压输出。一只屏极线圈和AZ 41管连起来作整流,电流只有几个毫安,在峰压时8微法的电容器充电,因两电压串联,因此得到显像管所必需的700伏加速电压。

显像管是用绿色光辉的匈牙利MO 8型管。一个由电位器及几只电阻组成的电压分配器供给了显像管所需的各种不同电压。显像管灯丝可以和其他电子管一齐燃点。如变压器有两个6.3伏的线圈那么就用另一个6.3伏线圈来燃点显像管灯丝。
扫描发生器装在后部面板上。两只锯齿波发生器都是间歇振荡器,用6J6管或任何其他双三极管均可。垂直间歇振荡变压器是一只1:3的低周变压器。水平间歇振荡变压器是用1平方公分面积的铁心上,栅回路线圈绕200圈、屏回路线圈绕300圈、都用直径为0.1—0.15公厘的漆包线绕、层与层之间应该包绝缘布。电阻都用0.5瓦的碳质电阻。图像的尺寸大小及地位均用电位器来调节。我们可以50周的交流电源来同步垂直间歇振荡器,此电压可自灯丝不接地的一端取得。同步讯号分离选择级所取得的同步脉冲在这里被我们用来管理水平间歇振荡器。
本机以一枚EL41管作像频放大器。为了使低频率能更好的通过,因此阴极和屏栅极的泄放电容器都是用大容电量电容器。
本机以一枚6AL5双两极管来完成图像讯号检波器和同步讯号选择器的任务、图像讯号检波线路与无线电收音机里的大致相似。同步讯号的分离选择由两极管的另一半来完成,偏压约为20伏,我们从电压分配器取得(220仟欧-22仟欧)。在两极管的阴极通过阻容来控制复合讯号(10仟欧、500微微法)。我们又通过一只180微微法电容器从两极管屏极连到水平间歇振荡变压器来控制同步脉冲。
在超短波部分里以两只6AU6管作宽频带高频率放大。全部接线愈短愈好,这种方法我们在短波接收机中也是常见的。在我们机器的超短波级里“一点接地”方法,底壳上装有四只焊片,把所要接地的全部零件都焊接在这些焊片上(如A.B.C.D)。第一只6AU6的阴极回路内的R\(_{2}\)是作为对比度调节用的。线圈管是胶木管,直径约为11公厘,用0.8公厘的漆包线绕制,每圈间隔为1公厘,圈数如下:L2=13, L\(_{3}\)=11,L4=13,L\(_{5}\)=15圈。L1=3圈,中心抽头,以0.3公厘丝包线绕成。L\(_{1}\)应该绕在L2线圈每圈的中间,并且要以漆或腊封固。泄放电容器的数值可自250-1000微微法中自由选择,但必须是云母或者是瓷质的。前后级交连电容器为80微微法。线圈与线圈之间的距离应该很远,以免产生感应。
本机用“内载波”方法来接收伴音。图像讯号和声音讯号一起放大,然后产生一个中频(在我们这个机器里中频为6.5兆周)。调幅图象信号与调频声音信声互相调和、互不干扰。用ECH81(或6И1П)管的七极部分作鉴频,它完成调频解调、限幅、前级音频放大三个任务。L\(_{6}\)和L7线圈以及和它们并联的瓷质电容器组成了调谐电路。线圈管的直径为11公厘,L\(_{6}\)=24圈,以0.3公厘漆包线绕。L7=42圈,以0.2公厘漆包线绕,两个线圈须加铝罩隔离。ECH81管的三极部分作前级音频放大,然后由末级放大管EL41管输出。这部机器用9公分直径小扬声器。若要得到好的声音效果,我们还可以从ECH81管的屏极(七极部分)通过0.01微法电容器直接交连到收音机的拾音器插头里。同时这样一来可这样可省掉末级放大管EL41、输出变压器以及扬声器,此外甚至乙电源的整流部分也可取之于收音机。((匈牙利)佐尔丹·贝乐原著 本刊根据匈牙利“无线电技术”资料编写,陆费珪译)