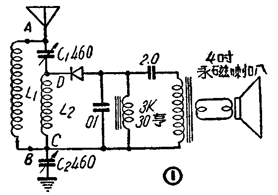
我也试制了一架无电源收音机(线路如图1)。矿石的灵敏度比较高,是正向电阻与逆向电阻4000:500千欧姆的固定矿石。晚上用4寸磁钢喇叭放音,一室内清晰响亮。我的天线不满十公尺长,离二层楼的屋顶只有一公尺高,发音响亮的原因主要是接线和线圈接线粗,而且焊固,损耗电阻小;线圈圆心直径大,Q值高。线圈绕法如图2。调谐电容器C\(_{1}\)、C2都是空气式的,C\(_{1}\)跨接在L1与L\(_{2}\)A、D两头上。这样不但调整两个线圈的波长范围,同时也做了初次级的活动耦合电容器,把所需要的波长从天线耦合到矿石去检波。在耦合的过程中同时也完成了调谐,所以选择性与音量都好。一般矿石机频率高的一段音量高,频率低的一段音量下降。现在有这个活动耦合电容器当频率低的时候因为电容器旋进,提高了耦合系数,因此补充了频率低的一段音量,各电台平均音量很平匀。


这个线路不用地线用听筒听仍旧很响亮,不用天线只接根地线在天线柱上,音量也没有显著降低,不过刻度盘上电台有些搬动,这两点对不便装天线和地线的爱好者们是大可一试的。
***
在第一个五年计划期间,我国已经能生产各种用途的电子管。这是北京电子管厂生产出来的特大型高功率发射机用管(左)和半导体电子管。(张光炎)
