1.最近日本进口的小型插在耳内的单听筒,其构造如何?能否直接用在交流和电池收音机上?
答:这是晶体耳机,如加上过大的电压,就会因震动过度而碎裂。不能直接加在电子管的屏极回路作负荷,应以一适当的电阻作电子管的负荷,而在耳机两端各串连一个0.1微法的纸质电容器再分别接在电阻的两端来取得音频电压,阻止高压直流的通过。但最近有外形相同的塞耳式国产耳机,是1500欧电磁式的,则用法和一般的耳机相同。
2.矿石机的旁路电容器不要可以吗?用多大的电容量才合适?
答:这个旁路电容器是作为检波后残余高频电流的通路,以免在耳机内通过以及作为平滑音频电流之用的,不用时影响不大。它的容量须视耳机而定,约自0.001-0.006微法。
3.用北京牌6A2П做变频的收音机,如想收三个波段,应购何种售品线圈?
答:可采用振荡线圈为抽头式的三波段线圈,例如美通555或610-S,620-S,630-S单套线圈组成,力士830S式亦可用。
4.美通线圈553可否以554或556代用?
答:美通553的振荡线圈是抽头式的,配合6SA7等变频管使用,554及556振荡线圈是回授式的,6SA7如使用这类线圈时,须将接线方法变动,请参阅本社出版“超外差式收音机”一书33页改接。
5.功率放大管不易买到,可否用其他电子别代替?使用中有什么要注意的?
答:可用普通三极管或五种电压放大管代替,后者最好是遥截止式的如6SK7、6K4П等,可以在音频变动较大时也不致失真。这些电子管的输出可够一般家庭放音之用。输出变压器的初级阻抗应选用较高的,如有失真,可加大它的栅偏电阻,五极管还可在帘栅上串连一个2K-10K的电阻及0.1微法的旁路电容器。
6.一般检波电容器为何都是用云母的,纸质的可否用?
答:云母电容器的绝缘较好,适宜于高频电路里应用,所以有高频电流通过的栅极电容器多是用云母的。纸质的也可应用,但绝缘不及云母的好,体积也较大。
7.四灯收音机用的110伏的电源变压器用于220伏时,可否串连一只电灯泡代替电阻降压?用什么样的合适?
答:可串连一个110伏25—40瓦的电灯泡。
8.五灯收音机上的电源变压器,是否可以用自耦式的,如果能的话,市场上为何不通用这种型式,它有什么缺点?
答:可以,它的优点是体积可减小,简省材料;缺点是电源线有一根要和机壳沟通,使用时人身触及机上金属部分或天线时,容易发生电震或触电。售品收音机有很多是采用自耦变压器的。(冯报本答)
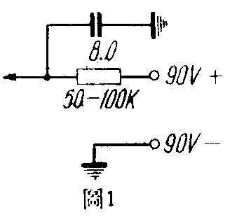
9.一架电池式三管机,线圈用美通336,电子管用1T4、1S5、3S4,乙电用90伏及45伏时老是有再生啸叫声,调再生电容器也不管事。后来乙电改用22.5伏才消失,但调再生电容器时无论如何也得不到再生,这是什么原因,应怎样修理?
答:此收音机发生的啸叫声并不是再生过强的啸叫声,而是乙电回路内回授振荡所引起的,故调再生电容器就不管事。当乙电降低后,各管的放大效率都减小,故振荡停止了,但再生也就不够了。解决办法可如图1所示加装一个50—100千欧左右的电阻和8微法左右的电容器作滤波,使3S4屏路中很强的信号不致回授至前级而发生振荡。

10.某有线广播站是用单线传输,故用耳机两条线插在地上能听到广播,这在去年问答栏上已说明,但为什么离站越远就越轻,且在与喇叭方向相背时则不响(如图2甲)何故?
答:因为单线广播时的电流在地中并不是集中于一条道上的而是像图2乙那样的,故离站越远电流的密度就越小,故在耳机中听得的声音就越小,背喇叭方向没有电流,当然听不见声音了。

11. 155A型收音机输出级6V6的屏压为什么不经过滤波扼流圈或电阻而直接接在屏极?
答:这样接是有些交流声的,但是由于五极或四极集射输出管是工作于屏流饱和状态(图3),故屏压中的交流成份对屏流的影响很小,且又无放大作用,故无大碍。

12.电报都是等幅信号,照理说一般没有拍频振荡的收音机中是听不到的,但实际上为什么常有“的的答答”的电报声?
答:在没有拍频振荡的收音机中由于等幅波的影响。在一些电感及电容元件中会引起瞬时脉冲,故也可听得出。有时由于和邻近的信号相差拍,那更易成为类似收报机那样的声音。(沈成衡答)
13.再生收音机检波级所用的6SJ7,如果以6SK7代替,原收音机内的其他零件要否更换?
答: 6SK7是遥截止的五极管,它的特性和6SJ7不同,用作栅极检波时,失真情况将比6SJ7严重些,但一般尚可使用,零件不必变动。
14.自制两级低放的再生机一架,校验时发生汽笛叫声,用起子将任何一个低放管栅极短路通地叫声即停止,请解答如何检修。
答:这是因为低放级之间产生回输而引起的音频振荡,这种振荡在两级以上的低放线路中最容易发生,它依交连电阻和电容数值的不同表现为高音频的汽笛声或频率较低的如汽船声的间歇振荡。可以增大去耦合电路中的电阻数值,减小低放管栅极电阻数值,减小交连电容器容量,在屏极增加高频傍路电容器以及增添负回授等一试,但有些电阻电容的改变将会略略影响音频输出的音量和音质。(郑宽君答)