应急办法:1.我们常碰到一些粗制滥造的收音机,一开机器,电源变压器就叫了起来。一般修理办法是把四周的螺丝钉紧一下,可是对于这种质量太次的机器却适得其反,越紧越叫得厉害,应该是松一些。因为叫声主要是发生在中间铁片松。两边越紧,中间铁片靠里的一边是紧了,而靠外的一边却更松,于是叫得更响。松一下四周的螺丝钉,可以使中间铁片里外边的松紧变得均匀,不信,可以试一下。临时用两三只洋钉插入铁片正中,也可解决问题。
2.扩音机的输出变压器损坏,可用电源变压器代替(高压线图作初级,初级线圈和次级灯丝线圈作次级),只要根据圈数比,重新计算一下它的阻抗就行了。
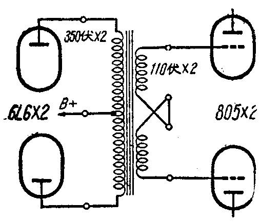
例如一只5灯机的电源变压器,可权作25、30或50瓦的输出变压器或805的输入变压器(见图)。

长波无力:502型等收音机振荡栅电容是47微微法,不是原电容量不足,就是常常变值。会将坏了的测试一下,只有10微微法!因此常发生中波振荡不强甚或间断性的振荡;而短波波段最短的一挡由于频率高,电容量虽小振荡效果仍旧正常。这种毛病检查比较不易。换一只100微微法的也行。 (严豆儿)