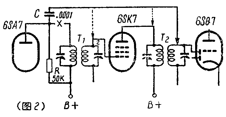
在变频管屏极接中频变压器处断路,加接50千欧电阻及100微微法电容器各一个,如图1。把自动音量控制短路,拔掉中频放大管6SK7,首先调整输出级中频变压器T\(_{2}\)的次级,把电容器C交连到第2检波管6SQ7小屏,如图2。这样就成了一架四管机,使收音机接收一个中波电台,这时因无中频放大级故音量很小,所以必须把音量控制器开至最大或接上天线,增加收音机的音量输出,以便调整。调整时可用本刊1956年11期11页所介绍之特制的小螺丝起子细心调整到音量最响亮清晰点,调整结束后,再依次调整T2初级,把电容器C接至初级见图2虚线1。依照上述方法调整。这时把中频放大管6SK7插上,把电容器c接到虚线2,调整中频变压器T\(_{1}\)次级,然后把电阻R和电容器C去掉、恢复原来线路后再调整T1初级,这时中频变压器调整基本结束。最后再把T\(_{1}\)T2的四个螺丝稍微调整一下,调整工作即告结束。(经梅初)

