一、有些干电收音机在乙电正极与地之间也接一只30微法的电容器(图1),我们知道干电池是不需要滤波的,那么,为什么要接这只电容器呢?(首弟椿)

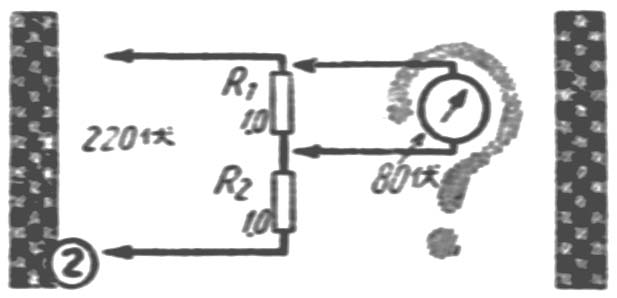
二、220伏的交流电压加在串接的两个1兆欧电阻R\(_{1}\)、R2两端(图2),那么,每只电阻应有110伏电压降。但用一只普通电压表依次测量时,每只电阻两端却只有80伏压降,两只电阻压降80×2=160伏,220伏-160伏=60伏。奇怪,这60伏电压到那里去了?(张雷)

三、量电阻用的欧姆表的刻度,为什么测的欧姆数值愈大,指数就愈不精确?
四、推挽式线路用的输出变压器是不是要比单管用的输出变压器的体积大一倍,为什么?(图3)

五、再生式收音机的度盘上,常常有一点引不起再生叫声,为什么?(郑明)
第二期为什么答案
一、图1甲的接法不及图1乙的接法好,因为按照图1甲的接法,当开关K断开时,虽然甲电已断路,但灯丝电路仍为通路,如果偶而不慎将甲\(_{+}\) 碰在乙+上,电子管灯丝就要被烧断;在图1乙电路中就不会有这个危险。
二、图2甲的接法正确,因为电子管1S5的抑制栅接地电位时起屏蔽作用。按图2乙的接法时,抑制栅上比地电位高出1.5伏,屏蔽作用就会降低。
三、这是因为变压器线圈具有很大的电感,当耳机接通瞬间,在线圈中就会感应出一个电压相当高的自感电势,这个自感电势经双手成一回路,因此电流通过全身而感到麻电。
四、耳机和一般电话听筒的最大区别是耳机的输入电阻比电话听筒大得多。因此当他们串联运用时,流过耳机和电话听筒的电流虽然相同,但由于耳机的输入电阻大,产生的功率也比电话听筒大,所以耳机声音比电话听筒大。若并联运用时,他们的两端输入电压是相等的,由于电话听筒电阻小得多,所以电流基本只流过电话听筒。而在电话听筒上发出了较大的声音。
五、用5伏电源去点燃6.3伏电子管的灯丝时,电子管阴极温度就会大大降低。这时,就很容易产生阴极中毒的现象,即向阴极表面扩散的钡原子,随着阴极温度的降低而减少,同时钡原子又会与其它元素相互作用,使阴极的放射性能逐渐丧失。这样就会缩短电子管的寿命。所以在使用电子管时,灯丝电压不要超过其额定电压,也不要低于其额定电压,否则将会缩短电子管的寿命,甚至使电子管不能工作(过低时)或烧毁电子管(过高时)。