Tу250/1000型扩大器有许多优点,其中之一就是它有延时控制及过负荷控制,保证了机内电子管及其它机件的安全。
Tу250/1000型机较易出故障的地方是电源整流层。因为那里有较多的开关及接触点,这是保证人身及机件安全所必需的。要检修电源整流层的故障,必须先了解它的线路、结构、及动作的过程,下面将简述它的结构及动作的顺序:
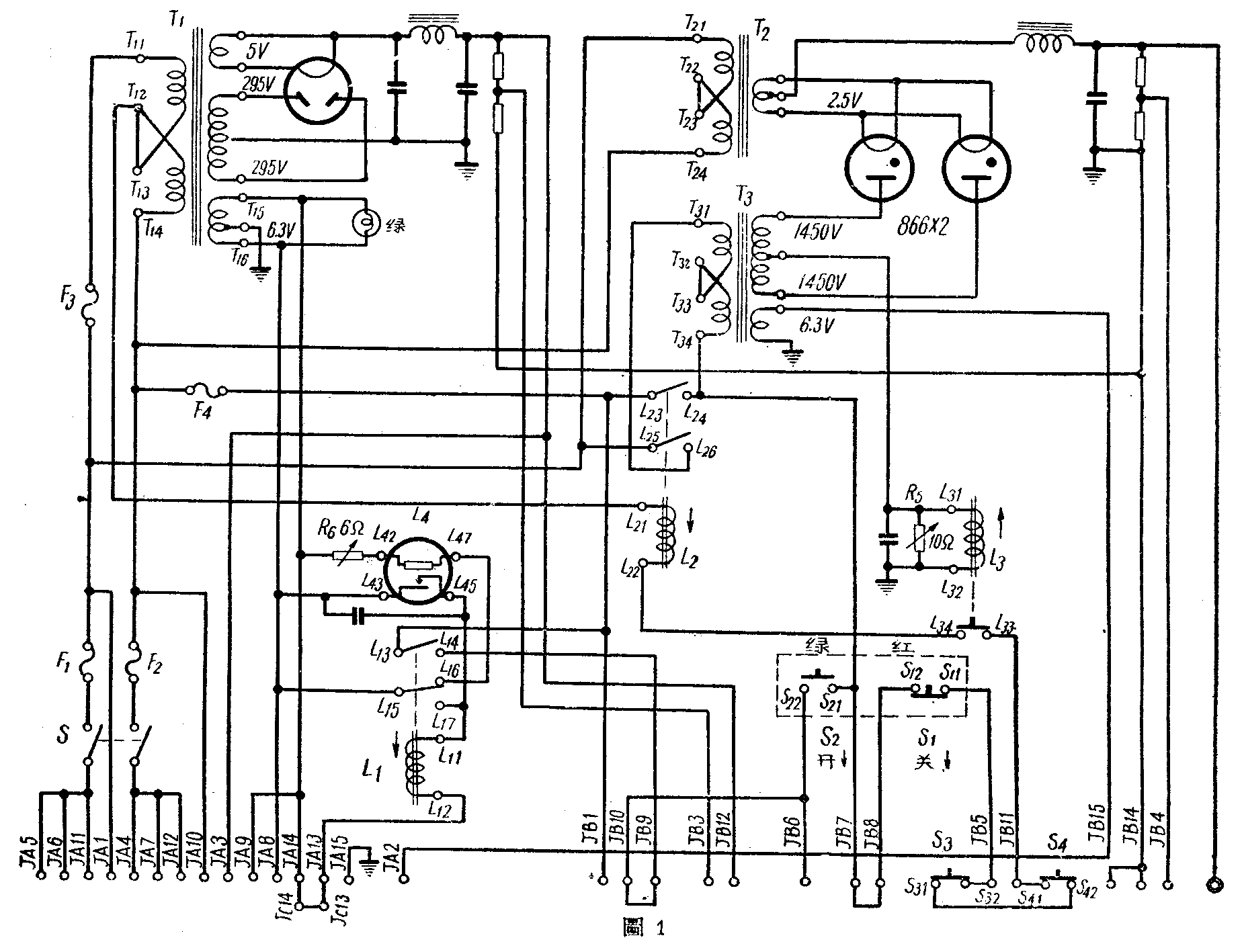
图1是电源整流层的线路,主要的自动控制机件是三个继电器及一个热控管。

当开关S接上电源后,变压器T\(_{1}\)及T2初级获得电源,整流管866灯丝便点燃了;然后产生下面一系列的动作(为了便于说明起见,将用不同符号代表电流所经各点,电流方向与顺序用小箭头代表):
1.热控管L\(_{4}\)的动作:变压器T1次级6.3伏供给L\(_{4}\)管内阻力丝以电流,电流所经各点顺序如下:T15→\(_{R}\)6→L42→L\(_{47}\)→L16→L\(_{15}\)→L16。
阻力丝发热后,使管内膨胀糸数不同之合金片发生弯转,接触的结果使L\(_{43}\)与L45成为通路。
2.继电器L1的动作:当L43与L45成为通路时,L\(_{1}\) 的线圈便获得了电流,其顺序如下: T15→J\(_{A14}\)→JC14→J\(_{C13}\)→JA13→L\(_{12}\)→L11→L\(_{45}\)→L43→T\(_{16}\)。
L\(_{1}\)的线圈通过电流后开始动作,将各接触点簧片吸向下方,于是L13与L\(_{14}\)接触;L15与L\(_{16}\)离开,而与L17接触。L\(_{15}\)与L16离开,截断了热控管L\(_{4}\)中阻力丝的电流,于是L43复与L\(_{45}\)离开。L43与L\(_{45}\)离开并不能截断L1线圈中的电流,因此时它的电流却穿过另外一条道路,顺序如下:T\(_{15}\)→JA14→J\(_{C14}\)→JC13→J\(_{A13}\)→L12→L\(_{11}\)→L17→L\(_{15}\)→T16。所以通过L\(_{1}\)线圈中的电流的通路,在动作前与动作后是不同的。
3.继电器L\(_{2}\)的动作:当L13与L\(_{14}\)接触后,才有启开高压的可能。此时如将开关S2按下,则S\(_{21}\)与S32接触,L\(_{2}\)中有电流通过,其顺序如下:F1→F\(_{3}\)→T11→T\(_{12}\)→L21→L\(_{22}\)→L34→L\(_{33}\)→JB11→S\(_{41}\)→S42→S\(_{31}\)→S32→J\(_{B5}\)→S11→S\(_{12}\)→S21→S\(_{22}\)→JB10→J\(_{B9}\)→L14→L\(_{13}\)→F4→F\(_{2}\)。L2的线圈突际上跨接在T\(_{12}\)与T14两点,这两点间的电压为110伏,因此推动L\(_{2}\)的电压是110伏。L2的线圈中有电流时开始动作,将各接触点簧片吸向下方。于是L\(_{23}\)与L24接触,L\(_{25}\)与L26接触,高压变压器T\(_{3}\)获得电源,866管开始整流,全机也就开始工作了。
当手从高压开关上离开时,L\(_{2}\)线圈中的电流并未被截断,因为此时L23已与L\(_{24}\)接触:L2线圈中的电流却从另一条道路通过,顺序如下:F\(_{1}\)→F3→T\(_{11}\)→T12→L\(_{21}\)→L22→L\(_{34}\)→L33→J\(_{B11}\)→S41→S\(_{42}\)→S31→S\(_{32}\)→JB5L\(_{2}\)线圈中的电流在S2按下与手离开S\(_{2}\)后,亦有两条不同的道路。
4.继电器L\(_{3}\)的动作:从图1可以看出,两只866整流管的屏极电流是经过L3的线圈、与并联在该线圈上的一个10欧电阻的。当这一电流在规定的数值内时,它所产生的磁力不足以使接触点L\(_{33}\)与L34分离,但超过规定电流数值时,L\(_{33}\)与L34就会被较大的磁力所吸开。
L\(_{33}\)与L34是L\(_{2}\)的线圈的电流的必经之道。如果L33与L\(_{34}\)被拉开时,L2线圈中的电流就被截断,磁力消失的结果使L\(_{23}\)与L24、L\(_{25}\)与L26分开,高压变压器T\(_{3}\)没有电源,强放管也就停止工作了。
L\(_{3}\)跳动后,重开高压时重复上述第3项的动作。
关机时将S\(_{1}\)按下,截断了L2线圈中的电流,同理使T\(_{3}\)的电源截断,866管不起整流作用。当S关闭时全部电子管停止工作。
如果电源整流层发生故障,我们只有将该层侧门打开,按照热控管、继电器动作的程序进行检查。侧门打开时各机件的分布状况如图2。

1.热控管L\(_{4}\)及其附件的故障:热控管及其附件有故障时,内部的接触点L43与L\(_{45}\)不能合拢。于是L1不动作,高压无法启开。
不能合扰的原因是没有电源供给,供给的电压太低或者热控管失效,没有电源供给时要检查保险丝F\(_{1}\)、F2及F\(_{3}\),也要检查L1的接触点L\(_{15}\)与L16是否接触。如果供给的电压太低,则应测量进线电压是否达到标准,管座接触是否良好, L\(_{15}\)与L16接触是否良好,半可变电阻R\(_{6}\)是否阻值调得太大。如热控管有问题,可换良好的热控管试验。
2.继电器L\(_{1}\)及其附件的故障:L1主要的故障是接触不良或不能接触。L\(_{15}\)与L16接触不良的后果已如上述,L\(_{13}\)与L14接触不良时则高压无法开启。
有时L\(_{1}\)发出一阵“咯!咯!……!”的响声,其原因是L15与L\(_{17}\)接触不良。因L15与L\(_{17}\)接触不良时,L1线圈中的电流仍然经过热控管中的接触点L\(_{43}\)与L5。L\(_{1}\)跳动的结果截断了热控管中阻力丝的电流,阻力丝温度降低使L43与L\(_{45}\)分开,分开的结果复截断了L1线圈中的电流;于是L\(_{15}\)复与L16接触,热控管中的阻力丝又获得电流,L\(_{43}\)与L45复行跳动,L\(_{1}\)又一次动作。这种不断重复的动作,使L1线圈中只有断断续续的电流通过,于是造成了一阵阵的响声。
从图1、2可以看出通过L\(_{1}\)线圈中的电流必须经过JA13、J\(_{C13}\)、JC14及J\(_{A14}\),是电源整流层的插鞘(背视右面的一个),JC13及J\(_{C14}\)是强放层的插鞘(背视右面的一个)。所以当整流层或强放层未插好,或插鞘接触不良时,L1是不会动作的。
3.继电器L\(_{2}\)及其附件的故障:这种故障有三种。一种是按高压开关时,L2不动作;一种是按高压开关时动作,手离去后复跳开;一种是L\(_{2}\)发出电蝉似的叫声,高压不能接上去。
a.按高压开关时L\(_{2}\)不动作:此时应检查保险丝F4及L\(_{2}\)线圈回路中各接触点是否良好。这个回路中的接触点是比较多的:计有属于继电器接触点的2个(L13、L\(_{14}\),L33、L\(_{34}\));门开关接触点2个(S31、S\(_{32}\),S41、S\(_{42}\));高压开关接触点4个(S11,S\(_{12}\),S21,S\(_{22}\));插鞘接触点6个(JB10,J\(_{B9}\),JB7,J\(_{B8}\),JB5,J\(_{B11}\))。这些开关及插鞘是为了人身及机件的安全而装置的。我们一定要耐心检查,发现故障所在。
b.按高压开关时L\(_{2}\)动作,手离去后L2复断开:主要原因是接触点L\(_{23}\)与L24接触不良。当手从高压开关离去时,L\(_{23}\)与L24是L\(_{2}\)线圈中电流的必经之道,如该处接触不良,则无电流通过,故L2即断开。
C.按高压开关时L\(_{2}\)发出电蝉似的叫声:这是L2的磁铁的空隙中夹有渣滓所致。因为通过L\(_{2}\)线圈中的电流是交流的,在某一瞬时电流值必为零,此时动片被剩余磁场吸住。当磁铁空隙中夹有渣滓时,磁阻变得很大,剩磁不足以吸牢动片,故动片跳开,但立刻又被另半周的交流电拉拢(此时手尚未离开高压开关),这种重复的动作,引起不断的振动。当L2上的弹簧拉得太紧时也会产生这种现象。
4.继电器L\(_{3}\)及其附件的故障:这里主要的故障是吸动得太灵敏或者太迟钝:
a.动作太灵敏:其原因是输入信号太强屏流超过规定数值,或者输出线漏电严重甚至短路,以及机内高压短路。输入信号太强是很好解决的,只有注意就行了;当输出线短路或漏电严重时,可以发现输出电压不足,屏流却变得很大,因此应对外线进行检查;机内高压短路时会将保险丝F\(_{4}\)烧断,因此必须检查F4烧断的原因,决不能未检查就换上粗保险或铜丝勉强使用。
当输出线路的负荷超过该机允许数值时,强放管的负荷阻抗减小,屏流增加,亦会使L\(_{3}\)经常跳动。 b.动作太迟钝:通过2只866整流管的电流,最大容许值是480毫安,超过此值L3即行跳动。如超过时未跳动,则可调节并联在L\(_{3}\)线圈上的电阻R5,它的阻值增大时,则通过L\(_{5}\)线圈的电流增加,可使L3在电流超过规定时跳动。将L\(_{3}\)上的弹簧放松一些,也可达到同样的目的。
一般说来,电源整流层最易出故障的地方是各继电器的接触点,至于继电器本身线圈断路是少见的。因此,应常常保持继电器各接触点之间的清洁及接触良好。如果线圈损坏了,可临时将接在继电器上的导线分别用人工接起来暂时使用,待修好线圈后再换上去,以免影响播出(临时接线应及时拆除,以保证机器及人身的安全——编者)。(张锦鲂)