中频放大级
上期已经谈到,不论收听电台的频率是高是低,通过变频级后,可以得到一个固定的中频。因此,中频放大级只须对一个固定的频率进行放大,这样安排的好处是在收听任何一个电台时,收音机的灵敏度和选择性不随频率高低的变化而有所改变,保真度高,工作稳定。
在选择中频的频率上,考虑到较高的频率不易控制,接近于低频又易和信号里的音频发生干扰,所以选用两者之间的所谓“中间频率”(中频)。
老式收音机里采用175千兆的中频,因为它的中频较低,谐振时在中频调谐回路里可以得到较高的阻抗,从而获得较大的增益,使灵敏度增高;而且中频较低,它和干扰信号频率差数的比值较大,于是干扰信号被衰减得多,也就是说选择性较好。例如在接收一个1,000千周的电台,而有一个1,010千周的电台混入时,它们频率的差数是1,010-1,000=10千周,用直接放大式收音机收听时,调谐回路要调在1,000千周上,这时它们差频的比值是10/1000=1%;用中频为465千周的超外差式收音机收听时,因为中放谐振频率是465千周,差数的比值是10/465=2.2%;如果中频是175千周,这个比值就提高到10/175=5.7%。从上面的百分率可以看出,中频愈低,选择性就愈好。
但是中频过低,还是有缺点的,它会使收音质量受到损害。原因是:1.电路的选择性过于尖锐,会把信号里包含高低音的上下边频带(一般是上下5千周)削去,在收听语言或音乐时,音调滞涩难听。2.增加了上期所说像频干扰的机会。因为干扰信号和接收信号的频率差数是中频的两倍时,就能成为像频干扰。例如中频是175千周,收听电台的频率是1,000千周,本地振荡频率是1.000+175=1.175千周,才能得到175千周的差频。假如另有一个1,350千周的电台混入(1,350=1,000+175×2),它也会和本地振荡产生1350-1175=175千周的差频,这时收音机的同一个刻度上就重叠着两个电台的播音声。又如收听1,465千周的电台,本地报荡为1,465+175=1,640千周,如果这个电台的信号很强,变频级的调谐回路调谐到1,115千周(假如这里没有电台)时还不能将之隔除,这时本地报荡已经跟踪到1,29O,正好和这个信号产生1,465-1,290=175千周的中频,于是这个电台不仅在刻度盘上 1,465千周处可只收到,而且在1,115千周处也可以收到,形成超外差式收音机所特有的像频干扰。
采用较高的中频后,就可以减少像频干扰的机会,使它不在广播波段里出现。另外,采用较低的中频,对收听短波也是不利的,因此,一般广播收音机现在都采用465千周左右的中频。
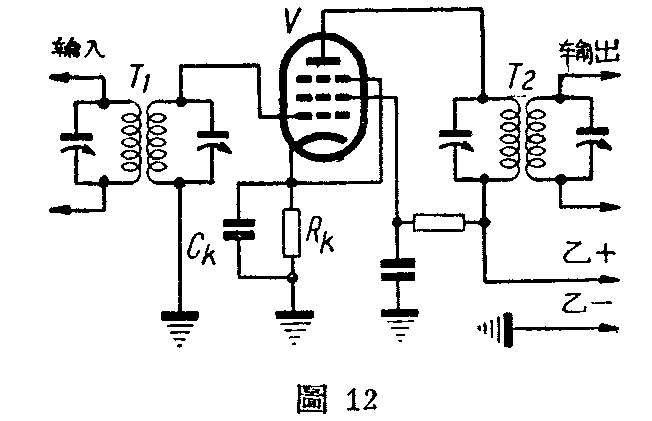
中频比高频低,但性质相似,所以中放电路和高放电路基本上是一样的。图12是常见的一种中放电路:变频管产生的中频从中频变压器T\(_{1}\)输入,经中放管V放大后由T2输出到后一级中放或检波级去。

中频变压器都是由两个线圈并各自并联一个半调整电容器组成,它的作用和高放电路里的初次级线圈相同,但是中频变压器只须通过一个固定的中频频带,所以初次级都可以用固定的调谐回路,使谐振点和增益提高。由于这种中频变压器有两个谐振回路,所以图12就叫做“双谐振式中放”电路。图中T\(_{1}\)叫输入级(第一级)中频变压器,T1叫输出级(第二级)中频变压器。
上面已经提到要保持广播里的高低音调,中放级只要放大一个频率而是放大一个包含有上下达频的频带。在广播收音机里,这个频带的宽度约10千周,即465千周中频变压器所能通过的频带应该是460—470千周,在这个范围以外的干扰频率就被大大的衰减。
中频变压器是一种“带通滤波器”,它所能通过的频带宽度和增益高低,和并联在线圈上的半调整电容器有关(有高频铁粉心的也和铁粉心有大),但主要还是决定于两个线圈的交连程度,它们的相五关系见图13。如果中频是f,上下边频是f\(_{1}\),那末要求中频变压器能够通过f-f1到f+f\(_{1}\)这一段频率。当两个线圈间的距离较远交连很松时,谐振点虽然尖锐,但能够能过的频带太狭,次级增益也低(曲线1);当两个线圈较为靠近,交连得紧些,频带放宽了,增益也高些,(曲线2);如果线圈间的距离再近,增益不再提高,但能够通过的频带更宽,这时叫做“临界交连”(曲线3);超过了这个交连程度,即使线圈变连得更紧,增益再也不能提高,只会使能够通过的频带过宽,严重地损害了这个滤波器的选择性(曲线4)。因此我们可以调整中频变压器两个线圈的距离来取得不同的频宽宽度和增益。

中放电路里的中频变压器,输入级两个线圈间的距离较远,使选择性好一点,输出级两个线圈间的距离较近,以提高增益。
中放电路里用了这种带通放大器,既提高了选择性,又获得较大的灵敏度,还能够保持优美的音质,这就说明为什么超外差式收音机比直接放大式要优越得多。
普通交流5灯超外差式收音机里只有一级中放,成绩已经不错,如果要求有更高的选择性和灵敏度,可再加一级中放。第一和第二级中放之间可以用中频变压器交连(这个变压器是输入级的),也可用电阻交连。
为了使中放级的增益能够随意控制,中放管采用可变放大因数管(变μ管),这样只要在它的栅偏电阻上串联一个可变电阻来改变它的栅偏压就可以完成。不过,我们通常是将一个用作自动控制的负电压加到它的控制栅上,自动地控制中放级的增益,效果更好。
检波级和自动音量控制
变频级产生的中频只是改变了载频的频率,对于原来加在载频上的音频信号仍然原封不动地保存在中频里,因此,要收听音乐和语言,仍然和简单收音机一样要经过一道检波的手续,把含在中频里的音频检出。
简单收音机最常用的栅极检波法,工作虽然灵敏,但在超外差式收音机里并不适用。原因是接在增益已经很高的中放级后面工作,意义不大;而栅板检波主要的缺点是工作时会产生栅流,使音质畸变;栅流又影响到输出级中频变压器的调谐质量。屏极检波法可以避免栅极检波法的缺点,但是它不能产生供给前面几级作为自动音量控制用的负电压。因此绝大多数的超外差式收音机都采用二极检波法。
二极检波电路如图14所示,经过放大的中频电压从输出级中频变压器T\(_{2}\)加到二级检波管V的屏极和阴极上。在输入信号的负半周时,屏极带负电拒斥电子,没有屏流;正半周时屏极带正电吸收电子,产生屏流。由于屏流的大小是随中频电压振幅的变化而变化的,因此,二极管输出的是按照音频变化的脉动直流电,也就是说完成了检波工作。音频电流在负荷R上产生的电压降经过交连电容器C1输出到音频放大级去。检波后残余的中频成份通过电容器C成为回路,不致拢及R上的音频电流,而且还对通过R上的电流起到平滑作用。如果R是一个电位器,那就可以变更它的阻值来取得高低不同的音频输出电压,作为收音机的音量控制。

用二极检波不仅不损害音质,还可以产生自动音量控制电压(俄文简称APY,英文简称AVC)。
为什么超外差式收音机差不多都有自动音量控制呢?第一是避免收音时“衰落现象”的影响(这是我们在收听远地电台。特别是短波电台时声音忽大忽小的现象),有了自动音量控制,可以将衰落现象的程度减小。其次是收听强力电台或弱小电台时,可以使收音机发出的声音大小不致有显著的差别。
自动音量控制的原理,是将一个随着外来信号的大小比例变化的负电压加到变频管的信号栅和中放管的控制栅上去,外来信号大,这个负电压增大,降近了这两级的增益;相反的外来信号小了,负电压也减小,这两级的增益就提高。在这种利用外来信号的强弱变化而自动控制变频级和中放级的增益下,末级输出的音量就可以比较均匀。
图14中检波电流通过R的方向是从右到左,对接地端来说,R的左端是负电位,它又是随外来信号的大小比例地增减,正好用作AVC负电压之用,因此,ATC电压都是从R的负端接出。
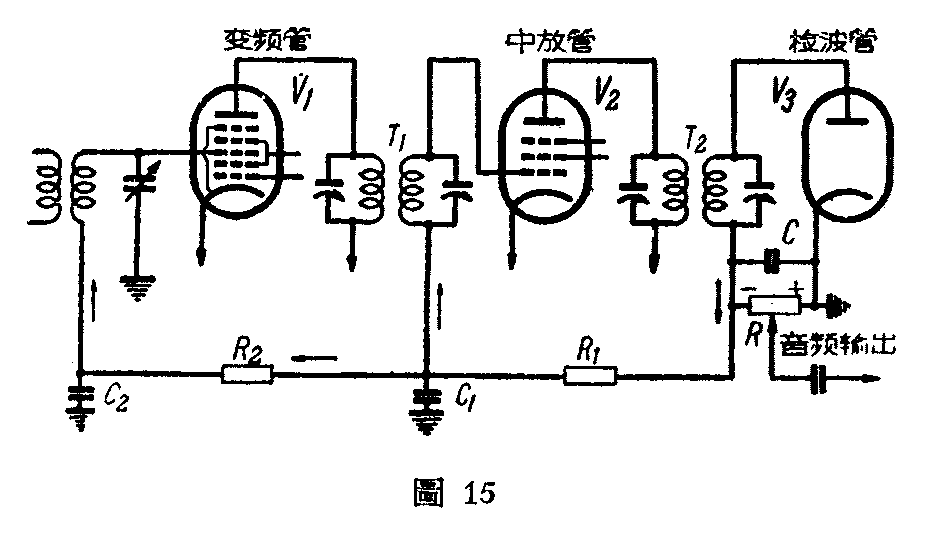
整个自动音量控制系统见图15,因为从R上输出的负电压带有音频成份,在送到被控制的电子管以前必需将它滤去。图中R\(_{1}\)是中放级AVC电路的滤波电阻,C1是平滑电容器(R\(_{2}\)和C2同样是变频级的滤波器)。它们组成了一组RC滤波装置,RC)乘积越大,滤波作用越好,但这里考虑到负电压要能够灵敏地随着信号变化,在一般的广播收音机里,RC时间常数(使C\(_{1}\)充电或放电到一定程度所需的时间)约为0.1秒,就是R1为2兆欧时,C\(_{1}\)最好是0.05微法(RC=2×0.5=0.1)。

变频级可以和中放级合用一套AVC滤波装置。为了增加灵敏度,变频级也可以不加AVC电压。
另外有一种所谓“延迟式自动音量控制”,它只有在输入的外来信号超过一定强度时才起AVC作用,对较小的输入信号不起作用,因此,适合于接收远地电台。
音频放大
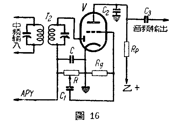
超外差式收音机里的音频放大电路,和简单收音机里的没有区别。二极检波没有放大作用,输出的音频电压很小,不能推动末级功率放大管工作,所以在检渡和功率放大级之间要加一级“第一低放级”。第一低放级可以用三极管也可以用五极管担任,它和二极检波管相互间的关系几乎不可分割,所以有一种专门担任这两种工作的复合电子管,图16就是采用这种复合管的典型二极检渡和第一低放的综合电路。月二极三极管时音质较好;用二极五极管时输出较高。

音调控制和负回授
超外差式电路末级输出功率较大。音量已能满足一般需要,我们还能加上音调调节器来管理音调的高低,以适合各人的爱好。图17国电容器C和电位器R所组成的音调控制器是一种最简单的音调控制方法,变动R的位置就可以改变高音傍路的阻抗,达到了增减高音的目的。

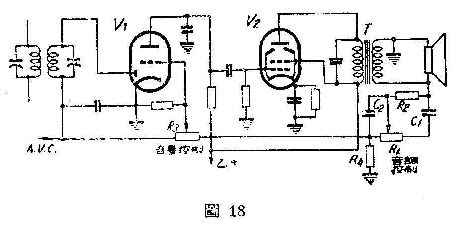
也可以采用负回授的方沙来改善音质和音调。负回授是将放大级的一部分输出电压回授到本级或前一级的输入回路,因为它们之间的相们相反,可以抵消一部分失真电压,使输出的声音逼真。同时控制了回授电压中的高低音电压,也能兼收音调控制的效果。图18是某一种国产收音机里采用的负回授和音调控制电路,从输出变压器T的次级线圈取得回授电压,加到第一低放管的输入回路,C\(_{1}\)、C2对高音的容抗很小而对低音较大,当R旋向右过时,高音在C\(_{1}\)、C2上顺利通过,在R\(_{4}\)产生的电压降较大;低音只能在R2、R\(_{l}\)上通过,受到的阻力很大,在R4产生的电压降就很小,把R\(_{4}\)上的电压降回授到V1的栅路,就较多的抵消了部分高音,扬声器里的低音听起来就比较突出。反过来,把R旋向左,此时高音受到R\(_{1}\)的限制,回授较小,低音受到的阻力很而回授较多,于是扬声器里的高声就比较丰富。选用适当的阻值,便能取得合适的回授电压,对普通的超外差式收音机来说,这种简单的音调控制已很满意。

超外差式收音机的装置
1.线圈,超外差式收音机所用的线圈,有很多国产成品可购,各厂的编号不尽相同,一般都附有使用说明书,可以依变频管的类型和要接收的波段选择。采用售品线圈比较经济、省事和正确。但也不是说自己不能绕制。
根据本文所说的变频电路,每个波段都包括一个调谐外来信号用的“天线线圈”(图19甲)和本地振荡用的“振荡线圈”,合成一套。振荡线圈又依变频管的类型分为“回授式”(图19乙)或“抽头式”(图19丙)两种。收音机的波段增多,线圈的套数也要增多。

这里介绍两套自线的线圈,是配合465千周的中频和每组电容量为360微微法的国产双连可变电容器使用的。但同样适用于电容量为500微微法的新产品,只是低频端的收听范围放宽一些。这些线圈都是用中规漆包线在圆纸筒上绕成。
甲、中波广播段线圈(550—1,600千周)各线圈筒外径是25公厘。天线线圈见图20甲,L\(_{2}\)用0.13线密绕120圈,距下面5公厘处绕L1。L\(_{1}\)在绕制前,先剪两块外径约35分厘的圆纸板,当中开一个直径25公厘的圆洞,以,能套紧在线圈筒上为度,两纸板间相距3分厘。然后用0.08号线乱绕250圈作L1。回授式振荡线圈见图20乙、先用0.13号线绕92圈作L\(_{3}\),在L3下端约1/4处包几层蜡纸,用同号线密绕20圈作L\(_{4}\)。抽头式见图20丙,用0.13号线密绕92圈,在第82圈处抽一头。

乙、短波段线圈(8—18兆周)各线圈筒外径为16公厘,天线线圈见图21甲,L\(_{1}\)用0.16号线密绕10.5圈,距下端1公在处用0.31号线间绕10圈作L2。
回授振荡式线圈见图21乙,L3用0.4号线间绕9.75圈距下端1公厘处用0.16号线密绕8圈作L\(_{4}\)。抽头式的见图21丙,用0.31号线间绕9.75圈,在第8.25圈处抽头。

各线圈的线头最好固定在预先钉在纸筒上的焊片上,并依图中标记注明号码备用,最后放入蜂蜡里煮10—20分钟,可以提高线圈的质量并防止松散。(冯报本)