王克问:有一架电池收音机想改用交流市电供电,应如何改装?

答:电池收音机的电子管都是直热式的,它的甲电(即供灯丝的)一定要用直流电,不能直接用交流电代替,否则因为它的热惯性太小,将发生严重的交流声。乙电则可由一般交流收音机中所用的整流器来获得,若一般交流收音机用的电源变压器的高压太高的话(一般多为270伏至350伏)可在整流后用电阻降压,此电阻还可兼作滤波用。这时甲电仍应用电池供给。但有些中心抽头的强放管(如3S4,3Q5及最新国产管2П2П)则可如图1那样接法用交流电供电。
贾福馨问:目前市上见到的ECH21是否可用6K8代替?

答:ECH21管的特性与6K8相似,可代替。代替时,可将振荡栅电阻改为30千欧,并且需将管座接线更动,见图2。
白申问:有一架五灯外差收音机,当音量开大时,喇叭发出刺耳的啸叫声,何故,应怎样修理?

答:有两种可能:1.双连可变调谐电容器片子太薄,当音量开大时,喇叭的机械振动由底板传至电容器,使片子发生振动,因此使本地振荡频率随之发生相应的变化,经检波、放大后又输出至喇叭,这样互相激励而成振荡;2.机中接线太长,或布线不良形成电气回授而发生振荡。第一种情况时,可换用较结实的可变电容器,或在电容器和底板间垫上减振的软橡皮垫圈。在第二种情况时,可将音量开关的接线用隔离线,或并联一个约0.001—0.006微法的电容器(如图3)。
李美问:为什么有线广播机用的电唱机的电源开关多并联一个0.1微法的电容器?若没有时,当搬动开关时在扩音器喇叭中就会发出喀拉的一声,为什么?又这个电容器常被打穿,何故,有什么方法防止?
答:这是用来防止开关间火花用的。因电唱机的马达是一个电感元件,当突然关断电源时,将产生很高的反电压,致使开关接点间发生很大的火花。这火花将在扩音机前几级的电路中感应出一个电压,所以喇叭中有喀拉一声。至于这电容器易打穿,也是因上述的反电压很高的缘故,可用两个0.2微法的电容器串联起来。
张浩问:有一架125型电池收音机,突然不响,检查后发现强放管2П1П烧坏。可是奇怪的是在强电台时, 喇叭中还有极轻的声音,拔去强放管后仍一样,这是什么原因?

答:因为125型收音机的末级强放管电路中有电压负回授,即图4中的C\(_{x}\),所以在强放管虽不起作用时前级的信号尚能经过这个电容器输至喇叭,但因前级信号很弱,再加这电容器的容量又很小,故声音就很轻了。
张仓问:我国前几年出品的扩大器多为定阻抗输出,在作为有线广播机时是否可改为定压输出,光配上假负荷不改机内线路行否?
答:定阻式扩音机一般是没有深度负回授的,故负荷的变化对输出电压影响很大,光配假负荷是不行的。因为在正常负荷时匹配好了,但外线负荷一变又不匹配了。所以这种机器改为定压输出时必须在机中加深度负回授,使负荷的变动对输出电压的影响减至最小。
司马氏问:我有一架旧收音机,有时开着开着声音就慢慢小下去,有时甚至就没有声音了,但将电源一关再开有时就好了,何故?
答:原因很多,最可能是三种:1.电路中有一电容器漏电。2.某一电子管灯丝似断未断。烧得很热时断开,一关电源灯丝熄灭冷却,断开处又重新接上了。3.若是外差机的话可能是变频管老旧,有时不起振荡,一关电源给它一个刺激,就重新振荡了。
卫道岚问:若只要收一个电台的收音机,应怎样安装,是否比普通收音机经济些?

答:若只要收一个电台的话,可不用可变电容器,调谐回路一般用一个0.0001微法的固定电容器和线圈就可以了。这线圈圈数的多少要看你所要接收的电台的频率。同时只要再生线圈调谐好,再生可变电容器也可用0.0001微法的固定电容器代替(图5)。至于经济问题,两只固定电容器自然比两只可变电容器要便宜多了。
王华问:我看到有一架舶来品外差收音机,它不用双连电容器,我想目前我国市上双连电容器非常难买,那么是否可将上述收音机的构造介绍一下,不是又经济又方便吗?
答:它是用移动铁粉心来调节的,构造如图6。送种结构很不易统调,且铁心也很贵,我国市上更不易买到,故不易普及。

苏慎贵问:一般交流收音机都能连续收听3—4小时以上,次一些的,时间就短些,尤其在夏天,连续收听的时间更短,是什么道理,直流收音机是否也有此限制?
答:主要有两种原因:1.电源变压器不能太热,否则容易烧坏。2.收音机电路中有些元件(如通过大电流的电阻)也易发热过甚而变值或烧坏。至于直流收音机一般发热情况较轻,但并不是没有,况且电池连续使用也比断续使用来得费,故也不要连续开得太久。(沈成衡答)
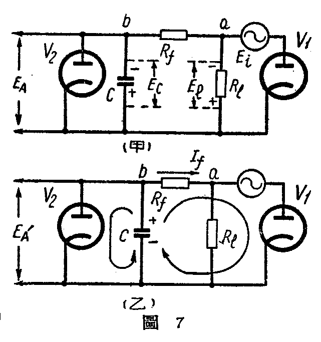
王开先问:有些收音机里的孪生两极管,除一个担任检波外,另一个有什么作用?
答:它的联接法如图7。在这图中V\(_{1}\)是检波管,V2是杂音抑制管。当接收没有脉冲杂音干扰的稳定信号E\(_{i}\)时,检波后的信号在Rl上产生脉动的直流电压E\(_{l}\),同时在C上产生和El相等的平滑直流电压E\(_{c}\),它就是自动音量控制电压EA。在这种情况下,a、b两点电位相同,R\(_{f}\)上没有电流。(见图7甲)

如果突然来了一脉冲干扰,在这一瞬时,E\(_{l}\)突然增高,El也相应地升高,也就是a点的电位突然变得更负。但因R\(_{f}\)和c的时间常数相当大的原故,b点的电位还来不及跟着变化,暂时保持原状,以致b点的电位高于a点,在Rf上形成了瞬时电流I\(_{f}\)(见图7乙)。If的流向使c的上端对下端为正,因而V\(_{2}\)导电,供给一个额外的负偏压。这样就使暂时的自动音量控制电压比原来的更负,收音机的灵敏度暂时降低,完成抑制脉冲干扰的作用。
刘明曾问:我有一部扩音机,强放管用805管,整流管用866管,请问预热时间需要多久?和气候有无关系?
答:新的电子管、久置未用的电子管或经颠倒过的汞气管(如866)都需要预热半小时上下,以后每次开机时都均先接灯丝电压约经1—2分钟后,才可接高压。如果室内温度很低,则汞气管的预热时间要加长,或用白炽电灯泡放在汞气管下端旁边烤着,使汞气管在开用之前就已有了一定的温度。(陈治答)