阳极电压的供电方法
一般光电管的额定阳极电压不高,约在数十至200伏之间,消耗的功率又微不足道,因此由扩音机的乙电源担任供电,或附属在扩音机上的有关电路内,是完全可能的。
原则上虽然对光电管的供电都是由扩音机兼任,但电压却可以从几个不同的部分取得。总括起来,大致可分为下面几种:
(1)由扩音机的乙电输出端或前级放大管的屏压供给端直接供电;
(2)由扩音机的乙电源,经独立的分压器和滤波网络供电;
(3)经独立的整流电路和滤波网络供电;
(4)利用放大管阴极电阻上面的电压降供电;
(5)利用附设在机内的超音频振荡器(激励灯电源)振荡管的栅负压供电。

第一种供电方法,多用在小型机器上,例如国产200型放映机(图1甲),该机乙电压只有220伏左右,恰足供给цГ-3型光电管的需要。在乙电压较高的场合,可由前级电子管屏压供电端取得,例如Пy-156型(图1乙)。这两种供电方法,所需的另件最少,符合于轻便原则;缺点是退耦滤波电路过于简陋,不可能得到较高的电压稳定度。特别在图1乙的电路中,光电管阳极电压要受到R\(_{D}\)的影响,因为RD上的电压降决定于V\(_{1}\)的屏流。在扩音机电源初开启的瞬间,整流管几乎立即开始工作,而V1却要等阴极烧热以后才开始工作,进时R\(_{D}\)上的压降很小,光电管必然承受高于额定值甚多的阳极电压,这对于充气式光电管是十分不利,容易加速它的衰老。并且有时会因这阳极电压过高,光电管发生气体放电,使扩音机出现类似自激的低频吼叫声,等V1管燃热,屏流稳定后,光电管电压才恢复正常,转入正常工作状态。免除这种缺点的办法,是要等到全部电子管都已燃热后再开高压,或采用傍热式整流管(如5ц4C),使整流管也需要一定的燃热时间。

第二种方法是较完善的(图2),正电压由乙电源引出,经特设的分压和滤波电路来得到额定的平稳电压。在分压器中串联有一只可变电阻,使电压可以在一定范围内调节,以满足光电管衰老时或更换新管时的需要。调节的范围,充气管约为60—120伏;真空式约为180—240伏。这种电路与前一种相比,增加的另件不多,却得到较大的独立性和可调性,德意志民主共和国的TK-501型放映机就是采用这种线路。

图3是介于第一和第二两种形式之间的,它既有分压和调压电路,又是按在前级电子管的供电端,例如捷克斯洛伐克的ALMO型机便是这样。
在考虑分压器的组成电阻值时,因光电流十分微小,可以完全不加考虑只按每段电阻值的比例,找出合适的供电点即可。全部串联电阻总合,应在1-2兆欧左右,调压电阻用0.5-1.0兆欧的电位器。

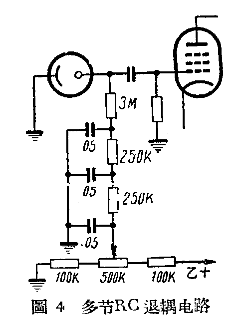
串联在光电管负荷末端的退耦电路,也可以由一节RC,化为多节(图4),这样可以使用数值较小的电阻电容另件,它们的损坏机会也较少些。

第三种供电方法(图5),是在电源变压器高压线圈的两端,另按了两组小型硒片整流器,专门对光电管供电,以加强供电的独立性。

以上三种是经常采用的方法。其次尚有一些就地取材,简化电路的方法,例如图6,光电管阳极电压由第二级电压放大管6SQ7的阴极电阻R\(_{2}\)上取得,6SQ7的偏压由R1供给,为了免除电流负回授的减生作用,R\(_{1}\)R2上并联了一只大的旁路电容器,光电管电压也得到了稳定。

图7是利用超音频振荡管的负栅压,对光电管的阴极供电,由于阴极电位的降低,相对地说,等于阳极电位升高。像6V6、6П3等小型功率放大管,在用作超音频振荡时,它们的栅压约在100伏左右,正敷一般充气式光电管之用。应该指出,图6图7的两种方法,并不是好的供电方法,因此使用并不普遍。
光电管阳极电压的调配

一般双机放映,都是把两只光电管的输出端,一并按在扩音机的输入端,因此,要调配它们的阳极电压,为使两机的输出强度相等。调配电压的电路见图8。图8甲是比较简单的接法,把光电管ф\(_{1}\)的电压固定下来,用R来调节ф2的电压,使与ф\(_{1}\)的输出相等。乙的线路比较完善,用两只可变电阻分别调配ф1ф\(_{2}\)。线路C只用一只可变电阻,在调节时,ф1ф\(_{2}\)的电压此增彼减。
凡是在电路中,使用炭质可变电阻来调配光电管电压的,在旋动电阻的滑臂时,将使扩音机出现一些噪声,所以不宜在正在进行着的正规的放映中进行调配。其次光电管供电的滤波电路,时间常数都比较大,约在0.5秒左右。所以在旋动调压电阻时,扩音机的音量变化不会立即得到反应,要缓缓的旋动电阻,同时收听音量的变化。如能与扬声器并联一只输出电表,一面听,一面看指针的最大偏转就更加准确。(韩子斌)