在天空中,无时不有许多无线电波在传播着;就算是接收能力很低的矿石机,如果在播音台很多的地方收音,那么,总会有几个电台的电波从天线传输下来到达收音机里。因而就需要设置一套调谐回路,以便在这些电台中随意选择其中的电台收听。

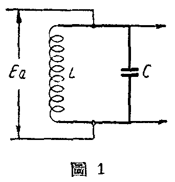
最广泛使用的调谐回路是由一个电感线圈L和电容器C并连而成的“并联谐振”电路(图1),利用L和C对于交流电不同的作用,并选取适当的电感量和电容量配合,就能对某一频率的外加交流电压E\(_{a}\)发生“谐振”,并且向外输出;但对别的频率的外加电压,却不产生这种谐振作用。如果将L或C的数值变更,才能谐振于别的频率,这时对原来的频率就又不起谐振作用了。所以要得到良好的调谐回路,就要准确地选择它的线圈和电容器。
矿石收音机的调谐方法

最简单的矿石收音机的调谐回路见图2甲,在这电路里虽然没有电容器;但是天线和地线是起着电容器的作用的,它与线圈L并联成为一个谐振回路。同时,天线的电容C\(_{a}\)和电阻R——线圈本身的电阻及天线的电阻,构成一个串联回路,它的等效电路如图2乙,(天线本来还有它的本身电感,但在广播段可以忽略不计)。Ea为天线上信号的电压,U则为引出至检渡回路的电压,当L和C\(_{a}\)的数值谐振于某一频率时,从天线传输下来的这一频率的电波,经过串联谐振回路传到矿石D和听筒T的检波电路工作。在良好的情况下,线圈两端得的检波电压,要比输入的信号电压大一些。其它所有不与输入回路L、Ca谐振的电波就会受到摒弃,不能输入检波回路。

这仅是指接收一个电台的情况而言,如果收音机要接收两个以上的电台,势必要改变它的谐振频率来对另一个电波谐振,才能得到上述的效果。如上所述,只要改变谐振电路中L或C至适当的数值就行了。如图3甲,是在C为固定的情况下,改变L的电感量来调谐的。收甲台时在1点利用线圈的全部电感量,收乙台时在2点利用线圈的部分电感量。图3乙则是在L为固定的情况下,换用不同电容量的电容器来取得不同的谐振。这些方式叫固定调谐电路,它的调谐手续简便,适用于只有一、两个电台的地方使用,如果换了地方,电台的频率不同时就不能使用了。
如果接收的电台较多,或是要使收音机能够在一般的地点都能适用,调谐电路就要采用通用的形式,图4是常见的单回路矿石机电路,甲图是改变电感量的,在线圈上每隔几圈抽出抽头,用分线器S和抽头逐个接通,就能取得不同的电感量;也可以用一个“滑键”代替分线器,在线圈上刮去绝缘物的地方来回逐圈滑动接触;前一种的调谐是隔几圈跃进调节的,后一种的滑键调节则较为细致。
采用图5的变感线圈也可得到细致的调谐:它是两个方向相同串联着的线圈,互相邻近(或平行)时电感量最大,距离较远(或垂直)时电感量也小,变更两个线圈的距离(或角度)就可以改变电感量。这种调谐的优点是可以用不多的零件得到较为细致的调谐,但是所包括的范围不大。
对于要求较高的矿石机,上面几种调谐方法有时会混合使用。
电感量、电容量和接收的频率范围
调谐回路既然是由线圈和电容器组成在某一个频率谐振的电路,而通常又是要求它能在一个频带内对其中每一个频率都能分别发生谐振的,所以选择它们的电感量和电容量时,就要以接收的频带作为基本依据。为了制作和使用的方便,常是采用了固定电感量而以可变的电容量作为调谐的方法。即是我们现在使用的用可变电容器调谐的方法。矿石机所能接收的频带,在我国目前是“中波广播段”频率自550至1600千周我国各地方人民广播电台都在这个范围之内,矿石机的调谐回路能包括这个频带,在全国各地就能收到它的收程所及的广播电台。
能够在这段频带之内适合调谐的电容量要有多大变化呢?当线圈的电感量为一定时,还要算出这段频带内的最高和最低频率的比值,称为“复盖系数”。上述中波广播段的波段复盖系数是550:1600即约为1:3,根据电工学的原理,调谐电容器电容量的最小值与最大值之比应为它的平方值,这里就是1∶9,我们常用的0.00036微法的可变电容器最大和最小电容量的比值,能够得到这样的电容复盖,配合了电感量约为230微亨的线圈所组成的谐振回路,就能与中波广播段内的电台谐振。所以供给调谐回路用的国产售品可变电容器,它的最大电容量多是0.00036微法的。
选择性和灵敏度
矿石机的选择性和灵敏度不仅决定于调谐回路,同时也取决于电波从天线传输给调谐回路的传输方式,即是常称的交连方式。

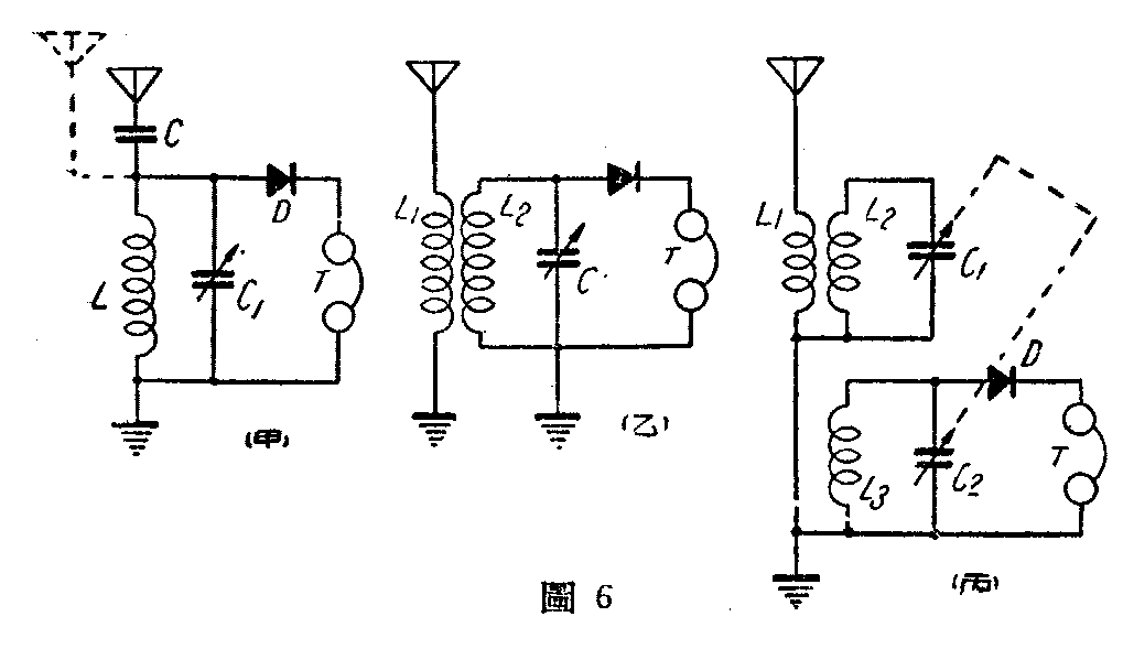
单回路矿石机的天线是和调谐回路直接交连的(图6甲虚线部分),这样紧密的交连,可以得到较大的增益,听筒发声比较响亮;可是选择性并不好。当电台很多或是两个电台的频率比较接近的时候,就难以分隔而发生混音。同时由于天线电容是和调谐电容并连而作为全部调谐电容中的一部分,随着天线的变更(长度、高度、环境的变动),对调谐的频带有很大的影响,近频带边缘的电台,常被“挤”出去;在这种情况下就要使这种过紧的交连状态放松,方法见图6甲,在天线输入端串连一个0.00025~0.0001微法的固定电容器(甚至是微调电容器)来减弱交连的程度,上述的缺点可以稍为改善。但无论如何,直接交连方式对电容的复盖是有很大影响的。
图6乙是常见的双回路矿石机电路。它是由天地线回路的电能量在初级线圈L\(_{1}\)产生电磁场,将调谐线圈L2 放在这个磁场之内以诱起感应电动势的。这种交连方式较松,可以得到较好的选择性,并且能变动L\(_{1}\)和L2的距离来调节交连的程度,但是选择性提高了,却要影响灵敏度下降,发声将不如单回路的大。有时,双回路的选择性还不能满足我们的需要,例如当地的播音台较多,或在强力电台附近,混音不易分隔的时候,就要采用像图6丙的有前置选择的电路,L\(_{1}\)和L2的作用像上述一样交连,经过C\(_{1}\)调谐之后,又交连到L3去用C\(_{2}\)再调谐一次,这样间接交连以及经过两次调谐的结果,选择性就大为增进,但是随着交连程度的减弱和两次传输中的损失,灵敏度也要降低;声音又不及双回路的大了。
其次,调谐回路和检波回路合在一起也会影响选择性;因为检波电路的电阻加于调谐回路之内,就会影响调谐电路的质量因素降低、一些比较考究的矿石机就在调谐线圈上抽出一个(或几个)适当的抽头,另行接出检波回路,这种接法等于一个自耦变压器,减小对调谐回路的影响,使选择性得到改善。图7就是常见的例子。

必须说明,在简单的收音机内,选择性和灵敏度是互相矛盾不能兼得的;选择性提高了,灵敏度就减弱,听筒里的声音就要减轻。因此,在选择制作矿石机的电路时,首先要考虑自己的收音环境,只有一两个电台可收的地方,而它们的频率又不太相近时,采用单回路是有利的,因为这时可以不必考虑选择性,而又可得到较大的音响。仅在发生混音时,才不妨改用双回路,有前置选择的电路选择性要算很好,但是声音是要小些的。(冯报本 冯炜然)

