1.刘瑞斌问:我试装一架交流收音机,乙电120伏,是利用自耦式电源变压器获得的,但接上地线以后不久,就把变压器烧坏了,为什么?
答:若接得正确的话(如图1)是不会烧坏的。你一定是将两头接错(图2甲),且地线未经电容器直接接底盘的缘故,那时一接上电源后等于将1、2或2、3两点短路,(图2乙、图2丙)这时已将全部220伏加在120伏或100伏的线圈上,由于通过电流太大,当然很快就烧坏了。


2.刘荣华问:原有单管再生机一架,再生用10千欧电位器调整,非常平稳。以后为了加大声音,加了一级低频放大,用电阻电容器耦合,但再生就极其微弱了,一定要将再生控制电位器转进很多才有再生,且不平稳,何故?
答:单管机的负荷是耳机,耳机对直流电流的电阻很小,故检波管的屏压很高。但当你改为两管机后检波管的负荷就为几万甚至几十万的电阻了,当检波管的屏流通过这么大电阻时发生很大的电压降,这样,实际屏压就很低了,当然再生就较弱了。至于再生不稳的原因,是因为屏压降低,而帘棚压仍不变,使电子管工作状态改变的缘故,可加大帘栅电阻,同时增加再生线圈的圈数一试。
3.翔问:我校有一架扩间器,不知其输出阻抗,怎样用简单仪器测知?
答:若要准确地测输出阻抗,非得用精密的仪器不可。但大概测量时,可用下法测定。

如图3接好,将扩大机接上电源,但将末级输入短路。先将S接至1点,与输出变压器相联,记下交流电压表的读数,然后将S转至2点,使与R\(_{2}\)相联,调整R2(此时R\(_{1}\)千万别动),使电压表的读数仍保持原值。这时只要用欧姆表量出R2的值,这值就是该抽头的阻抗。R\(_{1}\)及R2的阻值则视所测抽头而异,例如在测低阻(约自3欧至16欧)时,可用20欧左右;测高阻时可用1000欧左右。
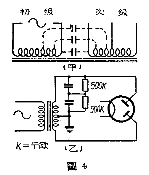
4.方干华问:我的一架五灯收音机,有调幅交流声,以后采用贵刊今年第三期所介绍的方法,在整流管一个屏极与地之间接上一电容器,果然消除。但是只接在某一屏上有用,而另一屏上则无用,何故?且电容器经常被打穿,市上又买不着耐压很高的电容器,怎么办?是否可二个串联起来?
答:调幅交流声主要是经过电源变压器初次级线圈间的静电交连,即电容交连而产生的(图4甲)。电容器加在那一个屏极上,则要看线圈其体位置及绕法来决定。至于电容器而压不够,可用两个比原来电容器容量大一倍的电容器串联,并且在旁边再并联两个电阻(图4乙),这样更为安全。

5.张鸣翔问:为了在五灯机上可用耳机收听,我们在6SQ7和输出管6V6间串入一插孔如图5,但这样在用耳机时6V6还工作着不但浪费电子管,还浪费电力,是否可将6V6拔去?
答:在一般收音机上还是不要拔去好,因为国产收音机的电源滤波电解质电容器不是很好,若将6V6拔去后;整流管几乎无负载,乙电电压会大大升高,这样将有击穿滤波电容器的危险。同时也使其他部分的高压提高而破坏了他们的正常工作状态。在收音机中加接耳机与喇叭的方法可参考本刊1956年10期11页。

6.何申问:在装收音机或扩大机时,为了防止干扰有时要用隔离线,有人说隔离套不能两点接地,对吗?
答:隔离线防止干扰的原理如图6甲,当有外来干扰磁力线时,在隔离线心线上产生电流i\(_{1}\),同时在隔离套上也感应一个方向大小都相同的电流i2,在图6甲上,i\(_{1}\)和i2都流过栅电阻R,但i\(_{1}\)和i2在R上方向相反,所以彼此相消,能够防止干扰。当像图6乙那样两点接地时,i\(_{2}\)就不流过R,所以i1在电阻R上仍产生电压降,发生干扰。

7.陈希孟问:有一外差式收音机,有时突然不响,但用改锥敲一下可变双连电容器,或很快地把双连电容器向左右来回旋动一下,就又可收音,未知何故?
答:这是收音机中本机振荡有毛病。可能是电子管老旧,也可能帘栅电阻、振荡栅电阻等变值。所以当敲一下、或动一下双连可交电容器时,使振荡电路受到一个脉冲刺激而恢复振荡。
8.苑成富问:自绕线圈的圈数、线径、线圈管直径等怎祥计算?
答:可用下列公式计算:
当l≤D时 L=\(\frac{N}{^{2}}\)D250(D+2l)
当l≥D时 L=\(\frac{N}{^{2}}\)D2100l式中l—线圈管长(公分);D——线圈管直径(公分);L—电感(微亨);N—圈数。
9.梁志勤问:为什么收音机冬天比夏天收得远,夜间比白天收得远?
答:因为收远距离电台时,电波并不是直接由发射天线传至收音天线的,而是经过天空中电离层的反射。白天时,电离层由于日光的照射而发生变化,影响了它对电波的反射作用,习音就不能太远了。太阳对电离层的影响也随着季节而改变,所以夏天的收程也会缩短,再加上夏天常有雷电,干扰很大,更使收程缩短。
10.黄钜章问:110伏的收音机,若用220伏的电源供电,怎样计算降压电阻的阻值和功率?
答:这要看收音机需要多大电流,假定是0.2安,那么降压电阻R应等于1100.2=550欧。功率最少是110×0.2=22瓦。