利用雷达并且配合一些其他的无线电设备,基本上就可以保证飞行安全和航路正确。
雷达设备的使用,主要利用电磁波在传播途中遇到物体时,能从物体上反射回来的性能。把反射回来的电磁波用极灵敏的接收机接收,就能搜寻空中的目标。把电磁波向一定的方向发射就能决定目标的方位,再根据电磁波传播的速度决定目标的距离。
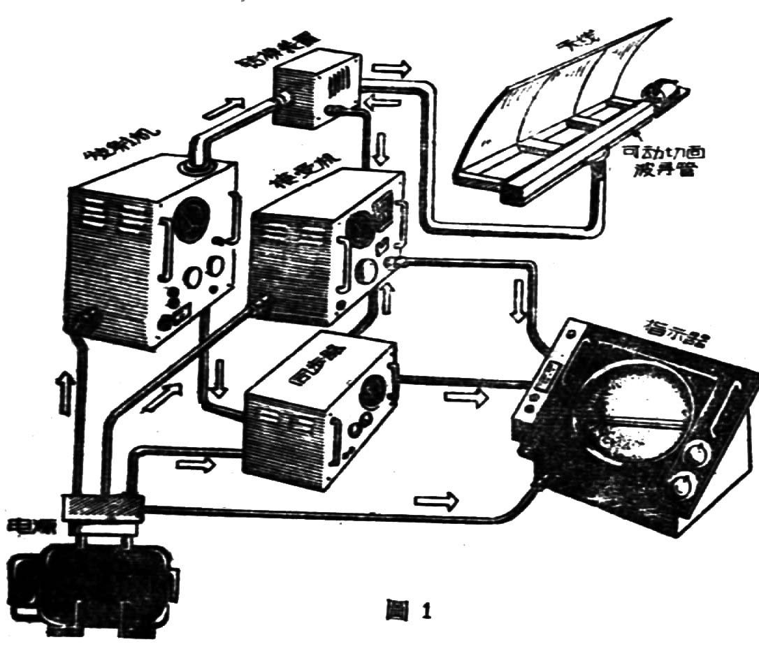
一部雷达机由下列几个基本部分构成:发射机、天线、转换装置、接收机、指示器、同步器和电源设备等(如图1),

雷达一般是采用能在视线距离内传播的超短波,如公尺波、公寸波、公分波。因为这种波段的波长短天线的尺寸可以做得很小,定向发射就变得非常容易;而且当波长小于被反射的目标时,反射回来的电磁波最强,所以能适合上述的用途。
用在民用航空上的各种雷达技术中,有一种是“雷达降落制”。
使用雷达降落制时,在飞机上应备有完全可靠的无线电通信设备,特别在飞机上的无线电导航设备损坏时,这些设备就显得更为重要。指挥飞机降落着陆的雷达,能在航空港(飞机场)的区域内纠正飞机的航行方向,把飞机导向跑道,并继续控制飞机在滑翔道和跑道方向上降到20—30公尺的高度。全部设备的操纵都集中在装在汽车上的指挥所内。设备的电源由预备的几部移动发电站供给,也可由当地交流市电供给。
降落雷达按飞机预定降落的方向装在跑道的右侧,设备中的其他部分置于降落雷达近旁,中间隔开相当距离,以保证互不干扰和使用较短的联接电缆。
降落雷达能在15公里的距离内控制飞机在降落方向和滑翔道上的位置,在这段空间内,降落雷达用方位天线和高度天线“观察”正在航行中飞机的方位和高度。为了确切知道飞机的着陆点,高度天线的辐射图形应有-1度的角度。
降落雷达开机后,由同步器向发射机送出一个特殊的起动脉冲。这个起动脉冲也同时送向接收机的瞬时自动增益控制电路、扫描电路、侦测雷达(搜索雷达)的指示器和参考指示器等。瞬时自动增益控制电路能控制回波信号的放大,使飞机飞行距离不断改变时,显现在雷达指示器荧光屏上的回波光点能有相同的亮度。扫描电路产生的电压供给方位指示器和高度指示器里阴极射线管的第一阳极和偏向线圈。将起动脉冲同时送向降落雷达和侦测雷达,可以使两者保持同步工作,但是在频率相同或相近时会引起互相干扰。
起动脉冲进入发射机后,就作用于调制器,使脉冲能在一个极短的长度内得到矩波形状,放大后再送进磁控管振荡器。振荡器产生的高频强力脉冲振荡经过波导管、转换盒、波道转换器、天线转换器等,送进方位天线或高度天线,向空中发送。
当发射机发生振荡的瞬间,转换盒把接收机的波导管切断,保护接收线路中的机件,使振荡的全部能量都集中到天线上,向空中发送。在两个脉冲之间这一段空间瞬间里,天线又用来接收回波信号。为了避免回波信号输入接收机前,在通向发射机的馈线上引起能量损失,这时便将发射机的输入端短路。转换盒主要靠气体放电管工作。要降落雷达工作可靠,还得准备备用机(在天线或指示器损坏时使用),在必要时用波道转换器接上工作。天线转换器也应能交互地接向方位天线和高度天线。
方位天线水平地装置于雷达车顶的左侧,高度天线则垂直置于方位天线一侧。方位天线的辐射角在水平面上为1度,在垂直面上为2度;而高度天线则为3度和0.5度。天线由半波振子、可动切面馈电波导管和抛物线反射面组成。为了保护天线避免风雨侵蚀,天线外罩有泡沫乙烯的外罩。
方位天线发出的波束在空中沿水平面扫掠,高度天线波束沿垂直面扫掠(图2)。扫掠动作由可动的与固定的Г形切面馈电波道管担任。波导管可动切面借电动传功装置在平行的固定切面上移动。交动波导管切面的内径,使电磁能在管内的传播速度相应变化,于是由每一个振子所激励而引起的振动,它的相位依直线律变动,结果形成天线波束在天空的扫掠。波道管可动切面移动速度可由每分钟30次变至60次。小的速度用于观察近距离的飞机。

仅靠方位天线和高度天线的电扫掠,是难于“观察”一个区内的全部天空。固定的天线只能“观察”一段狭窄的空间,当然也就只有在目标进入天线的波束时,才能捕捉到目标。要使方位标示屏上捕捉得的目标能在高度指示屏上显示出来,方位侦测员可借一个脚踏操纵蹬的帮助,旋转高度天线指向目标。在侦测员面前的方位指示屏和高度指示屏上,装有标尺状的天线位置指示器,它用机械装置和脚踏转动装置联动。当侦测员把标尺的中线对准飞机在屏上的光点时,另一天线就准确地指向目标。方位侦测员可使高度天线在水平面上20度空间范围内旋转,而高度侦测员可使方位天线在9度空间角的范围内旋转。
由目标反射回来的脉冲信号被这些天线收到后,进入接收机的输入端。经过检波和放大,像频脉冲就送入指示器阴极射线管的控制电极上。
指示器以阴极射线管荧光屏上扫描线的移动,系与天线的波束同步。同步作用是由两部扫掠发生器里的可变电容器和可动切面波导管用机械联动的方法,来加以控制。
为了增加计算的精确度,在指示屏上把扫掠区展阔到50度。为了完全利用荧光屏面,扫掠区可从指示屏边缘开始(如图3〕。

在方位和高度指示器上,采用两个图像同时投影的原理,使标示线和阴极射线管萤光屏面的图像,同时投影在这个半透明的镜面上。
当降落雷达停放的位置正确时(对跑道中线而言),方位指示屏上从扫掠线基点到计程浅底的垂线,相当于平行降落方向的一根直线;而在高度指示屏上这条线就相当于地平线。在方向指示屏上,跑道线位置在平行降落线的右方,中间的间隔视雷达距离跑道中心线的距离而定。跑道线和降落方向的准确位置,在飞行时用特别的算尺决定。决定滑翔线位置的方法也和以上所述类似,但也随飞机的型式和使用的雷达程式而有所变化。
用装在跑道起点两旁的角形反射器,很容易把跑道的位置标示出来。地形许可时,可以把角形反射器适当的装在远距和近距归航台的天线杆上。这样,在降落雷达的萤光屏上就能很清楚地看见反射器的回波光点,也就能依靠这些归航台,准确地控制飞机的航行并掌握其飞行时刻。
雷达降落制全部设备都装在汽车和拖车上,所以能在需要交换降落方向时移动整个指挥系统。
要掌握飞机降落方向的正确位置,并由装有参加目标指示器的指挥所继续控制飞机沿降落方向和滑翔道着陆,在降落指挥系统中还应有短波和超短波联络电台。降落指挥所中工作的有降落指挥员及其助手。第一人在降落雷达屏上观察并控制飞机的降落,第二人在侦测雷达屏上控制飞机进入航空港规定航路上的降落线。在侦测雷达指示屏的0—6及0一20公里标尺上,绘出降落线和远距和近距归航台的位置标点。0—6公里标尺上还附带标出地道轮廓;而在0一20公里标尺上标出飞机进入降落线的航路。此外;在两小指示屏上,依降落雷达的方向绘出观察地带。侦测雷达指示屏的标尺除以上所说的两个外,第三个标尺为32公里。在方位指示屏上画一条降落线,距两侧5和15公里处绘两条平行标示线,相当于地面上150公尺和450公尺的距离。用这种标示线就能判断飞机偏离降落方向的大小。在方位指示屏上也同样绘出远距和近距归航台的记号,和最大偏航线。
远距和近距归航台的图形记号,应该和角形反射器回波光点重合,这样就容易确定雷达位置偶然变化。
在高度指示屏上应有水平线标出300,150和50公的高度。滑翔线应按指定的航空港近入降落图,用相应于远距和近距归航台上空飞行高度的各点绘出。并且也同样地绘出偏离滑翔线最大距离的范围线。
在方位指示屏和高度指示屏上还有距离标记,标尺从15公里到 7公里。指示屏上标出的记号,都印在用透明塑料的标示板上,罩在阴极射线管的玻璃保护罩上。
指挥塔台上的指挥员引导飞机接近机场,当到达指定的高度时,指挥员就对降落指挥员下达命令。等到飞机回波光点在侦测雷途的指示屏上出现后,降落指挥员的助手就开始监视飞机回波光点的移动。如果飞机飞行在规定进入降落的航线上时,就不再向飞机下达命令。
当飞机进入降落雷达的视察地带以前,降落指挥员用联络扬声器预先通知降落雷达上的方位侦测员,旋转天线位置开始侦测。在捕捉到飞机以后, 侦测员就将天线对准移动的图象进行跟踪。降落指挥员同时也在方位指示屏和高度指示屏上注意飞机的动态。飞机偏离跑道方向线和滑翔线,指挥员就对飞行员下达相应的命令。
下达给飞行员的命令应该包括偏离跑道方向线和滑翔线的距离,着陆方向角的修正以及速度的减低数值等。应该每隔一定时间将飞机离跑道起点的距离,以及一定时刻内的它行高度通知飞行员,让他掌握方位。
借雷达的帮助,可用着陆姿势标识控制飞机着陆,并靠相应的机场侧面图观察飞机的回波光点,一直到飞机着陆轮接触跑道甚至在跑道上滑走。(施镭节 译自1956年4月号苏联“民用航空”杂志)