消除调幅交流声的方法

🏠 首页 《无线电》杂志 1957年 🔗 第7期 🔗 第18页 分类:“现代家庭电子制作”电视讲座辅导材料 🔗 穆振声 🔗

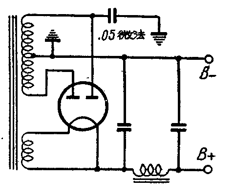
收音机在收听电台时,常常在收到电台广播的同时,喇叭中发出呜呜的调幅交流声,特别是收听强力电台时,这种交流声更大。我们只要用一个0.05微法的电容器如图示跨接在整流管屏极与地之间,即可消除这种现象。(穆振声)

图1
图1 🔍原图 (479×401)