随着有线广播的发展,为了解决串音问题和减少电力在传输过程中的损失,有些地方已经开始建立中继放大站。与此同时,在这一工作上一开始便出现了一些问题(矛盾),这些问题如果不加以解决,将阻碍有线广播的发展。其中比较常遇见的一个问题,便是中继放大站输入和输出线路的回串问题。因为目前我们还是利用县内电话线路开放有线广播,因此从广播站到中继放大站的传输线(中继线)是利用县到区的干线,常与接到中继放大站扩音机输出的传输线,即区到区或区到乡、社的线路,在一段不太短的距离内共杆架设,因此经过扩音机放大后的信号,又回串到输入扩音机的中继线,使扩音机产生振荡,不能正常工作。
现在对于解决这一问题,有些地方已采用的办法,是提高送往中继放大站的信号电压,使它达到中继放大站时,仍能大大地超过回串所产生的电压,然后被同时加以衰减而接入扩音机,使衰谈后的回串电压不足以使扩音机产生振荡,而输入信号仍有足够的强度。但是我们认为这不是一个好办法,同时与设立中继放大站解决串音的目的相矛盾。
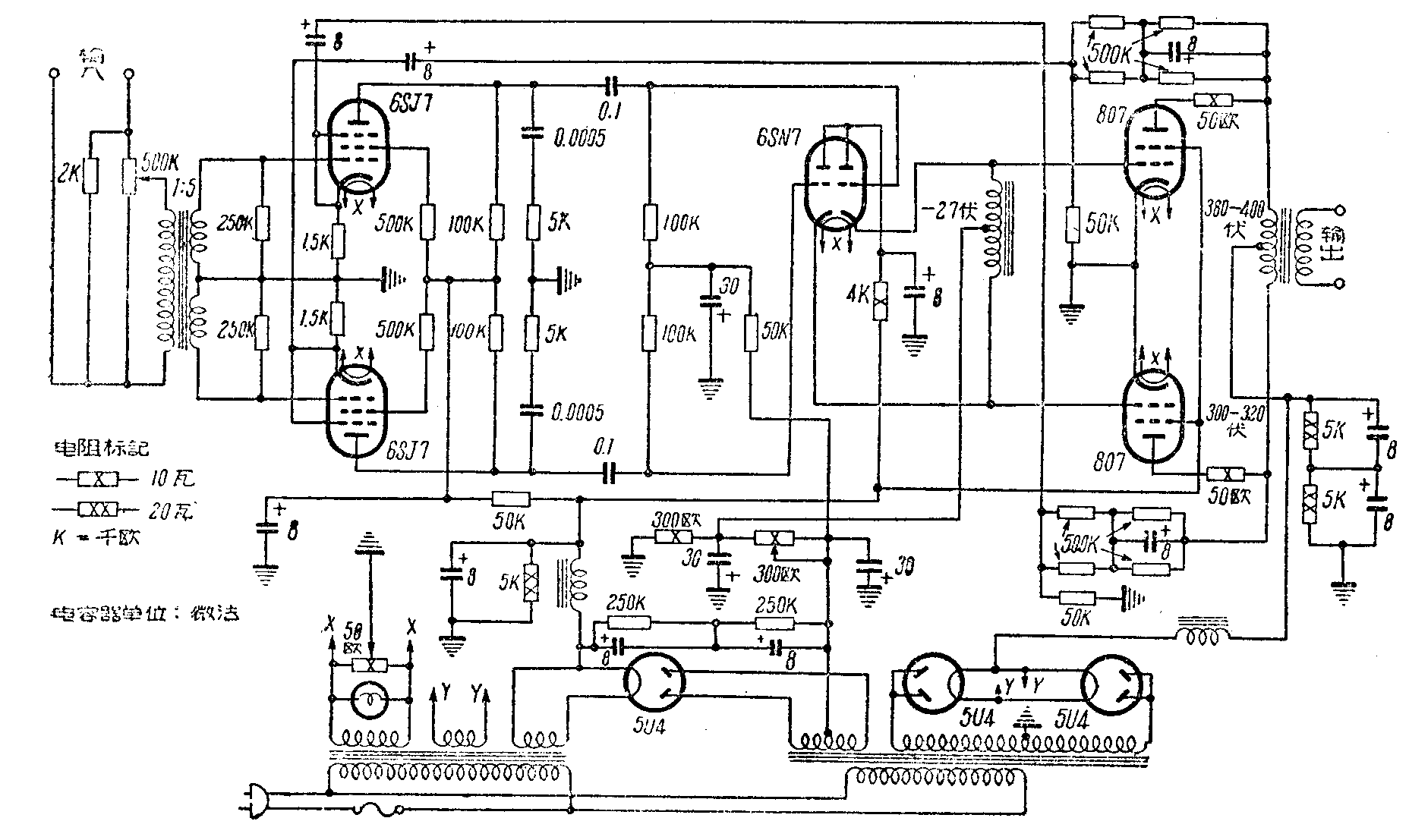
最近我们在建立某市郊有线广播站时,为了避免串音,也决定设立中继放大站,发生了同样的毛病,在这种情况下,提高信号电压的办法不能采用,而采取分杆的办法又很不经济。于是我们对于这种回串进行了分析,认定它是属于一种正回投,因此我们在中继扩音机中,采用深度的负回授装置(见附图),这样,我们便找到了解决这一矛盾的较好的方法。

经过实际应用,证明这种方法是正确可用的,确实能解决这一问题——串音。但是在应用上应注意到一点,就是负回授必须回到最前面的一级,否则回串的信号经过前面未加负回授的放大级,仍可能产生振荡。(伍柱稳 贝远禧 沈听泉 易普园)