我们利用目前市场上存贷较多而价格低廉的旧式2伏直流电子管,制成了一架收音、扩音两用机,经过多次试验,觉得效果很好,配用一只25瓦号筒式永磁喇叭,在室外可以供4、5百人收听,适合于一般白天无电的中小城镇和农村中的小型会场使用。它的技术规格如下:
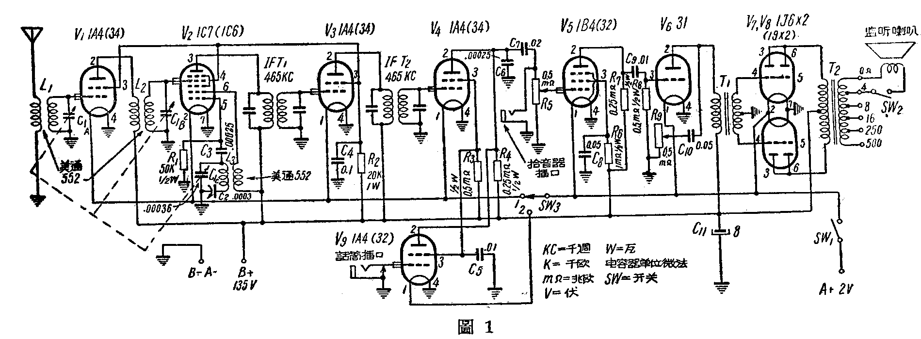
1.内部结构:包括有一级高放的超外差式收音部分和用5只电子管组成的乙类放大器,共用9只电子管(图1)。2.收听范围:550—1600千周广播波段。3.电源:甲电2伏,乙电100—135伏。甲电消耗在收音时为0.91安;扩音时为0.73安。乙电消耗约60—80毫安。4.输出功率:在乙电为135伏时,最大输出约4.4瓦。

这架机器的灵敏度很高,由于加了一级高放,杂音干扰大为减低,在距离广播电台200公里以内,可以不用户外天线,声音已够清楚响亮。
收音时先将收、扩音开关SW\(_{3}\)拨向1,V1到V\(_{8}\)各管灯丝接通,外来信号由V1放大后经L\(_{2}\)输入V2栅极,在V\(_{2}\)管内和本地振荡频率发生差拍而产生的中频,经V3放大后输入V\(_{4}\)作屏极检波,V4检出的低频电压再经V\(_{5}\)、V6两级放大后,由输入变压器T\(_{1}\)偶合接到V7、V\(_{8}\)的栅极上作并联推挽式强放,最后又由输出变压器T2接到喇叭上。T\(_{2}\)次级有4、8、16、250和500欧5个抽头,以备配接各种不同的喇叭或线路变压器。图中R5是音量控制,R\(_{9}\)是音调控制。在用作扩音机时,SW3拨向2,V\(_{1}\)到V4各管灯丝电源被切断,既可节约电池消耗,同时把V\(_{9}\)灯丝接通。V9是话筒的前置放大级,用以提高扩音时话筒的输出音量。
装制这架机器时,对于C\(_{1}\)、T1和 T\(_{2}\)的质量、各零件的排列位置和校准C1的同步工作应特别注意。C\(_{1}\)的质量差,550-700千周一段就不能同步(900千周以上可以调整补偿电容器),发出来的声音轻,效率大大降低。T1和T\(_{2}\)的中心抽头两边圈数要一样,特别是T1,否则声音容易失真。自绕时T\(_{1}\)可用截面积为18×18公厘的硅钢片,初级用直径0.11公厘(41号)漆包线绕2800圈,次线用0.14公厘(38号)绕2000圈,在1000圈正确中心外抽头。T2用截面积为22×22公厘硅钢片,初线用0.14公厘线绕3200圈,在1600圈中心处抽头,次级4欧用0.81公厘(21号)绕90圈,8欧和16欧用0.57公厘线(2号)绕128圈和180圈,250欧用0.23公厘线(34号)绕710圈,500欧用0.2公厘(36号)线绕1000圈。另外,L\(_{1}\)、L2和L\(_{3}\)排列位置要互相垂直,切勿靠近,V1或V\(_{3}\)应加隔离罩,V5、V\(_{6}\)的栅极接线要用隔离线,否则容易引起叫啸。
由于机器耗电比较费,用干电池供给是不恰当的。可以用2伏40安时和135伏1.5安时的甲、乙蓄电池供给。大约每充电一次,可以使用20小时左右。(孙仪军)

