1.把一个电源变压器的铁心拆去接上电源,线圈很快的就会发热烧毁(图1),为什么?

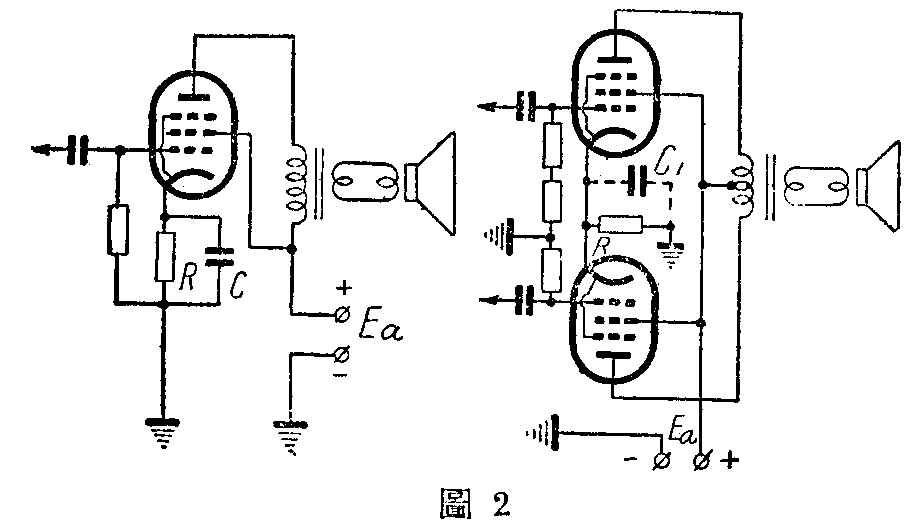
2.下面两个放大器的输出级电路(图2),电子管所需的栅偏压都是由电阻R所产生,C和C\(_{1}\)是傍路电容器。现在C1坏了,若拿掉它是否会产生负回授?

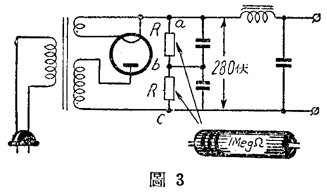
3.一个普通的半波整流器(图3),因为没有耐压高的滤波电容器,所以用两个耐压为150伏的电容器串联应用。我们再仔细看一下,在这两个电容器上还分别并联了一个1兆欧的电阻,为什么?

4.图4是从三用电表里拆出来的线绕电阻,为什么它的绕法和一般线绕电阻不同?

5.纸质电容器的纸壳上,常常画有一个黑环,是什么意思?

6.力了判别两个电源变压器的质量,作了如图6的实际,请问到底哪一个质量好?

7.整流管5y3,由于输出电压较高,滤波电容器比较容易打穿。但改用5z4,输出电压相同,电容器就不易打穿,为什么?(蒋焕文)
上期答案
1.如果铁心断面不够大,很容易引起铁心的磁饱和,使发出的声音失真或音量变小。在铁心间放了一层绝缘纸作为空隙后,初级线圈里虽然有很大的直流电流通过,也不致引起铁心饱和,消除了变压器所引起的非线性失真。
2.这是为了消除和减少由于流过励磁圈的直流电流不纯而引起交流哼声。因为脉动的磁场在这个线圈里感应的交流电势只要和音圈感出的交流电势方向相反,那么把这两个线圈串联起来,交流电势相互抵消,因而大大的减轻了喇叭所发出之交流哼声。
3.那是因为一般外差式收音机都装有自动音量控制。在没有收到信号时,收音机的灵敏度最高,微弱的杂音也能得到充分的放大。但一旦收到电台则灵敏度就自动降低,杂音得不到足够的放大的缘故。
4.人体对地有一个微小的交流电位,手按低频放大管栅极就等于把这个交流电位接到栅极上进行放大,因而在喇叭里听到“咕咕”的交流声。如把这个交流电位加到中放管栅极,因为它不能通过中频变压器,所以就听不到这个交流声。
5.在超外差式收音机中这种干扰有一个名字叫“像濒干扰”。大家知道如收听电台的频率为f\(_{1}\),一般本地振荡的频率应为f1+f\(_{2}\)(f2为中频),但是频率为f\(_{1}\)+2f2的电台,经变频后同样能产生f\(_{2}\),再经检波放大后就能听到它的隔音了。这个电台(f1+2f\(_{2}\))在刻度盘上离f1是比较远的,离f\(_{1}\)近的电台反而收不进来道理就在于此。