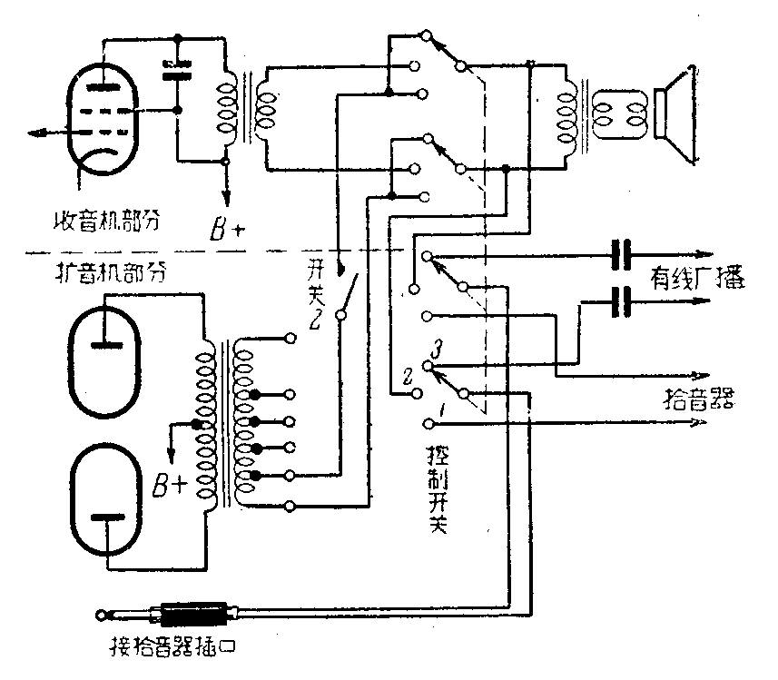
许多小型扩音机都没有无线电收音部分,要另备收音机才能收听和转播无线电广播。为了使用上的便利,可以装一只如附图所示的收音机和扩音机联合使用的控制器。

控制开关可用收音机波段选择用的四刀三掷开关代替。在播放唱片时,把收音机关掉,控制开关旋到唱片位置1,收音机喇叭当作扩音机的监听喇叭。旋到收音和作无线电转播位置2时,喇叭仍接回到收音机上,收音机输出从喇叭音圈的两端输入扩音机的拾音器输入回路而把它放大。如果要转播有线广播,只要把控制开关旋到3,有线广播线路就接到扩音机拾音器输入回路。这时,收音机喇叭也作监听。
当扩音机在用话筒讲话时,可以用开关2把监听喇叭关掉。这个控制器的接线也要用金属隔离线,避免因回授而引起叫啸。(吕钟乡)