苏联无线电杂志本年第二期上刊发了一篇关于提高收音机检波级灵敏度的文章,原作者将倍压整流的原理应用到检波器上,叫做“倍压检波器”。倍压整流可以使输出的单向脉动电压等于交流电源电压的两倍,倍压检波也可以使输出的单向音频脉动电压等于交流电源电压的两倍。

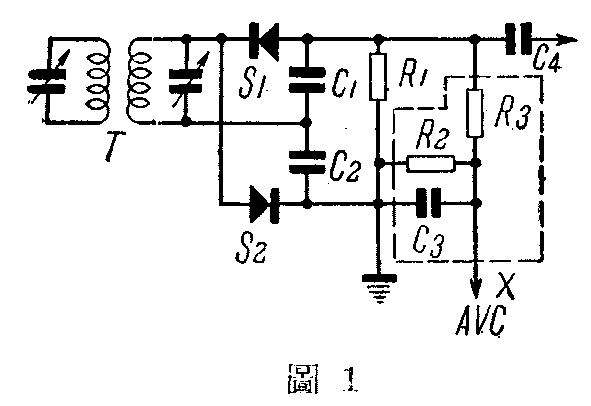
原作者的倍压检波器设计是用两个半导体担任的,不但价廉,同时灵敏度也高。如图1中,T为中频变压器,S\(_{1}\),S2为半导体。中频信号经相互串联的S\(_{1}\)、S2检波作用而在电阻R\(_{1}\)两端得出两倍的音频电压,经电容器C4而输送到下级低放管的栅极,这样无形中增加了低放管栅极的推动电压,使收音机放出更大的音量。图中虚线内的R\(_{2}\)、R3和C\(_{3}\)系AVC(自动音量控制)装置。从X点可以得到随信号大小而变化的稳定直流负压。将X点接到前面中放管和交频管的栅极回路中完成AVC的工作。

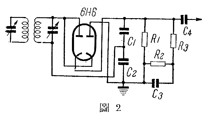
我国有一些旧式外差收音机的第二检波由6H6管单独担任的,也可以改成倍压检波(图2)。矿石收音机也可应用这个道理改装成倍压检波形式,只需增加C\(_{1}\)、C2两电容器和一块矿石便可(R\(_{1}\)、R2、R\(_{3}\)和C3、C\(_{4}\)不要,用听筒代替R1,T就是调谐线圈)。
这类检波器C\(_{1}\)、C2的电容量不可太大,否则输出的直流成份增加,交流成份相应减少,减低了音量并引起失真。(刘廷倬编译)