国产的“Ty-50”型扩音机(图1)是参照苏联农村有线广播站所用的50瓦扩音机设计制造的。全机包括扩音机、收音机、电唱机和录音机4个组成部分,合装在一个铁箱里。重量约87公斤,箱底有减震装置,移动很方便。扩音机输出40瓦,失真小于10%,可以供给一个容5000人的大厅或3000人的室外会场开会听报告,或担任农村有线广播,播送唱片和录音机录下的节目或转播广播电台的节目。本机可以使用110伏或220伏电源,并可在90—120伏和190—230伏范围内进行适当调节(见图2中T\(_{1}\),90—120伏分6档 ;190—230伏分4档)。全机消耗约380瓦。配用的话筒是低阻动圈式或炭精式的。另外还有插接600欧传输线的插口(这个插口,也可以插高阻话筒,这样就可以很方便的同时插两个话筒在机上,可以混音),可以转播其它有线广播站送来的节目。机内还装有一个127公厘直径的小喇叭,这是收音机的喇叭,但扩音时,又自动接到扩音机上充监听喇叭。

收音机是9灯长短波超外差式,收听频率分: 0.55—1.6兆周;3.9—7.6兆周;9.2—12.1兆周和14.6—18兆周等4个波段。波段开关是滚筒式的,有可靠的接触点,接线短,频率稳定。收音机消耗电力约60瓦,可以单独使用。最大不失真输出约2瓦。频率响应特性曲线见图4乙。

配用的录音机是磁带式的。电唱机可以放250公厘或300公厘直径的唱片,采用晶体式唱头,音频输出范围比较宽,因为输出强放级上加有负回授回路,输出电压比较稳定。
线路简单说明

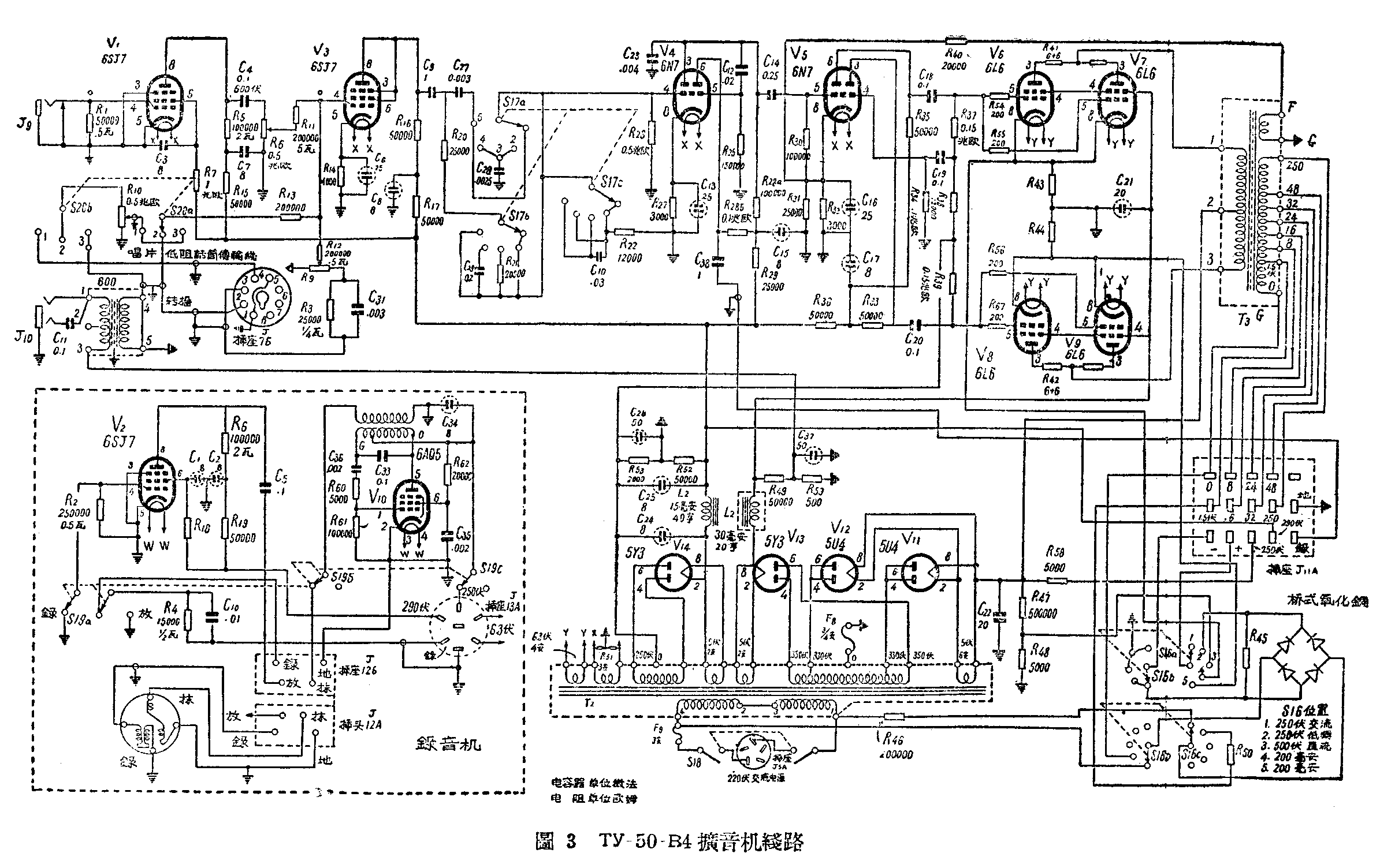
扩音机 在图3中,从600欧线路输入的信号由插口J\(_{9}\)输入经第1音频放大级的电子管V1,和音量控制器R\(_{6}\)接到第2音频放大级电子管V\(_{3}\)的栅极。话筒输入的信号,是由插口J10、经话筒变压器T\(_{5}\)接到选择开关S20。另外,电唱机和收音机的输出端,也接到S\(_{2}\)0,由S20的旋臂任意选择。信号由S\(_{2}\)0经音量控制器R10后,也接到V\(_{3}\)的栅极。V1和V\(_{3}\)都是6Ж8(6SJ7)管。V3的输出又经过几个电阻和电容器所组成的音调控制线路,接到第3音频放大级V\(_{4}\)。音调控制开关Sl7 放在5个不同位置,就可以使扩音机发出高低适合的音调。当S\(_{1}\)7放在位置“1”时,频率响应特性曲线(图4甲)最平坦,适合播送占较宽频带的音乐;放在位置“2”时,适合播送唱片;在位置“3”时,适合一般乐队音乐和舞曲,在位置“4”时,适合放大语言的音频;在位置“5”时,适合放唱片或进行录音或放音。V4(6H7C或6N7)是双三极管,左面一只三极管作音频放大,右面一只作录音放大。电子管V\(_{5}\)(6N7)是反相器,把不平衡的输入变成平衡的输出,来推动末级强放管。强放管由4只6L6G组成,接成甲乙类并联推挽放大。音频电压经过各个电子管的放大后,最后由T3输出,输出变压器次级有8、16、24、32、48、250欧几个抽头,可以配合不同的喇叭和线路负荷。


收音机 (图5)收音机全部采用花生电子管,高放、振荡和中放都用6BA6(6K4П),变频用6BE6(6A2П),第二检波、低放兼自动音量控制用6A7T6,强放用6AQ5(6П1П)。当转播时,信号从第二检波管经音量控制器R\(_{2}\)8、J85、图2中J\(_{8A}\)、J7A和图3中J\(_{7B}\)、S20、R\(_{1}\)0接到V3管的栅极,再由扩音机放大。

录音机 录音机包括录音、放音头、电动机、放音前级、超音频振荡器和控制机构。放音前级电子管V\(_{2}\)用6Ж8(6SJ7)(图3)。当录音时,利用V4和V\(_{4}\)以前各级,把放大后的音频,从V4右半只三极管经过J\(_{11A}\)、图2中J11B、J\(_{13B}\)又回到图3中J13A和录音、放音开关S\(_{1}\)9和J12接到录音、放音头的录音线圈。放音时,录音、放音头的放音线圈产生的信号经J\(_{12A}\)、J12B、S\(_{19}\)输入V2放大后,再经过J\(_{12B}\)、J12A、J\(_{7A}\)、J7B(见图2、3)各插头、插座和R\(_{9}\)接到V3的栅极,再行放大。超音频振荡器电子管V\(_{1}\)0是6AQ5,振荡频率35千周,采用哈脱莱线路,输出经T6的电感交连接到录音、放音头的抹音线圈,充抹音和录音的“偏压”。
使用和维护
使用时,首先要注意接用的电源电压一定要和机上电源电压的选择开关所指的电压数字相符。然后把复用电表M\(_{5}\)的选择开关S16放在第1位置,调整自偶变压器T\(_{1}\)的电压调整臂,使电表所指读数在220伏左右。电表选择开关S16在第2位置时,电表读数是扩音机的音频输出电压,读数在1.5伏左右时,扩音机输出正常;第3位置时,电表是扩音机直流高压;第4位置时,量强放管V\(_{6}\)、V7的阳极电流;第5位置时,量强放管V\(_{8}\)、V9的阳极电流。
扩音机和其它各部分的机件联用时,应注意选择开关S\(_{2}\)0放在适当的位置。话筒变压器T5初级尚有250欧抽头一个,可以把插口J\(_{1}\)0改接,使配合电阻较低的话筒。收音机里装有调谐指示管(圈5中V9),可以辅助收音机的调谐。录音机上装有记时计,指出录音的时间,在开始录音的时候,把记时计的针头拨到“60分”处。录音完毕回倒磁带前,必须将录音、放音开关S\(_{19}\)转到“放音”位置。否则,回倒时会把已经录在磁带上的声音抹掉。
机器应经常保持清洁,防止受潮。注意电源电压不能过高。每使用6个月,应作一次检查,校验各级电子管的电压、电流数据是否和规定的将合;各种零件有没有变质或松动,必要时应该把它们调整。录音机的录音、放音头线槽里如有灰尘和污垢,会影响机器效能,可用四氯化碳拭抹。电唱机的晶体拾音头不能受震,也不能受过高的热度,否则容易损坏。机内各转动部分应及时加轻质润滑油以免磨损。