国际性的会议上或是多民族参加的国家重要会议,会议的参加者、来宾、新闻记者及其他出席者,需要在每次演说和发言时,靠听筒式扬声器,都同时听见和原来语言意义相同的自己所熟悉的语言。我国是一个多民族的国家,当我们各兄弟民族的代表们聚集在一起开大会的时候,就需要同时能播送多种语言的设备,不然的话各民族弟兄们之间要畅快的交换意见听重要的报告,就要花费许多时间去把每一段发言翻译成几种语言。
多种语言播送,少不了要有各种语言的翻译工作者。但他只须要会说一种语言并会听另一种语言,就能担任工作;而不是要他会说一种语言并会听各种语言,因为这样的要求,实际上几乎是无法做到的。
从简单到复杂的播送装置
最简单的播送机,是翻译和播送一种语言,它的原理如图1。讲话的人对着微音器M\(_{1}\)发言,经过放大器A1放大后,翻译员由耳机F\(_{1}\)里听到了声音,就对微音器M2发出另一种语言,经放大器A\(_{2}\)放大后,送到许多听众的耳机F2去。

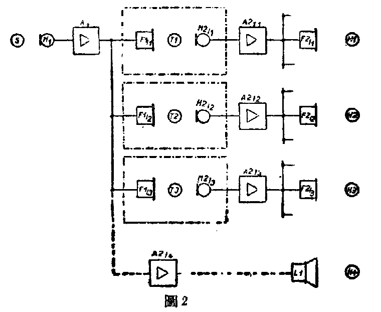
一个人的讲话,要同时译成几种语言播送,可以用图2的装置。原理和图1一样,不过有了几条平行的翻译和转播的“语言组”,听众只能固定的听他们预先选定听的一种语言。此外,还装有一放大器和扬声器,有一组听众可以直接听原来的语言。

这种装置虽简单,但听众坐位不能改变,又要求有全才的翻译人员,能够一听各种语言便直译成一种语言播送出去。
设计工程师们,首先想到应当给参加会议的人更多的方便,便在座位上装了一种旋转开关如图3,这样不管他坐在什么位置,高兴听那一种语言,就可以听那一种语言。

其次,应当解决没有全才翻译人员的实际问题。譬如,译员T\(_{3}\)(图2)不能翻译演讲人所用的语言,而听得懂T1所播送的语言,就让他翻译T\(_{1}\)所播送的语言。这只要在装置上多一组旋转开关就可以了,这样的线路如图4,是一个完全可以实用的线路图。


新式的多种语言播送机,比图4又复杂了些:多用了一些备份微音器,发言指示灯,音量调整和指示器和监听耳机;在座位上还装有表示发言太快的红色指示灯;在翻译室里,还多一个信号按钮,接到后备员休息室,表示自己紧张的工作了一段时间,不能继续工作下去,请要替换等。但主要工作原理和图4是一样的。座位上通常是用10,000欧姆的耳机,1,000个这样的耳机的并联总阻抗约10欧,因此播音所用放大器的输出必须是低欧姆的。通常采用输出阻抗为400欧的标准放大器,再用变压器降低若干倍,符合实际阻抗匹配的需要。
用无线电代替有线
更灵活的装置,是用无线电代替上述的导线连接,有次国际会议上就曾用了这样的系统,有十个石英稳定的调频发话机在长波段工作。发话机是接到沿大厅墙壁布置的环形天线上的,各播送一种语言,它们的频率不同,自100千周起每差12.5千周用一个频率,可以供给数千个接收机工作,接收机里各装有三个花生式电子管,担任高低频放大和检波,并有自动音量控制,电源是小电池,可以继续使用约一星期。带着接收机的会议参加者,可以在大厅中随意来去。
最新式的接收机,没有电子管,仅用了一个作为检波器的的锗两极管,频率的选择,也就是所要听的语言的选择,是用外加固定电容器C\(_{2}\)来控制的。
更新式的接收装置,只有一小耳机,它的磁极伸长出来6—8公分,作为天线,工作特别灵敏。
全场用无线式的多种语言设备虽然很方便,但如果会议上讨论的问题有保密性,或会场附近电气干扰严重时,还是不便用无线电来播送的。
(本刊根据国际广播组织出版的“情况与公报”1955年六月份第51期“多种语言同时播送的装备”一文编写。)