企业管理人员或生产调度员向各单位或车间进行有关业务上的联系时,可以利用公用对讲扩音设备直接和一个或几个相关单位同时进行通话。这种设备的优点是工作人员可以不离开工作岗位,节省了工作时间。
公用对讲扩音设备主要是一部低频放大器,放在管理人员或调度员的地方,各分机分别安装在须要通话的各单位或车间等地方。
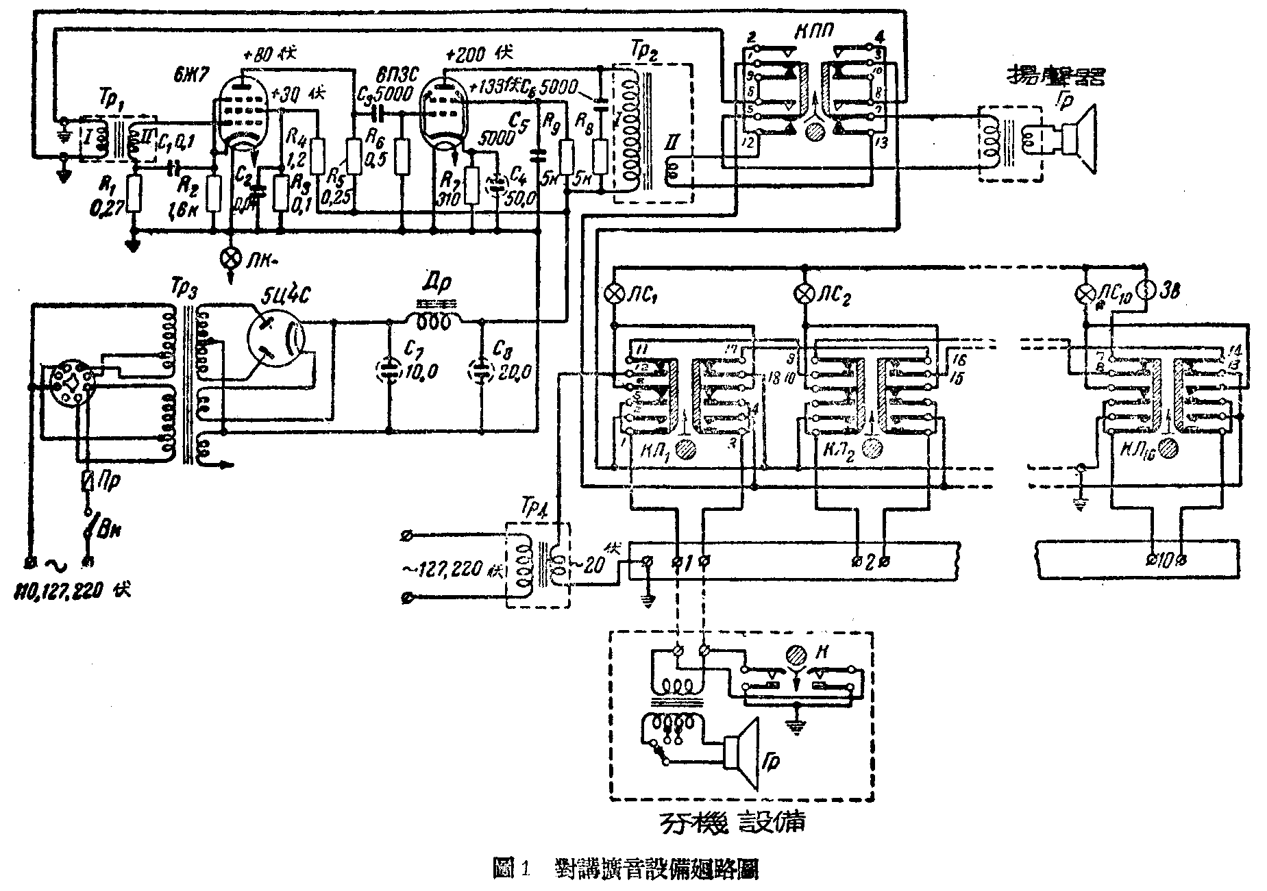
图1是一套有10个分机的扩音设备的回路图。主机和分机的电动扬声机是兼作发话器的。这个回路图的工作原理如下:当主机上的线路电键KЛ中任何一个按下时,通到那路分机的外线就经由KЛ的接点1、2和3、4接入主机的收发电键KЛЛ;当收发电键KЛЛ接下时,分机又经它的接点1、2和3、4接入放大器的输出变压器次级,同时主机的扬声器Г\(_{p}\)经接点5、6和7、8接入放大器输入变压器Tp1的初级。这时,主机就可以呼叫分机。主机发话完毕,将收发电键KЛЛ扳回原来位置,这时,使分机的线路由KЛЛ的接点1、3经接点9、10,从原来连接在输出变压器次级的位置改接到T\(_{p1}\)的初级,而主机的扬声器Гp同时经接点5、7和12、13改接到输出变压器次级,分机就可以开始向主机发话,完成通话。

假使某路分机须要呼叫主机,只要按下按钮K。这时,外线被K短路接地。主机上那路的信号灯ЛC和电铃3B的回路经各个KЛ上串联的接点5、6、7、8、9、10、11和12,到呼叫信号电源变压器T\(_{p4}\)接地,完成通路,于是那路信号灯亮,电铃振鸣。使得主机处的人员注意。主机的放大器关闭,也不影响到分机呼叫主机。
当线路电键(KЛ\(_{1}\)……KЛ10)和收发电键KЛЛ在平常位置时(如图1),放大器输入端经KЛЛ的接点9、1和10、3被KЛ的各个接点13、14、15、16、17、18短路,这样就防止了放大器产生振鸣的可能。
当按下KЛ,准备通话时,除掉把相应的分机接入收发电键KЛЛ外,信号灯和电铃的电源回路同时被切断。
这种设备除分机安装地点噪音过高,超过60分贝(如锻铁车间),使用时须走近扬声器1—2公尺外,一般都可就地回答(如冷铸加工车间,噪音电平不超过30分贝)。
按图1装成的放大器,当线路用0.5公厘径的铜线,长达1公里时,即使由于企业中装有大量电气机械而在线路中引起杂音,也能保证工作良好。
图2是主机装成后的外形图。所有零件都装在木箱内。

输入变压器应装在机架底板下面,尽量和输出变压器、电源变压器等分开,并互成直角,以免产生不必要的耦合;或者把它放在屏蔽罩内和其它零件隔离。
每对输入线应拧成绞合线,并尽量短些。
连接电键KЛЛ的导线应用隔离线,愈短愈好。
按图1装成的对讲扩音设备,如有振鸣或啸叫声,可把各变压器、扼流圈等的位置加以调整,并改用适当的电容器C\(_{3}\)(0.001—0.005微法),自励就可消除。
主机和分机木箱下应装软橡皮衬垫,以防震动,特别在发话时更显重要。
如果需要对多路分机同时通话,或主机对主机需要通话,就须加装几部主机。并可用下面两种办法通话:
1.从分机外线引入主机配线架的每一接线,引出两三条接线分别接到加装的主机上(图3的虚线部分)。

每一加装的主机,都有放大器。当分机呼叫主机时,应采用约定的信号(如一响电铃呼叫调度员,二响呼叫总工程师等)。
采用这种方法时,装有几个主机的地方就可同时和几个分机通话,但是不能同时和同一分机通话,主机和主机间也不能通话。
2.几个主机中一个有放大器,其余只有控制设备。没有放大器的和有放大器的主机间用五对导线相连(图3中有点的虚线)。每对导线分别作收话,发话、放大器电源启闭、信号指示灯和振铃之用。两对收发话导线分别把两个主机中KЛЛ的接点6、8(输入变压器初级)和12、13(输出变压器次级)彼此并联;接6、8的导线应用隔离线(图4)。其余接信号灯和电源开关的导线也分别并联;另外一对导线,一根连电铃,一根接地。接地线也可利用隔离线外壳。

这种方法,除主机能和分机通话外,主机和主机间也能通话。不过在同一时间内,只能有一路通话,其余各主机能听到双方发话。(乔同生、龚方雅 译自苏联大众无线电业书第202种,苏联И.A.奥依法原著,本刊编写)