大中型发报机的控键设备,多接到第二或第三放大级如图1,这样振荡级就能怛定的工作着,不受断续信号的影响,再采用独立的电源供给,发信机输出信号的频率可以比较稳定。

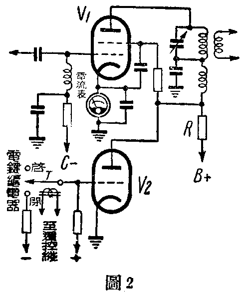
控键设备,普通有吸收式和串接式两种,如图2和图3所示。串接式电键继电器不闭时,控键管V\(_{2}\)的栅极(见图3)有负电压,屏流被截止,电子管无屏耗;同样情形时,吸收式控键管V2栅极(见图2)有正电压,有大量屏流经电阻R,产生屏耗和R上的热消耗。两种方法,效果相同,但比较起来,当然以串接式为好。不过串接式也还有需要改进的地方。


串接式控键管V\(_{2}\)的屏流等于放大管V1的阴极电流,须选用屏耗较大的电子管如807、6L6、837等,工作良好时V\(_{2}\)的栅偏压约在-50伏以上。通常报房送出±50余伏的直流电压,被遥控线降到40余伏,控制V2嫌不够,闭键时发热机有输出,启键时还有“背波”。如提高报房送出的电压来补救,又要有适当的报房设备,还须考虑到遥控线的绝缘程度,到了雨天不致因增高了电压容易漏电,影响V\(_{2}\)的正常工作。所以在发信台加装电键继电器是比较好的办法。但这继电器需要很好的调整,否则接触不当,不是漏点子就是长划,保证不了通信的质量,也给日常维护工作增加了不少麻烦。而且继电器的机械动作,对发报速度也有限制。
这些困难,说明有必要找一种没有接触点和速度限制的电子开关。这就是创制控制807、6L6等控键管的“触发电路”的动机。
“触发电路”的原理
请看图4和图5的结构图(附零件表)和原理图。图5里1、2两端子接遥控线。报房启键时,线上有负电压,加到电子管6SN7左半部的栅极g\(_{1}\)上,使P1上没有电流,R\(_{5}\)上没有电位降,同时P1的电位升高,并使6SN7右半部栅极g\(_{2}\)上的电压升高趋正。P2上便有大量电流通过,在R\(_{6}\)上产生很大电位降,使P2的电压降低,影响到和P\(_{2}\)相接的辉光管VR—75,这时它两极间电压低于它的“起弧电压”,立刻“熄灭”,于是R9里没有雷流,接控键管栅极的端子4上便有了等于负压电源的负压,截断控键管的屏流,发信机立刻就没有信号输出。报房按键时,正压加到g\(_{1}\)上,P1上有大量电流,经R\(_{5}\)产生很大电位降,使P1上的电压降低,g\(_{2}\)的电位下降趋负,于是P2上的电流被截止,P\(_{2}\)的电位升高,辉光管立刻发光,就是有电流通过辉光管,这时端子4供给控键管栅极的是正电压,发信机立刻有信号输出。


图4比图5多出来了几个电阻R\(_{1}\)、R2、R\(_{7}\)和R8、R\(_{1}\)防止遥控线短路或对地漏电时,6SN7栅极g1失去偏压;R\(_{2}\)供给栅极g1一经常的负压,防止遥控线断路或报房没有电压送来时,g\(_{1}\)上失去负压使发信机发出长划。R7和R\(_{8}\)是分压电阻,供给栅极g1和g\(_{2}\)适当偏压。
制作
为了便于维护检查和用于不同的发信机起见,“触发电路”可装在一只10×7×5公分的小铁盒上。电源由发信机供给。所有正负电压和灯丝电压的引线、控制线、和地线等,都接在一只八脚插头上,如图4所示。
VR—75管如不易购到,可用220伏3瓦的氖气管改制代替。改制法系先将氖气管的铜螺丝口去掉,取去玻璃泡里面的串联电阻,再找一只废八脚电子管的管腰,把氖气管装上用粘合剂粘牢即可。效果和VR—75是一样的。
试验
用“触发电路”控制控键管后,遥控线电压的变化对控键作用无影响,这方面和继电器有同样功用。6SN管所需截断屏流的偏压很低,报房送来的±50余伏电压控制6SN7远远超过需要,所以工作极稳定。遥控线来的电压降到±10伏还起作用。放报速度可高达每分钟150字组。(陈镇川)