自制电脑功放卡
PC·DIY
日前,笔者从二手货市场淘得一个80元的Dynaco(加州阳光,一个老牌音响厂,主要生产胆机)低音炮和130元的SONY SS-MSP2(印尼产)卫星箱(一对)。由于低音炮自带低通分频器,所以能很方便地与卫星箱组成一个超值的电脑2.1音箱系统(图1)。

万事俱备,只欠东风,现在只差一台双声道功放来驱动它了。电子技术爱好者都知道,DIY功放最头痛的是外壳的制作。我想,既然电脑机箱有个现成的外壳,不如自己做一块“功放卡”?
制作前准备
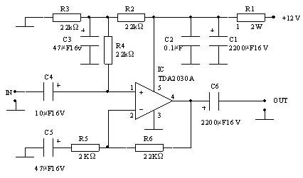
1.电路分析设计
首先要确定好功放集成电路(图2)。由于使用的是主机电源,且机箱内散热环境不是很好,因此只能选用静态工作电流较小的功放集成电路,并且能在单12V的电源下正常工作。

目前在绝大部分中低端音箱中,推动低音炮工作的功放芯片是TDA2030A,这款芯片最大的优点就是性能比较均衡,且价格低廉(两只加起来不过8~9元)。
2.所需材料和工具
其次,还要准备好以下材料和工具:单面敷铜板(1.5~2mm)、合适的散热器(笔者用的是废CPU散热器)、废PCI卡、各种接头和阻容元件、固定螺丝、导线、电钻、钢锯、电烙铁、三角板、铅笔、刻刀、什锦锉。
制作过程
根据废PCI卡的尺寸用钢锯锯出合适大小的敷铜板,钻好固定孔,去掉“金手指”处的铜箔。先安排好电源接口、散热器、功放集成块的位置,再根据电路设计安排好主要的电阻、电容位置,直接在敷铜板上画出布线图,用刻刀刻去多余的铜箔,钻好元件安装孔,焊上元件,最后就是试机了(功放卡成品请见图3)。

在试机过程中,发现电脑经常有不能开机或在工作当中突然死机的现象。经分析,可能是电源过载所致。在电源与功放卡的电源滤波电容之间串接一只1~2Ω的2W电阻后,故障不再发生。由于电源滤波电容的作用,无须担心会削弱低频。另一点需要注意的是:电路的电压放大倍数选择在10倍左右最合适,而非普通的30倍左右。
最后,接上音频输入、音箱输出插座,安装入机箱,进行测试。结果音效竟然出乎我的意料,音色中性偏暖,高中低音也较平衡,在12V的低电压下也有较强的爆棚效果!究其原因,可能主要得益于主机箱电源强大的功率储备和平滑的电压,以及音箱的高保真性能和较高的功率灵敏度。