1:1出图,测绘精度高
CAD设计室
在用AutoCAD制图过程中可能我们会碰到很多零件的测绘工作,特别是有一些零件,它们有重要的定位孔尺寸,但在结构上有很多的过渡圆弧导致无法测量这些孔的定位尺寸,这时使用AutoCAD的1∶1出图能让我们省去不少的麻烦。
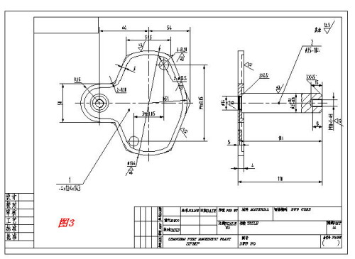
如图1,这是一个减速箱上的端盖,在这个端盖上焊接一根轴。这根轴是作为减速箱中间齿轮的定位轴,由于它是定位轴,所以它和螺栓孔之间的位置关系就显得十分重要,测绘时定位孔的尺寸误差稍大,做出的零件就会报废。

采用如下步骤来完成精确出图就能避免以上问题:
1.将此零件平放在一张白纸上,用铅笔绘出零件的外形图和两个孔的位置,作出中心线后量取大致的尺寸。
2.在AutoCAD中按1:1比例作出外形图和孔的位置图(此时不需要标注尺寸,以后还要作调整),在打印时我们选择“窗口打印”,打印比例调整为 1:1。选择“窗口打印”,主要是防止A4纸上1:1不能打印出全图,只打印一个视图(如图2)。

3.把零件放在打印出来的图纸上作比较,看看零件上的孔与图纸上孔的位置是否重合,若不重合,按零件上孔的位置偏离方向作适当的调整,这样一般经过两到三次的调整就可以完成零件的测绘。最后出零件图(如图3)。
