自制波段式风扇调速器
PC·DIY
目前市场上出售的带调速功能的风扇,以及可以直接安装在电脑机箱面板上的风扇调速器,多数是采用可变电阻,通过改变电阻的大小,来改变风扇的工作电压以达到调速的目的。由于可变电阻在大电流状态下工作,极易加速其磨损,从而导致接触不良,另外电阻是通过分压原理实现降压的,电阻上的压降所产生的功耗使电阻发热,反而增加了机箱内的热源,不利于散热。笔者这里介绍一种利用整流二极管降压的方法,配合波段开关,可实现逐级调速。
制作原理
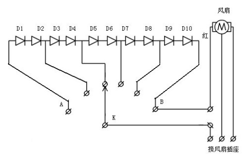
图1为电路原理图,电路由整流二极管D1—D10和波段开关K组成。整流二极管正常工作时,两端约有0.6V左右的压降。根据需要将若干只整流二极管串联起来,利用二极管自身的压降来降低负载的电压。这种方法取材简单、成本低且容易制作。由于整流二极管工作时压降低,功耗极小,几乎不产生热量。这种方法适合用于CPU和电源风扇的调速。
图1中10只整流二极管串联后,总压降约为6V左右,“K”为波段开关,当“K”拨到“B”点时,12V电压直接加在风扇上,风扇工作在高速状态。当“K”拨到“A”点时,风扇上只有约6V左右的电压,风扇工作在低速状态。这样通过波段开关可以实现从“A”——“B”点逐级调速。

整流二极管和波段开关,是电子产品的常用元件,整流二极管可选用1N4001~1N4007,电子商场有售,每只价格0.3元。波段开关有两波段~10波段等多种,电子商场售价约3元左右。整流二极管及波段开关实样如图2。

制作过程
电路的装配很简单,将整流二极管按电路焊接到线路板上,二极管与波段开关之间的引线,选比较粗且较短的铜线,这样焊接后,线路板就固定到波段开关上了(见图3)。安装时只须在机箱前面板上钻一个孔,就可以将它固定。从波段开关上引出的两根引线,要留有足够的长度,将CPU风扇上的红色线从中间位置剪断,分别与波段开关上的两根引线连接,并用热缩管或绝缘胶带包扎好(见图4)。将风扇插头插在主板CPU风扇插座上,开机试一下,如风扇不转,可将波段开关的两条引线对调一下。


用以上方法制作的风扇调速器,经过笔者近一年的使用,工作稳定、可靠,效果很好。有兴趣的朋友不妨试一试。