赛扬II600稳超990MHz
数月前,拜请两位DIYers参考配置一套多媒体系统,配置为:
主 板──精英P6ISA-Ⅱ(Intel 815E,SOCKET370);
C P U──赛扬Ⅱ-600A/66MHz/1.7V;
内 存──HY-128MB/PC133;
硬 盘──IBM 腾龙二代46.1GB/7200RPM;
这样的配置主要由于看中赛扬Ⅱ CPU的Coppermine核心和0.18微米制造工艺,低价位而易超频的特性;可用作家庭娱乐,如看DVD影碟、听音乐、玩游戏、上网等。可若要指望整套系统有好的表现,瓶颈实在太多,如主板为低价位的整合板,集成的声卡、显卡性能太差;同时,该主板工艺一般,用料太欠,单就电路板上所用的电源滤波电容及功率管而言,就显得又少又小,让人很不放心;当然,能否超频尚不得而知。虽说如此,在深入了解,分析了整套系统的状况,做到知己知彼之后,我们还是决定对它进行一番打摩,以图有上佳的表现。在此,仅仅把我们所作的超频实践介绍出来,供爱好者参考,以求抛砖引玉。超频分四步走:
#1 尝试性超频
把主板上外频设置跳线(JP4)置于66MHz处,进入BIOS的Frequency Control菜单,调入75MHz外频,把CPU主频升至75MHz×9(锁定倍频)=675MHz,一切正常;进一步调入83MHz外频,让主频升至747MHz,系统运行正常但原声卡不支持,电脑成了“哑吧”;接下来继续调入87MHz和90MHz外频,均因声卡限制而使超频失去了意义;当在这一跳线状态下调入100MHz外频时,系统不能起动,操作失败。
#1 理智试超900MHz
系统刚开始超在675MHz上使用,一两个月下来,虽然在这台电脑上学到不少东西,但总觉得花6500元买回来的这台电脑只落得个不足700MHz的速度,好不甘心,老是耿耿于怀。难道这颗CPU 就真的没指望运行到900MHz?经学习了诸多超频资料,懂得了一定的原理后,决定从CPU风扇和散热器开刀。借来朋友的“ 富士康889”风扇和散热器换下原来的杂牌东西,让机器在675MHz上运行数小时后,查看CPU 温度,明显地比原来跌下了8℃,证明散热问题已很好地解决。于是,把外频跳线(JP4)置于100MHz处,让CPU主频升至900MHz,机器自检后一路小跑进了Windows,运行一般的软件,个个OK!但在玩3D游戏时却出了问题,机器报警说“内存严重不足”!那条内存可是128MB/PC133的,小小游戏有如此大的胃口?莫非电源供应不足,抑或CPU供电受到某种干扰?果断地把电风扇从主板插口上拔下(它离CPU很近),接在ATX电源输出卡头上,再试几小时大容量、高速度的游戏下来,没出现任何警告提示,看来超900MHz稳当!但进一步超927MHz(=103MHz×9)时,运行失败!((图1))

#1 改善电源上927MHz
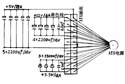
听两位DIY朋友说,赛扬Ⅱ-600的极限在950MHz,既然机器在927MH能进系统,这说明它还有较大的希望。不妨对电源下点功夫再试试?于是找来几只3300μF/16V和两只2200μF/10V的优质滤波电容,且各并上一只0.1μF的高频电容,把它们分别直接插在ATX电源的电源卡头上(注:只加大了电源的滤波电容,-5V/0.5A和-12V/0.5A电源未作加强,新添电容用塑胶捆绑在一起,用塑料盒子装好置于机箱的一角,线路图见(图2)。检查无误后开机进BIOS,把CPU外频调在103MHz上,机器自检通过且顺利进到Windows。接下来当然是玩游戏拷机了,三五几小时下来,CPU的温度虽然已达42℃,可机器却安然无恙,稳如泰山。超927MHz成功啦!写到这里,也许该大结局了,因为能把一颗普通的CPU超出50%来已属不易,能上927MHz够算极品了!但我们似乎还想贪心一点,跑着的马儿还嫌慢,难道不想上945MHz试试?后果当然可想而知──死机!不过,在看到一位同事的相同配置却能安然自得地跑945MHz玩十几分钟游戏才罢工,心里痒痒的,问题在哪里?是两颗CPU的个体差异?是我的运气欠佳?但我发现自己的CPU核心电压1.68V竟比同事的CPU核心电压1.71V低0.03V,接近差一个档次(一般0.05V为一个档次)!是不是电压偏低(CPU标称为1.70伏)限制了超频的发挥?

#1 提升电压超990MHz
因主板无电压调节功能,关键时刻,只好搬出尺把厚的《电脑报》及合订本,搜索其中关于电压超频的文章。真是运气好极,很快在《电脑报》2000年合订本(下册)的 18页获得至宝──《剖析CPU核心电压的调整》,反复核实自己主板的Socket370插座及赛扬Ⅱ-600A,与文中所述一一吻合。理解该文的精髓后,列出简化的CPU电压调整之引脚状态图和表,且找到了安全短接CPU引脚的好方法。首先,查明现在CPU引脚状态为VD0,VD1,VD2悬空,把VD3、VD4接地,处于1.70V状态,试着短接VD0入地,开机进BIOS一看,电压成功提升到1.72V(本应为1.75V),试着跑945MHz成功,但运行时,Windows窗口频频定格;再进一步按附图、附表一步步提升电压为1.80V→1.85V→1.90V,终于超至945MHz,大功告成,机器长时间运行没出现任何问题。在查看了CPU温度后决定再去试试990MHz,机器果然顺利地进入了Windows系统,但后来游戏未结束便死了机;抱着最后一搏的想法,把电压再度提高一挡至1.95V(VD1悬空,VD0、VD2、VD3、VD4接地),没想到,居然很稳定!几小时的《极品飞车》游戏下来,虽然CPU的温度已高达48℃,但反复试着重启机器,次次成功,CPU竟稳稳地超上了990MHz!
为了探测这颗CPU到底有多大潜能,我们把它的核心电压加到了2.00V,试超115MHz×9 = 1.035GHz,机器竟然自检通过且进入到Windows系统,立即运行一些程序,个个OK!但监测CPU的温度在几分钟之内很快上升到52℃,赶快退出吧,万一手脚太慢CPU烧毁就冤枉了,那以前所做的一切都将一去不复返,到那时痛心就晚了!((图3))

我们的实践成功了,有赛扬Ⅱ-600A/1.7V的朋友不妨试试(关于Intel Celeron Ⅱ Coppermine处理器,电脑报社出版的多种刊物上都有详细介绍,可供参考),但请注意了,以上第一、第二、第三、第四步不允许“快捷方式”哟,还是根据自己的CPU及主板一步一步地做吧。最后,介绍一下我们短接CPU引脚的方法:1.准备一枚小缝衣针;2.准备细如发丝的优质铜导线(如从音箱线或其它多芯线中抽取一根);3.把细铜线在针尖上缠两圈,拧出一个刚好能套入CPU引脚的小圈孔(其大小可由针尖调整);4.把绕好的圈孔套入欲短接的CPU一只引脚上,拉直导线缠到另一引脚上,同样缠两圈(注意导线别与其它任何引脚相碰 ),剪去多余的部分,这样CPU的引脚便短接妥当,插上底座即可通电试机了。