打摩YAMAHA 719声卡
本人有一块杂牌声卡,声卡芯片采用 YAMAHA 719(ISA 接口)。在Windows 98中安装完驱动程序后,运行超级解霸5.5播放CD、VCD、MP3等文件,感觉声音效果较差,主要表现为高音不够清晰、低音力度不足且浑浊不清,更难以忍受的是在打开窗口时,音箱里会发出很烦人的噪音。
拆开机箱后将声卡拔出,发现声卡接口板上有四个插座,分别为:1.MIC IN(话筒输入);2.LINE IN(线路输入);3.SPEAKER(喇叭接口);4.游戏控制器接口。接口板上没有LINE OUT(线路输出)接口,因此有源音箱只能接在SPEAKER插座上,而SPEAKER接口可直接驱动喇叭发声,说明声卡上必有音频功率放大电路。但是将功率放大器输出的音频信号送到有源音箱的方法是不理想的,很容易出现声音效果较差的现象,最好能有LINE OUT线路输出接口。所以我决定对声卡电路进行改动,将SPEAKER接口改为LINE OUT接口,以改善放音质量。
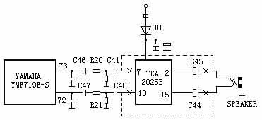
对声卡电路进行分析,电路如附图所示,数字音频信号处理芯片为YMF719E-S,数字音频信号经内部处理及进行D/A(数/模)转换后,由该芯片的第72、73脚分别输出左右声道的模拟音频信号,经阻容耦合电路送到功率放大器TEA2025B的第7、10脚,放大后从第2、15脚输出经C45和C44送到SPEAKER插座。
对电路改进如下:分别切断C41、C40到 TEA2025B第7、10脚的连线,切断C45、C44到SPEAKER插座的连线(也可将C45、C44从电路板上焊下),然后用导线直接将C41、C40的右端分别与SPEAKER插座的两端相连接,如附(图1)虚线所示,此时SPEAKER插座已经变成了LINE OUT插座。这样的改动实际上已经放弃了声卡上的功率放大电路,最好能切断TEA2025B的供电线路,直接将二极管D1焊下即可。

将声卡重新安装好后,开机试听,放音质量明显提高,特别是高音表现更佳,烦人的噪音已完全消失。对采用其它类似电路的声卡,用户可如法炮制,改造自己的声卡。
阿乐点评:因为低档声卡的功率放大电路一般都很次,所以打摩声卡的方法之一便是上文提到的去掉声卡上的功放电路。本文不仅给出了改造过程,还附上了电路图,可操作性比较强。用老机的朋友有些还用着YAMAHA 719这块ISA声卡吧?DIYer,可以动手了!