不换高压包解决显示器亮度飘忽故障
我1996年买的计算机显示器今年出现了故障。开机时前一段时间亮度飘忽不定:起初是黑屏,亮度调到最大也没有用;后来是白屏,亮度调到最小还是满幅回扫线。在开机2至5分钟后稳定,虽尚有飘忽,但用电位器调节后能正常显示。这种现象在阴湿天尤为严重。
为了排除故障,我在亮度调节电路、视预放电路等三色公共通路的重要节点比对测量故障时和正常时的电平,无异常。参考各种书籍,逐步更换了有关电解电容、视预放集成电路、显像管管座,均不能解决。再测量显像管各脚故障时的电平和正常时的电平进行比对,发现第二栅极的电压在白屏时为480V,而正常时仅180V。初步分析为第二栅极G2电源故障。由于该电源整合在高压包内,而高压包的高压静电易吸引大量灰尘,日久在电位器的三个极之间引起漏电,输出电压在0V和30V之间飘忽。最好的解决办法,就是更换高压包。
但是,显示器高压包在市场上极难寻觅,一般只能去原厂家联系邮购。这样一来时间长且价格高。我就试用自装电源。
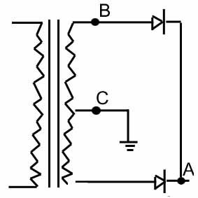
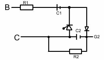
首先,将原来的G2电源从印刷板上割断。再测量显示器逆变电源变压器次级整流后的B+值(见(图1)1A点)。测得约100V。这样我只要用二级倍压整流即可获得200V左右的电源(见(图2)2)。图中R1是限流电阻,防止开机时充电电流过大。R2为泄放电阻,以防突发脉冲引起的异常高压没有泄放通道。两只电容C1用160V的,C2用350V的,它的左侧为负极。图2中左侧的B、C点接图1的B、C点,右侧的G2接显像管座的G2脚。由于二倍压和G2正常值接近,电源不再用电位器细调,原来的亮度电位器即可将亮度调到正常。


据了解,因类似原因须更换高压包的实例不少,其实均可用此方法解决。如G2所需的电压较高(如400∽500V),则可用多级倍压,如4倍压、5倍压。