使用老KT133主板超频Duron
笔者近日到电脑城配了一台电脑,这是一套追求速度兼顾成本的配置,整个价格不到7000元,使用的是Duron 700 CPU,但性能相当不俗,至今还没遇到过跑不动的游戏。
最近从《电脑报》上得知,近期出的Duron超频能力相当不错,600MHz以上的Duron一般都能超到900MHz以上,最高的可达1050MHz,但超倍频容易超外频困难。不由得我不心动──我的Duron 700何不也来试试,不超岂不太可惜。
于是马上查阅近期的《电脑报》,得知现在的Duron都是锁了倍频的,但用软铅笔或其他导电材料把CPU上的L1铜桥一一连通就可以解锁,而后就可以跳主板上的倍频跳线来超频,你看是不是很简单?可是我找遍SL-75KV主板和说明书,都找不到倍频跳线,到硕泰克公司网站查看,了解到SL-75KV是不支持倍频调整的。原来以前出的KT133主板大多都不支持倍频调整。难道不换主板就不能超频吗?我不甘心如此结果,于是上网到国内外各大硬件网站查询,果然发现不少资料。综合各家所言,经仔细分析,终于得出了超频Duron的原理,并总结出几套在不支持倍频调整的KT133主板上超频的方案,不敢独享,现提供给大家参考:
#1 1.超频的关键
Duron倍频的设定与两个因素有关:FID及BP_FID。启动时,FID信号从CPU发送到主板的北桥,然后北桥再反送一个信号给CPU以确定CPU的倍频,并且要与BP_FID信号吻合,CPU才会正常工作。至于BP_FID信号,在AMD的数据资料中并没有详尽的叙述,对于它的设定还有许多的因难。通过分析各种频率Duron和Athlon上的铜桥,可以发现其规律。((图1)1)(表1(图2))


#1 2.FID及BP_FID信号
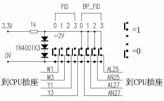
FID信号──北桥芯片通过一个上拉电阻与Vio相连,并通过主板走线、Socket A插槽、Duron针脚和CPU本身,最终到达CPU上方的一个铜桥L6,铜桥另一端的连接为0V。铜桥不连通时,位值为1;铜桥闭合时,位值为((图3)2)。由此决定Duron的频率。人为篡改这四位信号就可以更改Duron的频率。

BP_FID信号──铜桥L3、L4一端通过两个1kΩ的排阻接地和CPU内2V电源,另一端两两合并,然后分两路,一路到CPU内核,一路到铜桥L1,通过L1到CPU针脚((图4)3)。人为控制BP_FID信号与篡改后的FID信号吻合,就可以成功超频。

#1 3.超频的步骤
方法有两类──修改CPU和修改主板。
① 修改CPU
此方法最简单,只需按表一的组合用钢针和导电笔划断或连接铜桥L6、L3和L4,你的Duron就拥有了新的主频,而不用改动主板一根线。但该方法每次改频时须拆下CPU,同时还会损伤CPU外观,最好用于CPU已过保修期的。
② 修改主板
此方法就是为主板增加倍频跳线,并解除CPU锁频。
A.首先要屏蔽铜桥L6对倍频的控制,方法有三种,一是全部划断铜桥L6;二是去掉Socket A的W1、W3、Y1、Y3针脚;三是切断Socket A接口的W1、W3、Y1、Y3针脚到北桥的走线。具体采用哪种,要看主板的情况(针脚同CPU,(图5)4)。

B.按((图6)5)制作一小线路板,采用8位DIP开关或8个跳线块,前4位跳FID,后4位跳BP_FID,并按图用导线连到主板上,并接上3.3V电源。从表一可以看出FID和 BP_FID跳线是一致的。有能力的朋友可以使用电子开关从FID得到BP_FID,这样就只需4位DIP开关或4个跳线块。

C.用软铅笔或其他导电材料把CPU上的L1铜桥一一连通,让我们产生的BP_FID信号能进入CPU内核,发挥作用。
此后就可以按表一跳线设置该Duron主频了。此方法最好用于主板已过保修期的。
另外,据悉,为防止Remark,AMD公司很快会断开BP_FID针脚到CPU内核的连线,真如所言,以后的Duron要超频就只有改铜桥或把跳线焊到Duron的电阻上了。
最后提醒一下,Duron发热量大,超频后发热量更大,应注意散热。另外,有的主板的CPU测温头弹性差,受热后下垂,与CPU脱离接触,造成测温不准,笔者就见过几台Duron 700,极品飞车5跑下来CPU温度竟才20来度。最好用泡沫、橡胶之类的材料把测温头顶在CPU上,如此就万无一失了。