制冷板温度控制器
我的CPU越来越热,如不及时散热将无法正常工作,怎么办呢?水冷相当有效,但是万一漏水……,我不敢再想下去了。用半导体制冷板吧,但它能将CPU冷却到零度以下,也会产生结露现象烧毁CPU,它的确非常不错,这风险值得一冒,于是到网上去查资料。众多爱好者设计了多种方案,如降压使用、用胶密封CPU插座等,这些方法不是受环境影响太大(降压使用时天热散热不足易过热,要经常调整)就是操作麻烦不可靠。为此我设计了一个制冷板温度控制器,简单易制,但效果良好(电路示意图)((图1))。

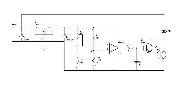
此控制器是由一个运放所组成。R1、R2为运放提供基准电压,为保证此基准电压恒定,特加入了稳压集成块7806,此基准电压送入比较器正相输入端。R4为负温度系数的热敏电阻,用于温度检测,我是从一块报废的手机电池里拆出来的,只有两毫米长,非常小,常温下阻值约为10K,如果选用其它的负温度系数热敏电阻就须改动R1、R2、R3的阻值,而且此电阻体积越小越好。C3是为抗干扰而设,其值不宜过大。Q1选用放大倍数较大的中功率三极管,Q2选用Ic超过10A的大功率三极管(我用的是2N3055,是以前玩音响时剩下的)。随着温度的下降,R4的阻值不断上升,B点的电压也不断上升。当B点电压高于A点电压时,比较器输出为负,Q1、Q2截止,制冷板停止工作;CPU温度重新上升,R4阻值减小,B点电压也减小,当B点电压小于A点电压时,比较器输出为正,Q1、Q2导通,制冷板工作,如此循环。
调试方法。把热敏电阻用一条屏蔽线连接到电路板上,然后用很薄的塑料薄膜包起热敏电阻,放入约30度(不会结露又不会烧坏芯片的温度)的温水中,用一12V的汽车灯代替制冷板,仔细调整R1,使汽车灯刚好熄灭。调整完毕后,把R1焊下测量其阻值,用一固定电阻代替,重新再测量一次触发点就可以装机使用了。
装机。把电路板固定在CPU附近的机箱上,Q2在加上一块合适的散热片,把热敏电阻用强力胶粘住附近的电线固定在散热片最靠近CPU的地方,再把热敏电阻紧贴CPU散热片并用一滴硅脂包住,住意不要短路了。把制冷板接好后通电开机,运行几个大软件,使CPU全力工作,随着温度上升,用万用表测量制冷板两端电压,在触发后为12V,不多时,制冷板两端电压重新变为零,此时就可以放心使用了。
改进。此电路是为方便各爱好者所设计,十分简化,为达到更高的要求,宜对电路进行改动。如把Q2换为一个大功率的MOS管控制制冷板,把热敏电阻R4换为LM35D等的专用测温集成电路等。如能把此电路扩展运用,比如控制电源风扇的开停,将会为你营造一个安静的环境。
最后,提醒大家一下,制冷板耗电十分巨大,建议使用独立电源供电,并且制冷板只能加快热量传导,本身并不能散热,所以要加上一大块散热片,制冷板电源极性千万不能接反,否则昂贵的CPU立时报废!
如果有什么意见或建议请和我联系(lincom@km169.net)。