自制富士MX-1200数码相机电源转换器
最近,本人购买了一部富士MX-1200数码相机。MX-1200具有130万像素的分辨率,采用变焦镜头,可进行2倍数码变焦拍摄,带有光学取景器、1.6英寸彩色液晶显示屏和多种闪光模式的内置闪光灯,设有手动、自动、自拍及变焦重放等模式,拍摄过程中自动对焦,使用起来很方便,而且价格较低,很适合一般家庭使用。
在使用MX-1200数码相机拍摄后,需要将smartmedia卡上的影像传输到计算机上。在家庭使用情况下有两种方式:1.使用专用AC5V电源转换器给数码相机供电,用专用电缆连接数码相机及计算机,使用随机的专用软件下载图像;2.使用3.5英寸软盘转换器通过软盘驱动器拷贝smartmedia卡中的照片。第2种方法虽然操作简单,但一个3.5英寸的软盘转换器却需要900元的天价;第1种方法有些费事,一个AC5V电源转换器也需要300元,正应了那一句“买得起马,配不起鞍”的老话。本人对交直流电源变换方面谈不上专家,但也称得上业余高手,以300元的价格买一个AC5V电源转换器实在让人难以接受,于是决定自己动手自制。
●首先测量富士MX-1200数码相机在传输信号状态下的电流。经过实际测量(使用可显示电流值的5V直流稳压电源),在传输信号状态下供电电流为200mA,在液晶显示屏有显示状态下供电电流为400mA,因此自制的5V直流稳压电源的供电电流完全没有必要像用户操作手册上所讲的那样,要求供电电流高达1A,只要能提供500mA的电流输出就完全可以满足实际需要。
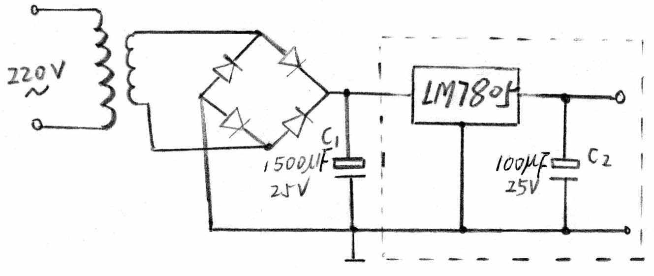
●第二步购买所需要的元器件。一个输出10V左右、电流500mA的普通直流稳压电源,另外需要三端稳压集成电路LM7805一只,100μF/25V电解电容一只。
●下一步按如(图1)所示的电路连线(虚框内为增加的电路)。一般情况下,只要连接无误,一试即成。需要注意的是,一定要给三端稳压集成电路LM7805加上尽可能大的散热片。在确认输出5V正常时,还需要接上10欧姆的大功率电阻负载,进行至少1小时的试验,确保在正常工作时元件及变压器不出现发热损坏等故障。

直流电源制成后,通电联机试验,一切正常,大功告成,而全部花费不足15元。
另外最让人气愤的是富士MX-1200数码相机的5V输入插座采用了市场上极难看到的非标准件,市场上常见的插头无法插入(我个人认为这才是卖价300元的主要原因),大的插头外径大,而小的插头内径又小,这个不算大的问题却让我费事不少。我采用的是大的插头,将其外圈的金属圈(负极)用小挫刀挫掉约3/4,并将中间的绝缘塑料挫去一定厚度,直到插头能够顺利插入为止。
如果购买的直流稳压电源的输出电压在正常负载情况下高出10V很多(如15V以上),就需要在稳压电源输出端与LM7805之间增加降压电阻,以防止LM7805过热损坏。
如果你需要这样一个电源而你又不愿意动手制作的话,可以采用以下更为简单的方法,即购买四节5号可充电电池及一个电池盒,自己再动手制作一个插头(这一步难以省略),正确连线,一切搞定。
以上只是个人经验,如果你没有电子方面的知识,请勿轻易动手,否则后果自负!