EPSON LQ—670K票据打印机故障排除三例
故障现象一:加纸后,缺纸灯仍亮,不打印。
分析与排除:该打印机的检纸电路有三个传感器,前后两个干簧传感器用于检测有没有打印纸送入。一旦有纸触及传感器的簧片,使传感器的触点动作,打印机便启动进纸程序,自动将纸送到准确的位置,为打印做好准备。在此过程中,打印纸是否到达了相应的位置,则由另一个光电式传感器负责检测。当纸到位时,控制面板上的缺纸灯熄灭。
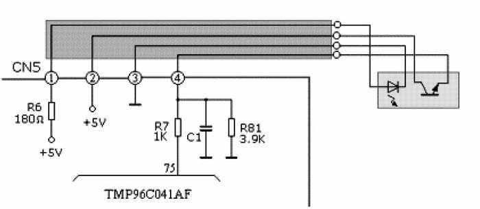
从以上的故障现象分析,估计是光电传感器有故障。笔者根据实物画出了光电传感器与主控电路板之间的部分电路,如(图1)。从图中分析,发光二极管接于插件CN5的1脚和3脚之间,电阻R6串接于+5V向发光二极管的供电回路中,起到降压和限流的作用。正常情况下,无纸时,光敏管因接收不到从打印纸反射回来的光线,处于截止状态,4脚输出低电平;有纸时,光敏管导通,4脚输出接近+5V的高电平。

在联机状态下,用万用表测量4脚电压,无论有纸或无纸,4脚电压均为低电平;而用灯光照射时,4脚电压变为高电平,说明光敏管是好的。再测1脚电压,为+5V,不正常(正常时,发光二极管两端的电压降应为+2V左右)。检查探头与软电缆的连接处,连接情况良好。由此,判断发光管已开路。换上新的光电检测探头,故障排除。
故障现象二:打印机使用时突然停机,关机后再开机,无任何反应,电源灯也不亮。
分析与排除:打开打印机机壳,拔出所有连接头,拆下打印机外壳和屏蔽罩,使电路板露出来。检查电源电路,发现保险丝完好,其它部分也未发现有明显的烧毁的痕迹。开机用万用表检测整流输出端,有+300V电压输出,正常。由于搞不清电源电路中其它部位的电路结构和各输出端的定义,因此一时无法进行下去了。
凭着多年维修实践中所积累的经验,决定从负载端查起。首先,顺着连接到主控板上的插头进行检查,弄清每个插头的功能。其中CN6、CN7分别为打印头中长针和短针的驱动信号线,CN8为走纸电机驱动信号线,CN9为字车电机驱动信号线,其它插头均为传感器连接头。
接下来,采用将负载逐个拔除后试机的方法,分别对CN6~CN9四个插头做了试验,打印机电源指示灯均未点亮。考虑到光电传感器中发光二极管也是电源的负载,所以决定再分别拔除连接检纸传感器的CN5和初始位置传感器的CN12进行试验。果然,当拔除CN5后试机,打印机电源灯亮,并且在开机时字车也有相应的自检动作。
用万用表测量CN5软电缆,发现其2脚和3脚短接,当CN5插入主控板时,就将+5V直接接地,因而导致电源电路过流保护。做进一步检查时发现,软电缆与探头连接处已经扭曲变形。用剪刀剪去电缆顶端损坏的一节,然后用刀片刮出一段,重新接好后试机,故障排除。
故障现象三:打印过程中,在换行时多走了一行,打出的一行汉字被分成上下两截。
分析与排除:对打印机进行自检操作,正常,说明打印机本身控制逻辑及机械传动部分均能正常工作,故障只可能出在主机、打印机接口电路或信号电缆部分。
按照先易后难的检修原则,首先检查信号电缆的连接情况,发现信号电缆与主机连接处的螺钉未旋紧,接头倾斜。将接头拔出后重新插牢,并用一字型螺丝刀将两头的紧固螺钉旋紧,开机试验,故障排除。