电源无“P.G”信号的处理
为朋友组装的一台电脑(主要用于接收股票信息)突然发病,故障现象是机器不能启动,电源指示灯和硬盘灯、光驱灯全亮。朋友的机器是一年前组装的,用的是麒麟747主板、AT机箱、Cyrix266
CPU、广明星股票卡。根据故障现象,判断是由于某种原因,使主机处于初始化状态,启动程序不能往下进行。考虑到故障可能是由接触不良或者元器件损坏引起的,因朋友也具备一定的电子技术方面的知识,笔者用电话遥控指挥他维修了几次,没有效果,最后只好亲自出马,带上必备的配件赶去,按照常规的检查方法检查一遍,徒劳无功,因双方工作都较忙,最后只好把主机带回家里。
回到家里,把机器上的各零部件一一拔下,只保留由主板、内存、CPU、显卡、电源、显示器组成的最小系统,开机检测,故障现象依旧。索性把各零部件拆下,在工作台上一一检测,检测结果也很令人沮丧——各零部件都是好的。
因为在工作台上使用的是另外的电源,很明显,故障元件只能是电源了,一开始之所以没怀疑电源,是因为已经吩咐朋友把电源检测过了,对自已的技术很有点自负的朋友再三强调电源各路输出电压正常。用万用表检测该机上电源的各路输出电压,均正常,检测P.G信号,其电压为零,原来故障原因在此。
P.G信号即电源中的POWER GOOD信号,又称“电源好”信号,在ATX电源中,该信号称PW-OK信号。微机开机后,由于各路输出电压的时序不同,易对主板的工作状态造成混乱,因此,电源中特设了一个延迟的P.G信号提供给主机板,该信号从IBM-PC诞生时就有,一直沿用至今。对该信号的要求是:开机后,相对于+5V电压,延迟100ms~300ms产生,在关机时,则提前100ms消失。其波形和+5V电压的时间对应示意图见图1。在主板上,该信号和主机的RESET信号是逻辑与的关系,开机后,当P.G信号由0V跳变到+5V时,微机开始启动,当P.G没有信号时,微机相当于一直按下RESET键不放(此时硬盘灯、光驱灯常亮),不能进入初始化状态;当开机时,如果P.G信号与其它各路输出电压时序混乱(一般指延迟时间不足),则开机后机器也不能启动,但和该信号没有时不同的是,此时按一下RESET键,机器又能启动。要注意区分这两种故障,如果开机后该信号不稳,时有时无,则主机就会频繁地重新启动。

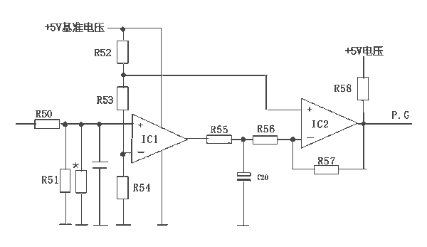
与P.G信号相关的电路图见图2。在AT电源中,脉冲宽度调制(PWM)集成电路LM494的第12脚是工作电压输入端;第14脚是+5V基准电压输出端,给保护电路、P.G信号形成电路等提供工作电压和基准电压;第3脚是TL494内部振荡器的振荡脉冲输出端,在电源正常工作时,该脚的波形图见图3,该脚输出电压经R50、R51分压后加到LM339中IC1的同相输入端;IC1和IC2
是集成电路LM339中的两个比较器,LM339的工作电压由+5V基准电压提供。在电路中,各电压的产生有一定的次序。开机后,电源的各路电压输出端逐渐建立起正常的电压,TL494的12脚得到工作电压,其内部的稳压器输出稳定的+5V电压,一路送给LM339作为工作电压,另一路经R52和R53、R54分压作为IC1、IC2的比较基准电压。同时TL494内部的振荡器开始工作,因TL494具有软启动装置,第3脚输出的振荡脉冲逐渐由无到有、由弱变强,当第3脚的脉冲信号电压有效值不足2.5V时,IC1因同相输入端的电压较反相输入端的电压低,输出低电平,同理,IC2也输出低电平,此时没有P.G信号。当第3脚的脉冲信号幅度达到正常水平,其电压有效值达到+2.5V时,
IC1输出+5V高电平,该高电平通过R55对C20充电,当C20上的电压达到+3.5V时,IC2翻转,输出延迟的高电平作为P.G信号;当关机时,由于IC
LM494供电端的滤波电解电容容量(4.7μF)较小,而相比电源各路输出电压的滤波电解电容容量(2200 μF)较大,该电压较早消失,导致+5基准电压即LM339的工作电压消失,IC2输出电平变低,达到P.G信号比电源输出电压提早消失的目的。
目测相关的电路,没有明显损坏的元件。测量IC1、IC2的工作电压+5V正常,LM494的第12脚的电压+24V也正常,但IC1输出电位较低,导致IC2的输出即P.G信号输出不正常。因比较器输入端的输入阻抗较高,用万用表不易测得其正确的电压,测得的电压并不能反映该脚的真实电压值。通过前面的分析,要输出正常的P.G信号,首先IC1应输出高电平,而此时该端电压不正常,究其原因是其同相输入端的电压达不到要求的幅度。测该部分没有损坏的元件,根据描绘出的电路图,发现在IC1的同相输入端有一个调整电阻R*,是用来调整IC1同相输入端的电压的,现其电压偏低,说明调整电阻R*和R51的并联阻值太小,索性焊下R*,再开机,机器已能正常启动,此时测P.G信号输出端(橙色线)电压为正常+5V。
该例故障排除较简单,但故障现象却较少见,究其原因,可能属电源使用一段时间后部分参数发生变化导致了该故障。欢迎和我联系:lihongl@jn-public.sd.cninfo.net
。
(山东 王庆东)