甩图板从二维CAD开始
二维绘图是微机CAD的最基本功能,它实际上是一个电子图板。对新手,最好从二维CAD开始。
第一步 将纸上的草图移至AutoCAD
1.绘图设置
在纸上绘制草图需要准备许多绘图工具才能开始,用AutoCAD则容易多了。打开一个新文件((图1)),使用Quick Setup(快速设置)向导指定两个基本设置即可开始绘图。这两个基本设置是Units(单位,要使用的测量样式的标准类型)和Area(区域,需要以全尺寸绘制对象的近似区域)。例如一个建筑平面图要表达的面积为14m×16m,输入数值后,AutoCAD会根据尺寸大小自动调整几个设置,如线型和文本的初始大小。确定这些设置后即可开始绘图。

2.按比例绘图
在纸上绘图,比例通常在绘图开始前就确定好了。用AutoCAD则不必在绘图开始前选择比例,无论选择什么测量单位,如cm或km,尽管用1:1的比例好了。当打印或绘图输出时,缩放绘图的比例至纸张大小即可。以全尺寸绘制对象,可以在屏幕上通过缩放控制显示对象。屏幕上显示的对象可以代表不同的实际尺寸。
3.建立草图标准
在纸上绘制草图,必须应用工业制图标准和约定,而这些工作在AutoCAD中将自动进行。例如可以创建特殊的绘图文件,为线型、文本、尺寸和图层等加入标准。可以使用这个绘图文件作为模板应用至每个新的绘图里。模板可以包括几个不同的元素,例如,可以预先定义文本样式(字体、文本高度和对齐方式)、尺寸样式(标准化尺寸界线和箭头的大小与形状,也可以控制尺寸文本的格式、位置和颜色)、绘图布局和标题栏中的标准信息。
4.使用绘图工具
AutoCAD具有功能非常强大的绘图工具。屏幕代替了纸张,鼠标代替了铅笔。可以使用Grid(栅格)和Snap(捕捉)工具或直接指定精确的测量距离。可以使用工具栏或菜单上的命令创建任何绘图。如果出错,Undo(撤消)或Erase(擦除)命令可立即纠正错误。其它工具还包括Line(直线)、Arc(圆弧)、Circle(圆)和Spline(样条曲线)等。
5.使用标准符号
在纸上绘图时用塑料模板仅能画几个常用符号。用AutoCAD则可以从符号库里任意选择符号,如果需要制作附加的符号,可以直接从所画的图中创建。可以将所创建的符号(称之为块)作为单一对象插入到其它图中,并且插入时可以将其旋转和变比。
第二步 关于AutoCAD务必要了解的一些功能
1.查看绘图
用AutoCAD可以从许多不同的视图查看正在绘制的对象,可以轻易地Zoom(缩放)、Pan(平移)以及创建多重视窗来查看整个图形的不同部分。通过将屏幕划分成几个独立的视窗,可以在整个图形的几个区域工作,可以轻易地从一个视图切换到另一个视图。用Aerial View(鸟瞰)窗口,可以聚焦于细部或审视全图。
2.精确绘图
可以使用Grid,Snap和Object Snap(目标捕捉)命令轻易地进行精确绘图。一些常用的目标捕捉方式包括Midpoint(中点)、Perendicular(垂足)、Intersection(交点)、Tangent(切点)、Quadrant(象限点)和Endpoint(端点)等。
3.复制对象
对于重复性的绘图工作,除了可以使用符号库以外,还可以使用强有力的编辑工具,如Offset(等距线)、Mirror(镜像)、Array(阵列)和Duplicate(复制)等。
4.合并绘图
使用Xref(外部引用)命令可以链接一幅图至另一幅图中,通过绘图的合并可以快速地建立一个完整的绘图。如果该外部引用被修改,所有引用它的绘图都将更新,新的信息自动显示。
5.创建零件列表
在AutoCAD中,可以使用Attributes(属性)附上文本和数据到绘图中的符号上,属性中存储的数据可以输出到电子表格和数据库应用程序中产生零件列表或材料清单,也可以提取属性数据到文本文件中。
第三步让我们来试一试
下面是一个绘制支架的示范,人家可以跟着做一做。
1.设置
使用Quick Setup向导开始绘图。设置测量样式的单位(Units),指定需要以全尺寸绘制对象的近似区域(Area)。
2.绘图
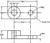
从菜单工具栏选择工具。当移动鼠标时,其精确的坐标位置显示于状态上。若要确保准确,可以使用snap设置、Object Snaps或坐标输入方式((图2))。为方便定位其它几何对象,使用Line工具绘制中心线((图3)),用circle工具和交点捕捉方式画两个圆((图4)),用Line工具和象限点捕捉方式连续画三条线((图5)),使用Fillet(导圆角)工具创建圆角((图6)),用Polygon(多边形)工具创建一个八边形((图7))。当俯视图完成后,创建与其完全对齐的主视图((图8))。







3.尺寸标注
用Linear(线性尺寸)命令和交点捕捉方式开始第一个尺寸标注((图9)、(图10))。使用尺寸样式控制尺寸的外观(图11)。



4.加入文本
使用Text工具向图中加入文字,输入起点、文本高度和旋转角(图12)。

5.打印/绘图输出
要打印或绘图输出,在标准工具栏上选择Print/Plot(打印/绘图)按钮。plotConfiguration(绘图配置)对话框会显示。设置好绘图区域、方向和比例以及选择纸张大小后即可输出。