SVGA显示器调整札记
显示器是微机系统中最大的部件,也是最昂贵的部件之一,作为价值不菲的耐用品,其维护及维修工作相当重要,本文总结了笔者在显示器维护工作中的一些带有普遍性意义的调试记录,希望能对爱好电脑硬件维修的朋友起一点抛砖引玉的作用。
高分辨率同步的调整
一台兼容机的14英寸WORLD SVGA彩显,当分辨率设置为800×600时,在DOS和Windows下花屏,只能在640×480的分辨率下使用。但在640×480分辨率下运行Excel、CAD等软件时,显示字体图形粗硕,可操作的实际屏幕空间窄小,与分辨率为800×600的精致细腻的显示屏面有天壤之别。
观察此显示器的光栅,亮点很细,应为0.28mm点距的级别,光栅的几何失真也很小,可知显示器的质量是好的,并非低行频的老式VGA显示器。不能设置高分辨率的原因可能是显示器的行频被内部调定在640×480的分辨率上,而在800×600分辨率时不能自行同步,因而造成了上述现象。
按以下步骤进行调整:
1.在显示器的主电路板上找到调整行频同步的31.2KHz和35.5KHz的微调电位器,以及行相位微调电位器H.PHASE等相关的被调整部位。
2.开启主机,调节光栅的幅度、方向位置为标准状态(此举目的是为下一步骤的同步调整提供一个正确的光栅位置标准)。
3.在DOS状态下进入分辨率为800×600的程序(如图像观察程序SEA),此时显示器开始失步,屏蔽呈多条滚动的水平横线。选择在DOS系统下进行调整操作,是因为此时分辨率的切换比较容易。
4.调节35.5KHz同步电位器,使画面同步、左右位置正确(也有的显示器是调31.2KHz同步电位器)。
5.进入Windows的设置程序,设置分辨率为800×600模式,重新启动系统后,Windows的画面焕然一新,字体图形清晰精细。
6.微调行相位电位器,使光栅居中,同步稳定。至此调整完成。
一些使用日久的显示器或热稳定性较差的显示器,有时也会出现失步的现象,都可以按这样步骤来处理。
对于14英寸的普通SVGA显示器,800×600的分辨率是最佳的显示模式,更高的1024×768的分辨率并非理想,毕竟14英寸屏幕拥有的像素有限,过高的分辨率使它力不从心,会带来一些弊病,例如显示清晰度下降、不能设置为64K的高彩色、系统速度变慢、软解压播放VCD的帧数下降等。而且有的14英寸显示器还不能工作在过高的行频状态下,如果这时更改过高的分辨率,行频就会超高,使显示器的电路很快损坏。
光栅宽度(行幅)的调整
在Windows高分辨率的环境下,不少14英寸彩显光栅宽度不足,画面两边各有1cm~2cm的黑边,实际上成为12英寸的显示器,造成屏幕面积很大的浪费。显示器面板的水平宽度电位器已调尽,必须开盖对机内电路进行调整。
打开后盖,找出行幅度磁心、行中心、行线性微调电位器。开启主机,调节光栅的幅度、亮度和水平中心位置为标准状态(此举的目的是为下一步骤的调整提供一个正确的位置标准)。然后调节行幅度磁心微调电位器,使光栅幅度加大,但此时又可能出现光栅的枕状失真(即光栅左右边界有弯曲),这时可配合调节行线性、行中心微调电位器,使光栅幅度够大且枕状失真最小。
在很多情况下这种调整不一定能使光栅满屏,要取得更好的效果,就要在行扫描电路上想办法了。我们知道光栅的幅度与显像管的阳极高压有关,阳极高压降低一点,光栅就会变宽一点,而显像管的阳极高压值又与行扫描逆程时间的长短有关,因此适当增大行扫描输出管逆程电容值,就能增加行扫描逆程时间,降低显像管的阳极高压,得到理想的满屏光栅。
具体的做法是:在原来的行逆程电容器(行管集电极的对地电容器)上并联一个电容器,这个新加的电容器容量约为原值的20%,为1200pF左右,通过实验确定容量后焊上。电容量适可而止,切勿过大,且要用耐压在1500V以上的优质电容器。确定并焊接好电容器后,可看到光栅幅度宽了,但亮度同时略微变暗。此时要调高亮度,但如果只是靠显示器面板上的亮度旋钮和对比度旋钮来调节,画面图像将会晦暗,缺乏鲜明度,正确方法是适当调高显像管的加速极电压,调整的部位是行输出变压器上的SCREEN电位器。在行幅、亮度调好后,还要适当调整枕状失真。最后还要仔细调整聚焦(调整行输出变压器上的FOCUS电位器),达到最好的清晰度。
另一个要注意的问题是显像管的灯丝电压。部分彩显的灯丝电压由行输出变压器供给,加大行逆程电容后,灯丝电压会有所下降,从而影响显像管的显示质量及寿命。行扫描输出变压器供给灯丝的电压是有效值为6.3v的脉冲电压,用万用表不能测量它的真实值,但我们可以用万用表测量调整前后的灯丝电压,然后再比较,就能得知其正确的指示值。如果灯丝电压减少值超过3%,就要将其调高。具体做法是把显像管管脚的电路板上的灯丝限流电阻值减少到合适值。
附带要指出,在行输出变压器修理工作中,也要检测和纠正修理后的显像管的灯丝电压,因为非原装的行输出变压器供给的灯丝电压往往会过高或过低,容易造成显像管显示不正常和早衰。
调整好的显示器在Windows的状态下可达满屏显示,有效显示面积增加15%以上。此时在DOS状态下会超屏,但靠面板上的行宽旋钮和行中心旋钮能很容易地调回。
自平衡的调整
显示器在使用一定时间后,会发生颜色偏差的现象,如出现红底色,蓝底色或绿底色等。偏色故障(白平衡不良)对文字处理工作无碍,但如果你播放VCD、玩游戏、欣赏图片等,则会明显感到颜色失真。白平衡不良故障有以下两种情况:
1.多数时间白平衡正常,但有时偶尔出现偏色
这种情况是色度输出晶体管的偏置电位器接触不良造成的。首先要判定位于显像管尾部电路板上的哪一个电位器出现问题,例如在屏幕较暗时显得偏红或者缺红,就是低亮度的红色驱动电位器接触不良;屏幕较亮(例如Windows的白色屏面)时显得偏红或者缺红,就是高亮度的红色驱动电位器接触不良。找出故障部件后,可用市售的电气接触点清洗剂或纯酒精喷涂这些部件,以消除接触故障,一般都能解决问题。如不行干脆更换之,然后按下一步骤调节白平衡。
2.稳定的偏色
这是显示器使用日久后某些元件变质的缘故,例如电子枪的三个阴极发射能力变化失去平衡,色激励放大的晶体管参数发生变化等,这些变化相对稳定,可以调整显像管尾部的三基色微调电位器来重新恢复平衡。
我们知道显像管的白色(W)是由红(R)、蓝(B)、绿(G)三基色组成,其关系式为:
W(白平衡)=0.30R+0.11B+0.59G
在白平衡失调时,即某一基色的成分改变时,屏幕的纯白色就偏移,其规律如下:
白平衡+红→偏红,白平衡十蓝→偏蓝,白平衡+绿→偏绿
白平衡-红→偏青,白平衡-蓝→偏黄,白平衡-绿→偏紫
根据这个规律,我们可以有的放矢地进行白平衡的调整。
显示器要在低亮度和高亮度时都能取得白平衡,就需要在屏幕上分别显现暗画面和亮画面作为调整对象。但微机彩显与电视机不同之处在于它本身难于提供一个有阶梯亮度的黑白图像信号,也无色度电位器可使彩色图像变为黑白图像,因此我们只有根据微机的信号特点来找出合适的屏幕调整信号。
给显示器通电十分钟后,进入DOS系统的黑色背景,开大亮度使黑屏幕变为灰色,然后仔细调节低亮度背景的红、绿、蓝三个电位器,使屏幕呈纯灰色,不偏任何色调,这就基本调好了低亮度的白平衡。再进入Windows3.1系统,在其亮白的背景下分别调节红,绿、蓝三个驱动电位器,使屏幕呈纯白色而不偏任何色调,这样,高亮度的白平衡就基本调好,但这时低亮度白平衡可能又有所偏移,须返回DOS下再微调。反复调整后屏幕图像从黑变到亮白都保持纯黑一纯灰一纯白的颜色,白平衡调整便告完成了。
有时电位器调到尽位仍然不理想,就要在电位器上并联或串联电阻来达到白平衡的要求。
提供白平衡调整的图形对象的另一方法是,进入一个图像处理程序如Sea、CorelDraw等,打开一个照片图像后,将其处理为黑白图像,并扩大到满屏,这样就提供了一个有丰富灰度的调整对象。对图像的暗、明之处分别进行低亮度和高亮度的白平衡调整,就能得到全层次都无偏色的纯黑白图像,从而得到满意的白平衡调整结果。
显像管的延寿方法
电脑显示器的寿命很长,但其中也有早衰的,有的是由于使用时间大久,也有的是由于使用了滤光率较高的“视保屏”而操作者又习惯用较高亮度所致。
显像管衰老的特征是白平衡不良,呈紫色,这是因为显嫁管内绿抢阴极最容易衰竭的缘故,从上一节白平衡的公式中也可以看出绿枪发射负荷最重。这种衰老导致的紫色画面是无法调白平衡的,强行加大绿色激励只能出现大面积的绿色色斑和拖尾失真的现象。
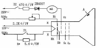
如果只是利用电脑去做一般的文字数据处理,这种“衰老”的显示器用起来还算差强人意。但如果要用于图形处理、玩游戏)播放VCD等需要纯正彩色的工作,就必须对其进行激活处理,具体方法如(图1)所示。

图中先把显像管灯丝电压提高约50%,在温度增高的条件下,给绿枪阴极第一栅极加上80V左右的正电压,用电位器控制第一栅极的正向电流为25mA,经过10分钟至20分钟,能使已衰老钝化的绿枪阴极重新激活。操作时必须先给灯丝加载正常的6.3V电压预热,然后用开关s2使灯丝电压提高到10V,这样可避免直接加入过高的电压,使冷态下的灯丝烧断。
在灯丝电压为6.3V时,用万用表(R×1k挡,黑笔接栅极,红笔接阴极)检测绿枪阴极的栅极电阻值,便可得知其被激活恢复的程度,测量值视万用表的型号而异,例如在激活前为十几千欧姆,激活后为几千欧姆,接近红枪阴极或蓝枪阴极的栅极电阻值,就认为激活成功了。
偶尔也会遇到红枪阴极或蓝枪阴极早衰的显示器,可同样地进行类似处理。
此法一般可恢复衰老阴极的大部分发射能力,使衰老的显像管再维持白平衡工作约一年或更长时间。之后还可以用提高灯丝电压(即灯丝的馈线在行输出变压器上加穿一圈)的方法再“透支”使用。