NECJG-1701型多频大屏幕彩显开关电源故障检修
日本NEC公司最早推出多频扫描显示器,即以一种显示器适用于多种显示卡,相应地其开关电源技术难度就比普通彩显高,电路也复杂些,故障率相对较高。本文以目前NEC公司投放国内市场的JC-1701(17英寸)型彩显为例,介绍其开关电源工作原理及维修实例,JC-1501(15(英寸)与JC-1701电路基本一样。
●一、工作原理
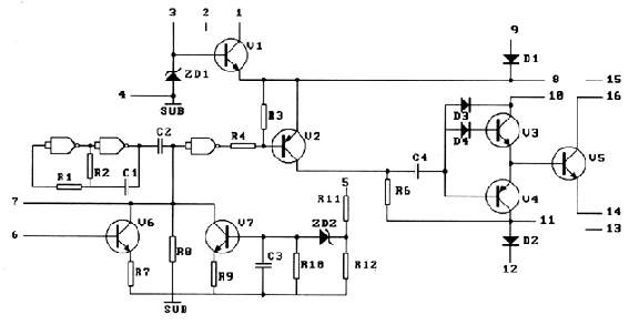
它为一并联型稳压器,属于频率脉宽调制电路,振荡频率范围为20-100KHz,受行振荡频率控制。它的整机平均功耗为60W,电压适应范围为140-260V,电源输出分为+B1、+B2两部分,这两部分电源工作各自独立,但+B2受控于+B1。开关电源由抗干扰、桥式整流滤波、开关管与开关变压器、误差放大、频率脉宽调制和脉冲整流滤波、行同步脉冲整形电路等部分构成,采用先进的厚膜集成电路STK7408H构成电源部分的核心。
市电经抗高频干扰线圈L600、开关SW1、保险丝F601(4A)送到交流进线滤波器。L600内部由两个高频线圈反向绕制而成,对电源电网上的尖峰差模电压有很强的抑制作用,能有效地阻止诸如雷击、电网上强功率的感性负载开关所产生的尖锐脉冲电压通过。电源滤波器由L601、C601、C603、C604等组成,能有效地消除电网上共模电压干扰。以上各滤波器都能使电源净化,避免意外的干扰击窗电源部分的元件。电源送至由RSV606组成的桥式整流滤波器进行整流,经C605、C628滤波后输出约300V不稳定直流电送至开关变压器T601的L1绕组和开关变压器T602的L2绕组。
此机电源部分较复杂,分为两个独立的+B1和+B2电源,有各自的电源开关管和开关变压器。其中+B1输出两组电源:+185V和+24V。+185V电源供视放电路,+24V供给包括行、场扫描、视频处理、同步分离、A/D转换在内的全机小信号处理的电路。+B1电源相对负载功率较小。+B2只输出一组电源:+50V、+110V,专供行输出电路使用,其振荡频率受行同步脉冲控制,能随所用的不同显示卡输出相应的电压,如使用最低行频的显示卡,就输出最低电压+50V,反之,使用最高行频的显示卡,就输出最高的电压+110V。+B2的稳压部分受控于+B1。
(1)+B1电压
① +B1工作原理。
不稳定的+300V直流电压一路加到T601的L1绕组,另一路经F1、R604加至IC601的1脚,IC601的1脚是振荡电压启动脚。整流桥堆RSV606的直流负端接可控硅CR601的T2极,刚加电瞬间,C607两端电压不能突变,经过延时,CR601的G脚电位逐渐上升,到某一时刻CR601导通,即T2和T1接通,+300V的负端电压加至T601的L2、L3公共端,整个+B1电源进入工作状态。本电路的振荡、驱动、放大推动由IC601(STK7408H)及外围元件完成,由于采用厚膜集成块,使得开关电源外围元件用量减少,因此性能更稳定。STK7408H的功能见图1。
STK7408H的内部电路如图2所示。
由图2可看出,STK408H内含振荡器,由非门电路和R1、C1等组成。经C2输出、U3缓冲、V2放大的振荡方式进入由V3、V4组成的推挽放大器进行电压放大,最后经V5进行电流放大。V5导通期间,+300V直流电压经L1、V5的c-e结和R615到地,这时,电能转换为磁能贮存在L1,L1的极性为上正下负,L2所激发的电压极性为上正下负,供给STK7408H的9脚,L3所激发的电极压极性为上正下负,供给STK408H的12脚。STK408H的9脚电压经D1加至其8脚,而8脚外接C601,C610起平滑、贮存电能作用。STK7408H的12脚电压经D2加至11脚,11脚外接电容C611,C611起平滑电压、贮存电能作用。故8、9脚电位为正,11、12脚电压为负。10脚经限流电阻R613接至8脚,6脚是过电流保护脚,当电流超过限值时,6脚电位上升至V6导通,C2输出的方波经R7至地,幅度减少,V5的导通时间减少,输出电流减小,5脚是过电压保护脚,当输出电压升高时,由R11、R12组成的分压电路中R12两端电压上升,达到一定电压值时,ZD2被击穿,V7导通,C2输出的方波经R9至地,幅度减小,V5的导通时间减少,输出电压下降。V5截止时间,L1的极性为下正上负,截止瞬间产生很高的反电压(约为Ucc的5—7倍),此电压经D602、R617泄放可避免击穿大功率管V5。此时L2的极性为下正上负,L3的极为下正上负。由于D1、D2的隔离及C610、C611的贮能作用,8、10脚保持正电位,11脚保持负电位,保证了STK7408H内部各电路部分的供电。贮存在L1的磁能通过L4、L5向负载释放,D651、D652是高频整流二极管,C651、C652是滤波电容,L651、L652是高频扼流线圈,用于滤除掉电源中丰富的谐波成分。当V5又导通时,就完成了一个振荡周期,以后重复上述过程,而且负载的功率较小,故T601的体积比T602的体积小。
② +B1稳压原理
由于外界电网电压波动较大,而且负载的功率是即时变化的,这就需要+B1电压的反应能力,同时也把电源分成“冷”、“热”两部分,热端地线可能带上外界电网的220V电压,维修时需小心注意,而冷端地线跟热端地线绝缘,不带电网上的相线电压。当某种原因使外界电网电压上升时或者负载功率降低时,+B1的输出电压有升高趋势。R654、R655、VR651、R656组成分压电路,D653、D654、ZD651组成电压钳位电路。提供给V651射极一个稳定的参考基准电压。V651基极接在VR651、R656之间,当输出电压升高时,R656的压增大,V651的基极电位上升,由于V651射极电位不变,故V651的Ib上升,Ic=βIb,Ic也上升,V651的c-e结电阻减小,V651的集电极电位下降。光电耦合器件PC601内部二极管负端接V651的C极,正端接R653至185V输出电压。于是PC601内部二极管的电流增大,发光强度增强,PC601内的光敏三极管的内阻变小,IC601的7脚电位下降。由于IC601的7脚是接内部C2的输出端,因此7脚电位下降,从C2分流的方波便增多,方波振幅下降,V5的导通时间也随之减少,截止时间延长,则L1贮存的电磁能量减少,使+B1输出电压下降,实现了稳压过程。当外办电网电压下降或者负载变重时,+B1电压有下降趋势,此时PC601内部二极管的电流减小,发光强度减弱,光敏三极管内阻上升,IC601的7脚电位上升,C2输出的方波振幅增大,V5导通时间增长,截止时间减小,L1贮存的电磁能量增多,+B1输出电压上升。
③ +B1过流保护原理。
IC601的14脚是内部功率放大管V5的射极,14脚通过保护电阻R615接地,而R615上的压降则通过二极管、电阻R630加至保护管V601的基极。若电流正常,R615上的电压不足使V601导通。当某种原因使V5的电流异常增大,如负载短路等,这时流过R615上的电流也增大,压降也增大,当达到一定电压时,V601导通,CR602是一单向可控硅,其G极接V601发射极。由于V601发射极电位上升,使CR602的G极受触发,因此CR602的A、K极导通。又因CR602K极接IC601的6脚,而A极通过R609接电源,故IC601的6脚电位上升,内部保护管V6的基极电位上升,V6导通,C2输出方波幅度被衰减,V5的导通时间减少,截止时间增大,L1贮存的电磁能量减少,输出电流下降,保护了V5不致因电流过大被烧毁。
(2)+B2电压
①+B2工作原理:
+B2电源的启动、振荡和放大输出的工作原理跟+B1是一样的,不过+B2的电压输出是随行频改变的,受到行频的同步控制,使用行频越高的显示卡,+B2输出电压越高。在不同行频时各参数关系见表1。
表1 多种显示卡不同行频时各参数关系
FH(KHz)TH(μs)实测Ucc(V)
EGA 21.8 45.8 52
VGA 31.5 31.7 70
CVGA 39 25.6 89
TVGA 50 20 110
不同的显示卡,有不同的Ucp,Ucp为行变压器的峰值电压。因而在行输出变压器中可以输出一个与Ucp(或Ucc)有关的脉冲,其整流后的直流电压即为C2电压,利用C2电压可在不同的行频条件下,输出不同的电压来。
②C2电压形成过程:
行输出变压器次极绕组整流出来的脉冲电压经C562滤波后加到复合管(由V517、V518组成)的集电极。另外高压输出300M、390K电阴分压后加到复合管的基极,使其导通。这样Ucp加至复合管的发射极,经R566、R567、VR505分压后形成C2电压。参见图3。
③+B2稳压原理:
当电网电压上升或者负载变轻时,+B2输出电压有上升趋势。该图中V652、V653接成差分有源电路。V652基极接在VR653上,监视C1电压的变动。V653基极接在VR652上,监视C2电压的变动。V652、V653的发射极被二极管D658、D659、ZD652钳位在某一电位值,即此电位是一稳定的参考电压。R665、VR653、R666接在C1和地之间,组成分压电路。C1电压上升时,V652基极电位也上升,Ue稳定,Ub上升,故Ib也上升,Ic=Ib,集电极电流增大,V6522集电极电位下降。由于PC602内部发光二极管正端通过R660管的内阻减少。需要注意的是,IC602的供电电压和IC601是共用的。PC602内的光敏三极发射极接——Ucc,集电极接IC602的7脚,由于内阻减少,因此7脚电位下降,C1电压也随之下降。相反,电网电压降低或负载变重时,C1电压有下降趋势,这时PC602内的发光二极管通过的电流减少,发光强度减弱,光敏三极管内阻减少,IC6022的7脚电位上升,C1电压回升。
④+B2过流保护原理。
IC602内部功率放大管的发射极接R624至地。正常电流下,R624上的压降不足使V602导通。当某种原因使流过功率放大管的电流异常增大时,R624上的压降也增大,超过一定值时V602导通,CR603的控制端G极被触发,A、K端接通,IC602的6脚电位上升,流过功率管V5的电流减少,保护了功率管不被烧毁。
⑤+B2过压保护原理。
当某种原因使得+B2输出电压异常升高时,仅靠PC602本身的电压调节已不能使电压降下来。则D605整流出来的电压增大,经C624滤波后加至稳压管ZD602负端,达到一定电压值时,ZD602被击穿,截止时间延长,于是C1电压被迫降下来,保护了+B2电源。
⑥C2控制电压输出原理。
C2电压主要反映不同行频下行输出变压器输同的不同输出,实际上是一个反馈电压,由R566、R567、VR505分压后取得。由前面可知,使用越行频的显示卡,IC652降低,流经PC602内部发光二极管电流降低,光敏三极管内阻变大,IC602的7脚电位上升,功率管V5导通时间提前,C1电压上升。当使用越低行频的显示卡,C2的反馈电压越低,通过PC602内部变化,IC602的7脚电位下降,C1电压下降。
●二、检修方法
开关电源电路为彩色显示器整机提供工作电压,与整机其它电路相比故障率是比较高的。常见故障现象有:无光栅、无任何“吱吱”叫声;无光栅,有“吱吱”叫声;图像有黑横道干扰;行、扫描光栅压缩等。检查无光栅现象产生的原因,一般是因元器件损坏造成开关电源故障而无输出电流电压,或因开关电源负载电路产生过流,或因输出电压升高导致电源电路内保护电路动作而无输出电压。在检修此类电源故障时,应该先判定是开关电源电路本身,还是负载电路出了问题而引起。此外对开关稳压电源的晶体管和二级管也要详细检查。检查时,可用万用表R100档在路检查各三级管基极对另二个极的正反向电阻和二极管的正反向电阻,以初步判断它们的好坏。对有怀疑的元件,再焊出来检查。
检查无光栅故障时,应先检查+B1电源,然后检查+B2电源。因为+B2的偏置电压是由+B1开关稳压电源提供的。检查+B1电源时,首先检测IC6011外围有关元器件。若元件基本正常,再把万用表置50V档,将其正表笔接双向可控硅CR6011的控制极G脚,负表笔接T1。开机瞬间,万用表应该有指示,若无指示则查C607是否击穿短路,CR601的T1、T2极间是否已短路。若以上元件正常则再测IC601的14、16脚电压,正常电压差值应在250V以上。由于+B1是自激振荡类型的电源,即电源起振后反馈的能量又继续供IC601内部的振荡器维持振荡,故IC601是整个+B1的核心,如果其内部有关电路损坏必须造成整个振荡电源停振而无电压输出。+B1电源的负载相对+B2电源的负载较轻,其故障率相对+B2也较低。
若+B1电源正常,但仍无光栅,则应检查+B2开关稳压电源。检查时,把万用表置250V档,正负表笔接在C658两端,此时主机插上SVGA卡。如果开机时此电压比+84V大得多,要马上关机,重点检查稳压部分电路。如D605是否已断路,C624容量是否下降,稳压管ZD602的稳压值是否已偏离原稳压值等,再检查V602、CR603有否损坏。如果+84V输出端电压为零,说明电路没有起振,应重点检查IC602的9、12脚电压是否正常,因其电压是由+B1提供的。再检查R622、C6225等与振荡有关的元件,以上外围电源及元件均正常后,才考虑更换IC602。如果开机时,+84V电压有瞬间指示,说明电路已起振,应检查保护电路。在保护状态下,V602、CR603均导通,IC602的6脚电位上升。检查保护电路前,首先要判断主电源是否起振,方法如前所述。若CR603的K、A脚电位已基本一致,说明保护电路动作。此时可检查保护管V602有无击穿短路,行负载有否短路,一般保护都是由行电路负载变重所致。如果保护管和负载正常,可能是IC602内部电路故障,可更换IC6022。
检修此机开关电源注意事项:
(1)该机芯片采用与机架隔离的变压器型开关电源电路,该电路的主机板除电源开关至开关变压器初级区域外均不带电,安全性能好,可直接使用仪器进行检查。但由于开关变压器初级绕组及相关电路均没有采取隔离措施,因此在维修时,必须使用隔离变压器,以确保人身安全。
(2)在测量+B2的行输出供应电压时,应断开行输出级负载,用一只220V/60W灯泡作假负载接在C658的两端,以防止IC602内部功率放大管截止时,开关变压器T602中初级绕组贮存的能量无处释放而产生过高电压击穿IC602内部功放管。
(3)在检修时,先作静态检查,用万用表R1或R10电阻档测量桥式整流输入端的正反向电阻,以判断桥断堆D601,旁路电容C6022、C603、C604有否短路。再用万用表电阻挡测量滤波电容C628有否短路。然后在C1输出端接一只220V/60W灯炮假负载,将一只0—250V、3KVA的自耦调压器调节入市电,输出端接彩色显示器输入插头,且首先转到0V位,接通市电电源,旋动调压器调节钮,使输入电压逐渐增加,观察灯泡是否逐渐增亮。若一切均正常,则把调压器调到220V处,使C1输出端为84V(SVGA方式下),同时监视+B1的185V和24V电压是否正常,若有一组电压不正常,即迅速断电,找出原因并排除故障。另外,再将调压器输出电压逐步调低到110V及调高到250V,看C1电压是否有明显波动。正常时,电压波动范围应在±1.5V以内,否则必查明原因予以解决。
(4)给主机换上不同类型的显示卡,观察C1电压变化,当使用越高行频的显示卡时,C1电压也应越高,反之亦然。若出现所使用显示卡与C1输出电压不符时,应重点检查V652、V653、VR652、ZD652等,以找出故障,否则会出现过高压误保护。
(5)该电源电路中某些元件不能在路进行检查,例如在检查桥堆D601的正反向电阻值时,必须将其从印刷板上脱焊测量,否则会因相连二极管或电解电容自构成回路而导致错误判断。
(6)开关电源电路中元件损坏,经更换后不能马上开机,一定要找出故障造成的真正原因并排除后才能开机,否则会造成严重的后果和经济损失。
(7)在检修完开关电源电路的故障后,一定要在整机负载无短路的情况下,才能接上整机测试整机对地电阻,否则很有可能又将使电源产生新的故障。
三、检修实例
【例1】厚膜块STK7408H经常被击穿
此机电源部分为复杂,分为两个独立的+B1和+B2电源,有各自的电源开关管和开关变压器。其中+B1输出两组电源:+185V和+24V。+B2只输出一组电源:+50V—100V,专供行输出电路使用,并且能随所用的不同显示卡输出相应的电压。
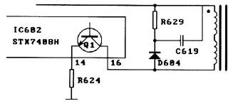
由于此机的电源部分有较完善的过压、过流保护电路,因此一些简单的负载开路、短路是不会轻易导致厚膜块损坏的。从厚膜块被烧的现象看,几乎都是里面的大功率开关管c-e结被击穿短路。用500型万用表R1Ω档来测量膜块14、16脚有关元件,发现D604(RUIP)已开路,更换后故障排除。
厚膜块STK7408H的各项电参数实测值见表2
表2 STK7408H电参数
(注:红黑笔测为KΩ,电压为V)
脚号 红表笔测 黑表笔测 对地电压
1 7.2 41 285
2 8.8 32 0
3 4.4 2.7 230
4 0 0 0
5 67 129 0
6 64 49 0.4
7 73 28 3.8
8 130 38 9.0
9 57 84 9.7
10 63 43 10.8
11 216 330 -10.1
12 160 74 -9.3
13 ∞ ∞ 0
14 ∞ ∞ 0.17
15 200 240 0
16 ∞ ∞ 300
注:电阻值为500型万用表R1KΩ档开路测。
为什么D604开路会造成连续击穿厚膜块内部功率三极管c-e结呢?请参见图4。
当开机后,在STK7408H内部振荡电路控制下,开关管V5在不断交替的导通、截止状态下工作。在V5导通时,标有黑点同名端线圈的极性是上正下负;当V5截止时,极性又反过来,是上负下正。由于V5截止瞬间,此电压非常高,通常为Ec(约300V)的5—7倍,这是线圈的电感量设计得很大的缘故。这样大的电压加到V5,就有击穿V5的c-e结的可能。由于有保护网络R629、D604起作用,反电压被放掉,这就保护了V5。现在D604断路,反电压无处可释放,只能通过V5等途径释放,这是STK7408H屡次损坏内部三极管的原因。
V5损坏后可用BU508A代换,这时,需用挫刀挫开厚膜块的内壳,将V1的三个电极引线折断,接上新换管即可,新换管仍需配大面积的散热板,如图5所示。
【例2】光栅闪烁跳动
插上31.5kHz的VGA卡,开机测+B2的输出电压为70V,正常。说明供给行电路的电压无异常。检查+B1两组电压分别为160V和22V均偏低。再用示波器观察160V电压波形,并非一条直线,而是有很多跳跃点,见图6。
这一点用普通机械式万用表是检测不出来的。
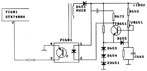
+B1电源稳压过程如图7所示。
当电网电压升高,输出端电压也有升高趋势,这一变化的电压使V651集电极电压下降,PC601内部发光三极管流过的电流增大,光敏三极管的内阻减少,IC601的7脚电压下降,内部驱动三极管分流开关管基极电流也增大,开关管导通时间缩短,即把输出电压降下来,相反,当电网电压降低时,开关管导通时间提前,输出电压上升。
用示波器继续检查有关各关键元件的波形,发现PC601的2脚波形也有跳跃点。这时,调整VR651,电压能改变,但故障依旧。注意,检修过程中不要断开PC601的各脚,否则会有危险的电压输出!估计PC601内部三极管不良,用新品换后故障即可排除。
PC601可用4N35、KD751等型号代换,但需重新调整VR651使输出电压符合规定值。
PC601的各项电参数实测值见表3。
表3 PC601电参数
(注:红黑笔测为KΩ,电压为V)
引脚 红表笔测 黑表笔测 对地电压
1 ∞ 23 140.3
2 0.4 0.7 139.6
3 64 63 5.8
4 0 0 0
【例3】显示器工作正常后,“吱”地一声无光栅
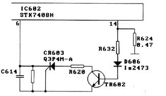
此机虽然是+B1、+B2各自独立工作,但+B2是受控于+B1的,即+B1出故障,即使+B2是好的也无法正常工作。检查+B1工作正常,+B2无电压输出造成行电路停止工作,光栅消失。查IC602的6脚电压,已由正常的0.4V升至2.8V,说明IC内部保护电路已起作用,本机有过流保护开关管的功能。见图8。
R624接在IC602的14脚,即接在IC内部开关三极管的发射极。正常时流经R624的电流不大,其压降不足使V602导通。当某种原因使开关管的电流增大,并超过一定限度时,R624的压降使V602导通,CR603的G极受触发,A、K之间导通,IC602的6脚电位上升,导致IC内保护电路的起控内而使振荡电压幅度下降,保护开关管。
发生故障时测V602的基极电压为0.4V,显然这电压是不足以使V602导通的,拆下V602用500型万用表R10Ω档测其c-e结电阻值已有指针偏转,说明V602性能已不稳,更换开机后不再出现故障。
【例4】使用不同显示卡时,字符溢出屏外
此机有自动跟踪行频功能。在使用不同显示卡时,+B2电源能输出相应的电压,见表4。
表4 +B2电源输出电压V
C1 C2
21.5KHz 51 178
31.5KHZ 72 19.1
35KHz 84 19.2
50KHz 110 19.3
发生故障时,在VGA31.5KHz方式下,测得CI端电压只有58V。更换SVGA35KH显示卡,测得端电压也只有64V,用高压棒测得此时的阳极高压为18KV,已低于正常值23—24KV,这样就会造成光栅扩大,字符溢出现象。
此机的行频自动跟踪系统很复杂,这里仅简单介绍+B2电源的受控和稳压过程,见图9。
图9中V652、V653接成差分有源电路。V652基极接在VR653上,监视CI电压的变动。V653基极接在VR652上,监视C2电压的变动。C2电压主要反应不同行频下行输出变压器输同的不同电压,实际上是一个反馈电压,由R566、R567、VR505分压后取得。当电网电压升高时,V652检出误差电压,流过PC602内部二极管的电流变大,光敏三极管内阻变小,IC602的7脚电位下降,开关管导通时间缩短,C1电压下降。相反电网电压降低时,开关管导通时间提前,C1电压上升。
同理,当使用越高行频的显示卡,C2的反馈电压越高,V653检出误差电压,IC653上升,IC652降低,流经PC602内部二极管电流降低,光敏三极管内阻变大,IC602的7脚电位上升,开关管导通时间提前,电位上升。
故障表现为输出电压C1偏低,但C1能随不同的显示卡而变动,说明C2反馈电压,V653是好的。把V6522及其外围关键元件一一拆下来测量,发现稳压管ZD653[RD3.OEB(2)]已击穿短路,造成V652基极电位上升而导致C1电压下降,用一只国产稳压管2CW7D代换ZD653后开机细调VR653使C1符合所用显示卡的对应电压,故障排除。
【例5】开机后瞬间“吱”地一声,光栅消失
检修时,首先测量+B1、+B2电源各厚膜块16脚的电压在300V左右,再测+B2电源的C1端输出电压,发现开机后瞬间此电压超过84V(SVGA方式下),但很快降至为0V。这表明+B2振荡电路有300V电压输入但无稳压直流电压输出,初步可判定是输出电压过高而导致电源电路保护动作。过压保护电路由R606、C624、ZD602、V602等元件组成。其稳定原理是:当C1端电压升高时,则D606整流出的电压也升高,经C624滤波后的直流电压加到稳压管ZD602负端。当电压升高到一定限度时,ZD602被击穿,V602导通,CR603的G极被触发,K、A极导通,IC602的6脚电位上升,IC602内部保护电路起控,抑制C1电压上升。
检查稳压电路的有关元件,若均正常,试调整VR653,可使电压降下来,但不稳定,在使用其他显示卡时又出现保护现象。这说明故障源不在稳压差分电路里。怀疑是光耦合器件PC602出故障,但更换后故障依旧。试断开V602基极跟过压保护电路的连线,再断开行负载,给C1输出端接上一个220/60W的假负载,再开机,电路发出“吱吱”声音,说明电源已起振,再测灯泡两端电压,高达117V。这时应马上关机,以免电源过载而烧毁元件。这说明电源振荡正常,只是稳压部分出了故障,导致过电压保护电路过控而使C1端电压无输出。再检查跟稳压有关的IC602的7脚电位,发现已由正常的4.1V升至6.3V,IC602的7脚外接元件是R626,将其拆下测量,发现其阻值已由原来220Ω变值为2.8KΩ,这样就会导致IC602的7脚电位上升而使C1输出电压上升。原R626是一只1/8W的电阻,为了可靠性,将其换成为一只1/2W的电阻,开机细调VR653使C1输出符合规定的电压,故障排除。
【例6】开机后,屏幕无光栅,机内也无“吱吱”声
由于机内听不到开关电源工作时开关变压器发出的轻微“吱吱”声,说明故障出在开关电源部分。常见的故障原因是电路存在开路性故障,造成整流电路无输出或开关电路停振。
经检查发现保险丝F601未熔断,桥堆D601的交流输入端电压为220V,直流输出端电压为240V左右,均属正常。但检测滤波电容C605两端却无300V直流电压输出。将万用表置于500V直流电压档,正表笔按C605正端,负表笔碰双向可控硅CR601的T2极,表内有显示,再用负表笔碰CR601的T1极,表内无显示,这说明CR601还未导通。将万用表置于交流50V档,一表笔接C605正端,另一表笔碰一下CR601的控制端G极,此时电源起振恢复工作。检查CR601控制端G极的外围元件,发现保险丝电阻R601已熔断,用良品更换后开机,电源起振,彩色显示器工作正常。
R601、R602、C607的作用就是一个积分电路,它提供的脉冲电压供给CR601控制G极,使得CR601的T2和T1极保持导通,+300V电压加到开关电源,使整个电源工作。当启动电阻R602开路后,CR601的G极因无脉冲电压而使CR601保持截止状态,开关电源无法启动即停振,因此输出电压为零,导致无光栅。
由于R602所承受的脉冲电流较大,而本身功率又偏小仅为1/2W,所以较容易损坏而形成故障。为防止这类故障再次发生,最好要用2W金属膜电阻更换。
注:本文内容为作者著,未参考摘编其他书报刊资料。








